nach längerer Zeit bin ich wieder "LED aktiv", hab einiges bestellt und nun werfen siche ein paar Fragen auf.
In den verschiedenen RGB Themen hab ich nichts brauchbares gefunden- dazu jetzt meine Frage.
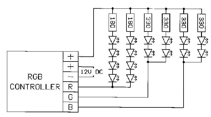
Ich habe einen RGB Controller bestellt, dafür brauche ich die "common anode LEDs".
nun habe ich den controller erfolgreich ausprobiert- allerdings mit inzelnen (Rot Grün Blau).
jetzt habe ich ein Größeres Projekt vor- habe mir dazu auch die normalen RGB leds gekauft-
hab aber noch nicht gewusst das es da 2 verschiedene gibt. wies der teufel will- hab ich leider die falschen erwischt.
nun suche ich nach einer Möglichkeit den Controller irgendwie umzubauen da das zurückschicken der leds
zu aufwändig wäre. also meine Frage an euch: ist das möglich- wenn ja was brauch ich dazu, was kostet es und wäre
es billiger gleich einen passenden controller zu kaufen? BZW zu bauen.
zum 2. Thema:
wenn bei einem Dimmer netzteil (von pollin) der angegebene maximalstrom 880 mA ist,
heisst das dann das das netzteil höchstens 880mA liefern darf,
oder das ich maximal 880 mA ziehen kann?
wäre dankbar für Antworten,
liebe Grüße aus Österreich


