RGB Steuerung / Allgemeine Fragen

Fragen zu Schaltungen, Elektronik, Elektrik usw.

Moderator: T.Hoffmann

Benutzeravatar
Ledlight
Mega-User
Mega-User
Beiträge: 122
Registriert: Di, 07.08.07, 22:07
Kontaktdaten:

Di, 10.03.09, 19:56

Hallöchen allerseits!

nach längerer Zeit bin ich wieder "LED aktiv", hab einiges bestellt und nun werfen siche ein paar Fragen auf.
In den verschiedenen RGB Themen hab ich nichts brauchbares gefunden- dazu jetzt meine Frage.

Ich habe einen RGB Controller bestellt, dafür brauche ich die "common anode LEDs".

nun habe ich den controller erfolgreich ausprobiert- allerdings mit inzelnen (Rot Grün Blau).

jetzt habe ich ein Größeres Projekt vor- habe mir dazu auch die normalen RGB leds gekauft-

hab aber noch nicht gewusst das es da 2 verschiedene gibt. wies der teufel will- hab ich leider die falschen erwischt.

nun suche ich nach einer Möglichkeit den Controller irgendwie umzubauen da das zurückschicken der leds

zu aufwändig wäre. also meine Frage an euch: ist das möglich- wenn ja was brauch ich dazu, was kostet es und wäre

es billiger gleich einen passenden controller zu kaufen? BZW zu bauen.


zum 2. Thema:

wenn bei einem Dimmer netzteil (von pollin) der angegebene maximalstrom 880 mA ist,

heisst das dann das das netzteil höchstens 880mA liefern darf,

oder das ich maximal 880 mA ziehen kann?

wäre dankbar für Antworten,

liebe Grüße aus Österreich :D
Benutzeravatar
Pehu
Mega-User
Mega-User
Beiträge: 469
Registriert: Mi, 01.11.06, 19:33
Kontaktdaten:

Di, 10.03.09, 20:11

Was mir auf anhieb einfällt, über Transistoren die Pole "umzudrehen". Jedoch verbraucht das ganze zusätzlichen Strom. Wieviele Leds willst du den betreiben?

Du darfst max. mit 880 mA belasten. Aber plane lieber ein wenig Puffer ein und belaste das Netzteil mit max. 80 % des max. angegebenen Stromes. Geht sonst auf Lebensdauer und Effizient. (Ist wie mit dem Auto, ständig im roten Bereich ist auch nicht gut :wink: ).
Benutzeravatar
Ledlight
Mega-User
Mega-User
Beiträge: 122
Registriert: Di, 07.08.07, 22:07
Kontaktdaten:

Di, 10.03.09, 20:40

danke für deine antwort!

also laut datenblatt des controllers kann ich jeden der 3 mosfets mit max 5A belasten.

vor habe ich 100 RGB leds mit je ca 60 ma (3 mal 20) zu betreiben.

das wären dann 6A wobei ich warscheinlich für grün und blau höhere widerstände nehmen werd damit alle 3 farben

schön gleichmäßig leuchten.

wenn ich das mit den Transistoren machen würde, wie viel würde das schlucken? (ungefähr)

liebe grüße
Benutzeravatar
Sailor
Moderator
Beiträge: 9427
Registriert: Di, 28.11.06, 22:16
Wohnort: Saarland, Deutschland und die Welt

Di, 10.03.09, 21:27

Der zusätzliche Verbrauch ist im gaaanz tiefen mA-Bereich, und hängt etwas von den schon vorhandenen Widerständen und MosFets ab. bei einem 7,5 Ampere Netzteil spielt das keine Rolle mehr.

Hast Du solche Teile da?
Borax
Star-Admin
Star-Admin
Beiträge: 12243
Registriert: Mo, 10.09.07, 16:28

Di, 10.03.09, 23:19

...nun suche ich nach einer Möglichkeit den Controller irgendwie umzubauen...
So was ähnliches hatten wir schon mal bei einer Lichtorgel: viewtopic.php?f=35&t=3938&p=77618&hilit ... gel#p77618 . Die einfachste Möglichkeit (ohne Änderung des Controllers) ist das Nachschalten von P-Channel Mosfets. 6A (2A pro Farb-Kanal) sind damit auch kein Problem, dafür ist nicht mal ein Kühlkörper für die Mosfets nötig. Beim Netzteil ist es IHMO wichtig, dass die Spannung nicht zu groß ist. Sollte nicht wesentlich über 4V liegen, da man prinzipbedingt bei Common Cathode LEDs (oder Common Anode - spielt hierfür keine Rolle) immer alle LEDs (bzw. die R,G,B 'Kanäle' der RGB LEDs) mit eigenem Widerstand parallel schalten muss (keine Serienschaltung möglich). Bei einer Netzteil-Spannung von 4V und 2A pro Kanal sind das beim Rot-Kanal immerhin schon etwa 4W, die zu verbraten sind. Jedes Volt mehr erhöht den Verlust um weitere 2W.
Benutzeravatar
Ledlight
Mega-User
Mega-User
Beiträge: 122
Registriert: Di, 07.08.07, 22:07
Kontaktdaten:

Mi, 11.03.09, 16:46

Sailor hat geschrieben:Hast Du solche Teile da?
was meinst du mit "solche teile"? die widerstände die auf der platine verlötet sind sind 4 mal 1k ohm. Mosfets weis

ich nicht genau welche das sind.

hier mal der link dazu: http://www.bigclive.com/rgbcont.htm

da ich anfangs davon ausging das ich 12 V UNBEDINGT brauche, damit der controller funktioniert,

hab ich mir schon länger ein 12V netzteil mit 5A angeschafft, da ich die einzelnen farben in reihe schalten wollte.

nun hab ich aber gemerkt das der kabel aufwand viel zu groß ist (abstand zwischen den leds ca 17 cm, 3-4 in reihe)

deshalb hab ich mir dann die normalen RGB leds bestellt.

außerdem wurde ich eines besseren belehrt: mindestspannung für controller 4-5V. (falls etwas falsch ist was ich behaupte, bitte sagen)

das heisst also das ich ein netzteil mit ausgangsspannung ca. 4 konstanten Volt und ca 6A.

und @ Borax: das Nachschalten von P channel Mosfets- wie geht das? ( wo anlöten)

und woher bekomm ich die?

EDIT: falls es das selbe ist wie dieses schon gehabte thema viewtopic.php?f=35&t=3938&p=77618&hilit ... gel#p77618

bitte sagen. in dem anderen thema ist aber die rede von 12 V was wieder alles durcheinander bringen würde.

danke für eure Hilfreichen antworten :) ich sehe ein kleines Licht am ende des Tunnels^^
Benutzeravatar
Sailor
Moderator
Beiträge: 9427
Registriert: Di, 28.11.06, 22:16
Wohnort: Saarland, Deutschland und die Welt

Mi, 11.03.09, 17:24

Miot "solche Teile" meinte ich Widerstände und MosFet´s in einer Bastelkiste. Aber die Frage ist eh im Folgetext beantwortet.

Wie hoch ist denn nun die Mindestspannung für Deinen Controller.
Evtl. ist es erforderlich, den Controller mit einer höheren Spannung zu fahren als die eigentliche LED-Spannung.

Das ist kein Problem, auch kein Aufwand sollte aber jetzt geklärt werden, damit alles wie gewünscht funktioniert.
Benutzeravatar
Ledlight
Mega-User
Mega-User
Beiträge: 122
Registriert: Di, 07.08.07, 22:07
Kontaktdaten:

Mi, 11.03.09, 17:31

Also ich habe nur gehört (gelesen irgendwo, weis aber nichtmehr wo) das man nur die mindestspannung für den chip benötigt das wären ~5V. (Mosfets usw sollten dann auch voll durchschalten)

ich werde den Typ mal anschreiben der dieses zeug verkauft, der weis das bestimmt.

und Apropo Bastelkiste, widerstände hab ich ziemlich viele verschiedene von 10 - 1k Ohm. Höher hinaus aber keine.

(da ich die meist nur für led basteleien verwende)

thx und lg
Benutzeravatar
Sailor
Moderator
Beiträge: 9427
Registriert: Di, 28.11.06, 22:16
Wohnort: Saarland, Deutschland und die Welt

Mi, 11.03.09, 17:39

OK, Widerstände wäre damit geklärt, fehlen nor noch die MosFets wie von Borax beschrieben.

Wenn der Controller für 12 Volt geeignet ist, kannst Du ihn z.B. mit dem kleinen Netzteil aus dem Shop oder einem anderen kleinen Netzteil betreiben. Die LED´s werden über das Leistungsnetzteil betrieben.

Wenn Borax nicht schneller ist, versuche ich Dir die Schaltung heute abend noch einzustellen.
Benutzeravatar
Ledlight
Mega-User
Mega-User
Beiträge: 122
Registriert: Di, 07.08.07, 22:07
Kontaktdaten:

Mi, 11.03.09, 17:50

klingt irgendwie spannend! noch versteh ich das nicht mit 2 netzteilen, wird sich dann aber ja wohl zeigen.

ja bitte einen schaltplan, das wäre nett von dir/euch. besser wären noch bilder wo ich was anlöten/verbinden muss,

weil ich mich mit schaltplänen irgendwie nicht sehr gut auskenne.

punktrasterplatine ist vorhanden, lötklemmen und lötkenntnisse auch.

das forum ist wirklich top- da wird einem fast immer sofort "qualitativ hochwertig" geholfen :D

EDIT: was ich noch bräuchte, die genauen angaben der p channel mosfets.

vom pollin wäre pracktisch, weil ich da sowieso bestellen muss.

liebe grüße
Borax
Star-Admin
Star-Admin
Beiträge: 12243
Registriert: Mo, 10.09.07, 16:28

Do, 12.03.09, 00:40

Also was die Mindestspannung von RGB_Controllern angeht, kann ich auch nur mutmaßen. IMHO müssten die mit 5V laufen (isb. wenn man noch Mosfets nachschalten will/muss), aber da ich keinen hab, kann ich das nicht testen. Wirklich sicher sagen kann das nur der Hersteller, oder jemand der es selbst getestet hat oder den Schaltplan des Controllers kennt (entweder vom Hersteller oder per Aufschrauben und nachschauen). Wie Sailor schon sagte kann man aber immer (wenn man noch MosFets nachschaltet) zwei Netzteile verwenden. Auf diese Weise kann man auch einen Controller der unbedingt 12V Eingang braucht sinnig mit 4 Pin RGB LEDs verwenden, da man die LEDs über ein 5V (oder 4V) Netzteil betreibt.
Da hier ja der Controller schon da ist, könntest Du ja mal testen wie der sich mit 5V Eingang verhält.
Im folgenden Schaltplan gehe ich jetzt trotzdem mal von einer 12V Versorgung des Controllers aus.Falls das nicht erforderlich ist, kann man den Controller einfach an die 5V Versorgung anschließen, ansonsten sind keine Änderungen erforderlich.
P-Channel Mosfets von Pollin:
http://www.pollin.de/shop/tabelle.php?t ... k=&pg=OA== (der erste in dieser Liste: 2SJ172 - MOS-P-FET). Das Datenblatt (einschließlich Anschlussbelegung, damit klar ist, was wo angelötet werden muss): http://www.pollin.de/shop/downloads/D130847D.PDF
Im meinem Schaltplan sind P-Channel Mosfets vom Typ IRF7343P eingezeichnet. Nicht dran stören, die 2SJ172 passen genauso gut (wenn nicht besser) aber in LTSpice sind keine 'passenderen' vorhanden. Ich hoffe es ist halbwegs verständlich...
RGB_mit_P-Channel_MOSFET2.png
RGB_mit_P-Channel_MOSFET2.png (11.63 KiB) 23179 mal betrachtet
An jeden MosFet können natürlich noch reichlich weitere LED-Vorwiderstand Kombinationen angeschlossen werden. Aber mehr als zwei wollte ich nicht zeichnen...

[EDIT2] Fehler ist korrigiert.
Zuletzt geändert von Borax am So, 15.03.09, 00:03, insgesamt 2-mal geändert.
Benutzeravatar
Ledlight
Mega-User
Mega-User
Beiträge: 122
Registriert: Di, 07.08.07, 22:07
Kontaktdaten:

Do, 12.03.09, 11:32

Hätt mich auch gewundert^^

der schaltplan ist schon halbwegs verständlich, falls noch fragen kommen, werd ich mich melden.

danke und liebe grüße
Borax
Star-Admin
Star-Admin
Beiträge: 12243
Registriert: Mo, 10.09.07, 16:28

Do, 12.03.09, 12:06

Noch was: Ich hab den Link zum RGB-Controller jetzt erst gesehen. Da das ein 'Selbstbau' ist, kannst Du den natürlich mit (stabilisierten!) 5V betreiben. Einfach den 5V Regler (78L05) auslöten, und eine Brücke über dessen Eingang und Ausgang löten. Außerdem die Schutzdiode (1N4004) ebenfalls auslöten und mit einer Drahtbrücke ersetzen. Verpolen darfst Du den Controller danach aber nicht mehr!
Benutzeravatar
Ledlight
Mega-User
Mega-User
Beiträge: 122
Registriert: Di, 07.08.07, 22:07
Kontaktdaten:

Do, 12.03.09, 12:40

okay. aber der 5V regler hat 3 beinchen?

soll ich die äußeren 2 überbrücken?

und was würde passieren wenn ich das teil aus versehen trotzdem verpole?

liebe grüße

ah ja und was genau hat das für einen sinn well ich die 2 teile auslöte überbrücke?
Borax
Star-Admin
Star-Admin
Beiträge: 12243
Registriert: Mo, 10.09.07, 16:28

Do, 12.03.09, 16:17

soll ich die äußeren 2 überbrücken?
Ja. Und zwar NUR die äußeren. Der mittlere Pin ist mit Masse verbunden.
und was würde passieren wenn ich das teil aus versehen trotzdem verpole?
Das würde der µP nicht überleben.
was genau hat das für einen sinn well ich die 2 teile auslöte überbrücke?
Damit der µP auch wirklich 5V bekommt.
Ich hab gerade noch mal in das Datasheet des µPs geschaut. Da der µP mit internem Takt läuft und dieser nur 4 MHz beträgt, kommt der µP auch mit 3-4V aus. Daher kannst du auch die Diode drin lassen (die verbraucht nur etwa 0.6V, sorgt aber für den Verpolungsschutz), der Regler sollte aber auf alle Fälle raus, sonst bleibt zu wenig Spannung übrig, um die Mosfets sauber durchzuschalten. Aber dann nur noch mit stabilen 5-6V betreiben. Wenn Du ohne den Regler 12V anschließt, wird der µP es auch nicht überleben.
Benutzeravatar
Ledlight
Mega-User
Mega-User
Beiträge: 122
Registriert: Di, 07.08.07, 22:07
Kontaktdaten:

Sa, 14.03.09, 19:50

Schon zeit gefunden für den Schaltplan?
Borax
Star-Admin
Star-Admin
Beiträge: 12243
Registriert: Mo, 10.09.07, 16:28

So, 15.03.09, 00:02

Uups, sorry. Aber da Du den Fehler selbst schon erkannt hattest (sind ja nur die drei Pullup-Widerstände 'umzudrehen'), dachte ich, das hat Zeit...
Ist aber jetzt erledigt.
Benutzeravatar
Ledlight
Mega-User
Mega-User
Beiträge: 122
Registriert: Di, 07.08.07, 22:07
Kontaktdaten:

So, 15.03.09, 12:03

Okay, dann dank ich erstmal recht schön!

ergebnisse werden dann sicher gepostet.


wenn noch fragen auftauchen melde ich mich wieder!
Benutzeravatar
Ledlight
Mega-User
Mega-User
Beiträge: 122
Registriert: Di, 07.08.07, 22:07
Kontaktdaten:

So, 05.04.09, 10:15

so ich bins wieder mal.

ich hab am freitag das paket vom pollin bekommen
und wollte den controller umbauen.
hab dann aber gemerkt das ich mit dem schaltplan irgendwie nicht zurecht komme.
anfangs war das logisch für mich, jetzt aber leider nicht mehr.

könnt ihr mir bitte genau sagen was ich wo an welches beinchen anlöten muss?

punktrasterplatine hab ich zu verfügung.

danke mal im voraus.

[EDIT]

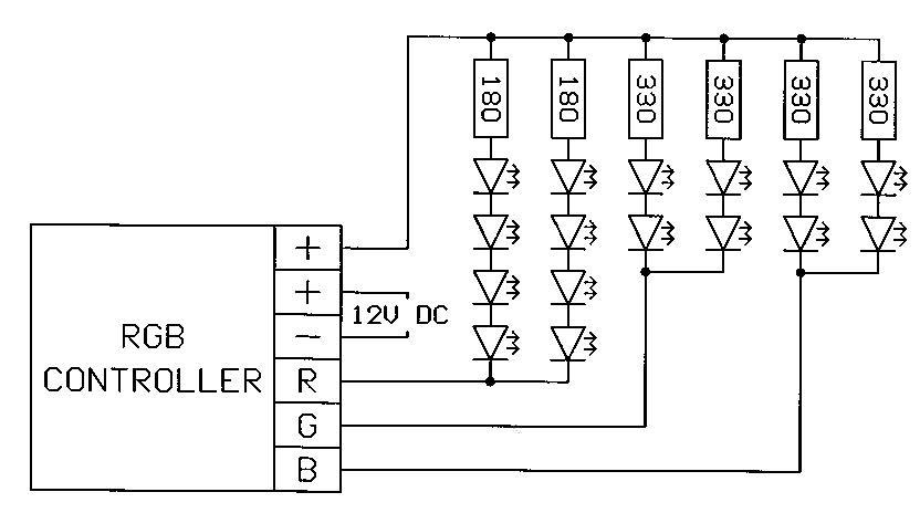
noch etwas kommt mir irgendwie spanisch vor:
laut dem schaltplan werden die RGB ausgänge des controllers mit den widerständen
mit dem pluspol des netzteils verbunden.

laut der grafik vom hersteller sind die RGB ausgänge aber alle - pole.
villeicht gehört das ja auch so- ich kenn mich nicht aus.

lieb wäre echt ne idioten sichere anleitung.
hier noch das bild:
ledwire.jpg
STrallO
Mega-User
Mega-User
Beiträge: 369
Registriert: Di, 16.10.07, 09:43

So, 05.04.09, 20:00

Der Controller hat eine gemeinsame Anode, auch CA (Common Anode) genannt, was sehr verbreitet ist.
Wenn der Hersteller das so angibt wird es seine Richtigkeit haben, es werden also die Minuspole geschaltet.
Benutzeravatar
Ledlight
Mega-User
Mega-User
Beiträge: 122
Registriert: Di, 07.08.07, 22:07
Kontaktdaten:

So, 05.04.09, 20:12

ja, das bezweifle ich auch gar nicht!

mir kommts nur komisch vor das ich die - pole (RGB) vom controller an den pluspol des netzteils anschließe.

die frage ist nur wo ich was anlöten muss!
Benutzeravatar
Ledlight
Mega-User
Mega-User
Beiträge: 122
Registriert: Di, 07.08.07, 22:07
Kontaktdaten:

Mi, 08.04.09, 19:02

keiner ne idee?

ich bräuchts spätestens bis freitag :oops:
Benutzeravatar
dBase
Mega-User
Mega-User
Beiträge: 204
Registriert: Sa, 07.02.09, 14:14

Mi, 08.04.09, 19:21

Wenn Du von den drei 1kOhm Pullup Widerständen R1-R3 oben links sprichst, so kann ich mir vorstellen, dass die dazu da sind, das Gate der FETs wieder auf '1' zu ziehen, wenn der Controller seinen Ausgang öffnet (sodass der Transistor schneller zumacht). In der Schaltung mit den LED's direkt am Controller brauchts die nicht, da die LED einfach nicht leuchten, wenn deren Kathode 'in der Luft' hängen (der Ausgang des Controllers nicht auf Masse liegt).
Hast Du hier wirklich zwei getrennte Speisungen? dann würd' ich fast meinen, die Pullups müssten an den Pluspol, wo auch die FETs dran sind, also an V1.
Benutzeravatar
Ledlight
Mega-User
Mega-User
Beiträge: 122
Registriert: Di, 07.08.07, 22:07
Kontaktdaten:

Mi, 08.04.09, 20:15

Danke für deine antwort.

also ich steuere den controller tatsächlich mit nur einem 5V Netzteil.

da wir draufgekommen sind das der controller auch mit stailisierten 5V läuft wenn ich den 5V regler ausbaue und überbrücke.

das hab ich schon getan, nur weis ich jetzt nicht wie und wo ich die neuen p channel mosfets anbringe.
Benutzeravatar
Ledlight
Mega-User
Mega-User
Beiträge: 122
Registriert: Di, 07.08.07, 22:07
Kontaktdaten:

Do, 09.04.09, 08:31

Für eine hilfreiche Antwort wäre ich wirklich sehr dankbar!

also meine Frage damit klar ist was ich von EUCH brauche:

was muss ich wo aneinander löten damit meine common cathode leds über den controller angesteuert werden?

(Hinweis auf den Schaltplan bringt nichts, da ich nicht weis wie ich den lesen sollte)

ich kanns nur nochmals sagen- ich bin ein absoluter laie und es wär schön wenn ihr mir helfen könntet!
Antworten