LED Cree High Power über KSQ PWM Dimmen Aquarium

Schaltungen, Widerstände, Spannung, Strom, ...

Moderator: T.Hoffmann

strauch
Mini-User
Beiträge: 7
Registriert: Mi, 14.09.16, 13:30

Do, 15.09.16, 13:46

Das eine KSQ, den Strom und nicht die Spannung begrenzt weiß ich. Wie das genau technisch passiert (nicht einfach ein Widerstand), das weiß ich wiederum nicht. Deshalb weiß ich auch nicht, ob ein KSQ z.B. "schaden" nehmen kann wenn ich mit zuviel Volt an den PWM Anschluss gehe.

Aber wenn es darum geht die Volts von LEDs zu addieren. Da steht dann bei manchen 3,5-4,5V. Was ich dann für die Berechnung des KSQs nehmen muss, ist dann auch nicht immer so klar. Manche geben auch noch typ an. Aber auch nicht immer. Oft Frage ich mich, ob halt etwas schaden nehmen kann. Was passiert wenn ich einer LED mal ausversehen zuviel Strom gebe. Sofort kaputt oder gehts ein moment. Naja mehr Erfahrung würde da vermutlich auch helfen oder einfach mal probieren.

Auch mit so Dingen wie OpenCollectorausgängen tu ich mich schwer. Ich finde auch die Erklärungen im Internet oft schwierig. Vielleicht muss ich mal nach einem Buch schauen, was dies der Reihe nach erklärt. Von außen betrachtet ist es auch schwer zu beurteilen, was wie aufeinander aufbaut und was ich mir wo durchlesen muss. hast du vielleicht einen Tipp. Oder ich muss doch noch mal die Kosmoskästen meines Bruder rauskramen und durchgehen.
Borax
Star-Admin
Star-Admin
Beiträge: 12243
Registriert: Mo, 10.09.07, 16:28

Fr, 16.09.16, 15:41

Die Seite Elektronikkompenium finde ich recht gut:
http://www.elektronik-kompendium.de/
...mit so Dingen wie OpenCollectorausgängen...
Ok. Dazu muss man auch erst verstanden haben, wie ein Transistor funktioniert.
Du kannst ja mal hier anfangen:
http://www.elektronik-kompendium.de/sit ... 201291.htm
Dann siehst Du auch, ob Du mit dem Stil klar kommst.
Weiterführend wäre dann:
Transistor als Schalter: http://www.elektronik-kompendium.de/sit ... 208031.htm
und Open-Collector: http://www.elektronik-kompendium.de/sit ... 206121.htm
Oder ich muss doch noch mal die Kosmoskästen meines Bruder rauskramen und durchgehen.
Die sind durchaus brauchbar!
strauch
Mini-User
Beiträge: 7
Registriert: Mi, 14.09.16, 13:30

Mo, 19.09.16, 15:56

Danke für den Link. Ich hab mir da auch mal das Buch bestellt, dann kann ich da auch mal Abends auf dem Sofa lesen.

Grüße

strauch
strauch
Mini-User
Beiträge: 7
Registriert: Mi, 14.09.16, 13:30

Di, 20.09.16, 20:52

Hallo Borax,

Ich hab gerade getestet zu dimmen und es funktioniert wunderbar. Ab 90% gehts Licht aus Ich vermute da sind dann die 10V erreicht. Danke nochmal für deine Hilfe.

Grüsse

Strauch
Borax
Star-Admin
Star-Admin
Beiträge: 12243
Registriert: Mo, 10.09.07, 16:28

Mi, 21.09.16, 08:13

Ab 90% gehts Licht aus Ich vermute da sind dann die 10V erreicht.
Nein. 10V würde ja heißen, dass das Licht 100% an ist. Du verwendest ja gar keine 1-10V, sondern nur die PWM. Die LCM Serie hat aber eine minimale Dimmstufe von ca. 6%. Alles darunter ist 'Aus'. Und diese 6% Minimal sind wohl bei einer 90% Einstellung von Deinem Steuergerät erreicht.
strauch
Mini-User
Beiträge: 7
Registriert: Mi, 14.09.16, 13:30

Mi, 21.09.16, 08:59

Da hast du recht. Der Gedanke kam mir gestern Abend im Bett auch noch, als ich darüber nachgedacht habe wie die Schaltung wohl funktioniert :-). Danke für die "Bestätigung".
jojo2203
Mini-User
Beiträge: 8
Registriert: Do, 06.10.16, 09:18

Do, 06.10.16, 09:35

hallo,

ich habe mich jetzt auch mal an der obigen Schaltung versucht, als Last habe ich derzeit 5 Cree XP G2 R5 dranhängen, die auch leuchten. Allerdings kann ich nicht regeln, ich habe das invertierte Beispiel mit einen 10K und einem BC546 nachgebaut. Und bin nun auf der Fehlersuche. KSQ scheint zu gehen, messe zumindest am Ausgang einen Strom von 695 mA konstant auch wenn ich die Versorgungsspannung variiere. Wenn ich den DIM und den DC- pol der KSQ verbinde gehen die LEDS aber nicht komplett aus sondern werden ca. auf den halben Lichtstrom gedimmt.

Ich habe mal die Schaltung so wie von Borax in einem vorherigen Beitrag beschrieben vermessen und komme auf andere Werte. Ich habe die beitrag von Borax mal kopiert und meine eigenen gemessenen Werte farbig eingefügt.

Zitat von Borax "Sprich wenn das orange Kabel 'in der Luft hängt', müsst die KSQ abschalten. Du kannst an den Anschlüssen auch mal die Spannung messen. Zwischen dem (nicht angeschlossenen!) orangen Kabel und dem braunen Kabel müssten es etwa 0.6-0.8V (3 V) sein. Und weil der Transistor dann durch schalten sollte, müssten daher zwischen dem braunen Kabel und dem blauen Kabel weniger als 0.2V (0,9 V) anliegen. Wenn dann das orange Kabel dagegen mit dem brauen Kabel verbunden wird, müsste zwischen dem blauen Kabel und dem braunen Kabel dann etwa 1.5-2.5V (0,9 V) anliegen."

Könnt Ihr mir einen Tip geben woran es liegen könnte? Ich versorge die Schaltung derzeit mit 2 Labornetzteilen einmal DC in mit 24 V und ein zweites Netzteil zur Regelung von 0-20 V.
Borax
Star-Admin
Star-Admin
Beiträge: 12243
Registriert: Mo, 10.09.07, 16:28

Do, 06.10.16, 11:07

Hallo jojo2203,
welcome on board!

Können wir bitte erst mal die 'Rahmenbedingungen' klären? Welche KSQ? Welcher Regler?
ich habe das invertierte Beispiel mit einen 10K und einem BC546 nachgebaut.
Und
ch habe mal die Schaltung so wie von Borax in einem vorherigen Beitrag beschrieben vermessen
Welche Beiträge? Ich will nicht alle 100 Beiträge durch suchen... Was ist an dem BC546 Transistor angeschlossen?
Schaltet die KSQ ab, wenn ihre Dimm-Eingänge verbunden werden?
jojo2203
Mini-User
Beiträge: 8
Registriert: Do, 06.10.16, 09:18

Do, 06.10.16, 12:16

Regler? welcher Regler, ich beziehe mich auf die Schaltung welche hier vorgestellt wurde:
download/file.php?id=26235&t=1

KSQ habe ich folgende: Anvilex CCS2 750 mA

Wenn ich DIM und DC in auf der KSQ verbinde geht die LED Kette nicht komplett aus sondern wir ca. um die Hälfte dunkler.

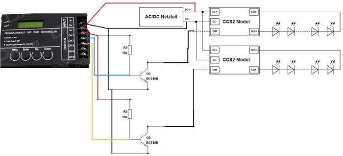
Am BC546B hängen DC in der KSQ, !0K Widerstand weiter zu pos. Pol Labornetzteil und neg. Pol Labornetzteil (später TC420) und DIM Eingang der KSQ, siehe auch angehangenes Bild
Schaltung KSQ+TC420+Steuerung.jpg
MfG jojo
Borax
Star-Admin
Star-Admin
Beiträge: 12243
Registriert: Mo, 10.09.07, 16:28

Do, 06.10.16, 14:22

Wenn ich DIM und DC in auf der KSQ verbinde geht die LED Kette nicht komplett aus sondern wir ca. um die Hälfte dunkler.
Dann stimmt was nicht. Meintest Du mit DC in +24V? Dann ist der Dimm-Eingang schon 'Schrott' (der verträgt nur maximal 2.5V). Wenn Dim mit DC in - verbunden ist, muss die LED Kette komplett aus gehen. Sonst ist der Dimm-Eingang kaputt.
Wegen der Schaltung: Für mich sieht das so aus, als ob vom 0-20V Netzteil der Minus-Pol über die 10K mit dem Plus-Pol des 0-20V Netzteils verbunden wäre (und mit der Basis des Transistors). Das wäre komplett falsch. Der Minus-Pol des 0-20V Netzteils ist direkt mit dem DC in - der KSQ verbunden, der Plus-Pol des 0-20V Netzteils geht über den 10K Widerstand an die Basis des Transistors (und sonst nirgends hin). Dann sollte sich dieses Verhalten ergeben: 0-20V Netzteil auf mehr als ca. 1V => Licht aus, 0-20V Netzteil auf weniger als etwa 0.5V => Licht an. Regeln lässt sich so eher nichts. Der Ausgang des TC420 erzeugtt nur eine PWM, keine geregelte Spannung. Und wie wir ja jetzt mehrfach festgestellt haben: Der Transistor ist nicht nötig. Außer es darf kein invertiertes Signal sein.
jojo2203
Mini-User
Beiträge: 8
Registriert: Do, 06.10.16, 09:18

Fr, 07.10.16, 09:56

Hallo,

Danke für die Antwort. habe es ausprobiert mit dem neg. Pol an der 24V Versorgung, die KSQ ging zum Glück noch. Allerdings war die Regelmöglichkeit recht bescheiden, wie ja schon angekündigt. Werde jetzt wahrscheinlich auf eine andere Möglichkeit zurückgreifen 8 XP-G2 R5 in Reihe an die 24 V Versorgung und dann per TC420 direkt regeln. 8*3 V = 24 V wären dann 100% und 8*2,6 V = 20,8 V wären dann 87 %. Habe gesehen Sie fangen bei 2,6 V an zu leuchten. das wären dann effektiv 13% Regelmöglichkeit oder eben 13 Schritte an dem TC420. Das ist nicht berauschend aber würde mir reichen. Vorraussetzung wäre die Spannung am Kanalausgang des TC420 verhält sich linear, das müßte ich noch überprüfen.

MfG jojo
Borax
Star-Admin
Star-Admin
Beiträge: 12243
Registriert: Mo, 10.09.07, 16:28

Fr, 07.10.16, 11:54

Vorraussetzung wäre die Spannung am Kanalausgang des TC420 verhält sich linear, das müßte ich noch überprüfen.
Nein. Die Spannung am Kanalausgang des TC420 ist immer identisch mit der Eingangsspannung (also hier 24V). ABER Diese Spannung wird nur x % der Zeit eingeschaltet. Siehe PWM: https://de.wikipedia.org/wiki/Pulsweitenmodulation
Allerdings war die Regelmöglichkeit recht bescheiden, wie ja schon angekündigt.
Du hast es nicht verstanden... Die Regelung erfolgt NICHT über die Spannung. Sondern über das Ein/Aus Verhältnis. Wenn Du es 'richtig' anschließen würdest (im Prinzip so: viewtopic.php?p=201551#p201551 ) dann würde auch die Regelung funktionieren.
8 XP-G2 R5 in Reihe an die 24 V Versorgung und dann per TC420 direkt regeln.
Das solltest Du nicht tun! Es kann gut sein, dass die 8 XP-G2 R5 in Reihe dann schon zu viel Strom bekommen (insbesondere wenn sie warm gelaufen sind). Deshalt verwendet man ja bei High-Power LEDs eine KSQ und eben keine Konstantspannung.
jojo2203
Mini-User
Beiträge: 8
Registriert: Do, 06.10.16, 09:18

Fr, 07.10.16, 12:34

OK ich hoffe ich habs jetzt so einigermassen verstanden, was ich mich frage gibt es den Schaltplan der funktioniert mit konkreten Bauelementen irgendwo zum nachbauen? scheinen ja einige Widerstände, ein Transistor und ein IC draufzusein oder ferig zu kaufen als Selbstbauprojekt oder komplett fertig?

Eine zweite Frage noch: wieso funktioniert die Dimmung von LED Stripes dann, soweit ich weiss bestehen die Stripes doch aus 3 Einzel LEDs in Reihenschaltung mit einem Vorwiderstand.

MfG jojo
jojo2203
Mini-User
Beiträge: 8
Registriert: Do, 06.10.16, 09:18

Fr, 07.10.16, 13:02

habe gerade mal google befragt. von Mean Well scheint es ja per PWM steuerbare KSQ zugeben, konkret die LDD-700L. Würde das funktionieren also TC420 an Mean Well + LED Strang, ohne weitere Widerstände, Transsistoren etc.

MfG jojo
Borax
Star-Admin
Star-Admin
Beiträge: 12243
Registriert: Mo, 10.09.07, 16:28

Fr, 07.10.16, 13:37

von Mean Well scheint es ja per PWM steuerbare KSQ zugeben
Ja. Ist aber nichts anderes als die Anvilex KSQs. Auch die sind PWM steuerbar.
Fangen wir mal anders an...
Was hast Du vor?
Was sind die Ausgangsbedingungen?
Steuergerät = TC420 (oder hast Du das noch gar nicht weil auf dem einen Bild steht: später Ausgang TC420)?
KSQ = Anvilex CCS2 750 mA (die anscheinend noch geht... also ohne irgendwas am Dimm-Anschluss => volles Licht; Dimm-Anschluss mit DC in - verbunden => Licht aus).
Netzteil 24V
Ein LED Strang aus 5 Cree XP G2 R5
Noch andere LEDs? Stripes oder was auch immer?

Stimmt das so?
Falls ja, dann bau es doch mal so auf wie im Beitrag hier: viewtopic.php?p=201551#p201551 erklärt. Das funktioniert und braucht keine zusätzlichen Bauteile. Oder stört es Dich wenn das Signal invertiert ist?
[Edit]
Noch mal also neues Bild:
TC420_an Anvilex-KSQ4.jpg
Am V+ Output des TC420 wird nichts angeschlossen!
Eine zweite Frage noch: wieso funktioniert die Dimmung von LED Stripes dann, soweit ich weiss bestehen die Stripes doch aus 3 Einzel LEDs in Reihenschaltung mit einem Vorwiderstand.
Genau weil es (kleine) Einzel-LEDs in Reihenschaltung mit einem Vorwiderstand sind. Die werden mit einer konstanten Spannung betrieben (12V oder 24V - bei 24V sind es 7 in Reihe). Damit die LEDs nicht zu viel Strom bekommen ist der Vorwiderstand da. Die Steuerung macht dann auch nichts anderes als die LEDs in schneller Folge ein und aus zu schalten. Je nachdem wie lange sie an oder aus sind, sieht das eben unterschiedlich gedimmt aus. High-Power LEDs werden nicht mit Vorwiderstand betrieben sondern mit einer KSQ. In diesem Fall muss eben die PWM am Dimm-Eingang angelegt werden.
jojo2203
Mini-User
Beiträge: 8
Registriert: Do, 06.10.16, 09:18

Fr, 07.10.16, 14:57

ich habe den TC420 schon da, bisher läuft er mit 1 LED stripe kaltweiss 24 V an kanal 2 und an kanal 3-5 je eine Farbe eines 24 V RGB stripe. Kanal 1 scheint defekt zu sein, habe das teil gebraucht gekauft, reicht mir aber auch so aus. Nun hätte ich gern eine "kältere" beleuchtung, der weisse stripe ist obwohl als kaltweiss gekauft doch sehr gelbstichig. außerdem möchte ich gern eine mehr punktuelle ausleuchtung, keine flächige ausleuchtung wie nun mal mit einem stripe. deshalb die Überlegung auf kanal 2 eine entsprechende Anzahl High Power Leds und auf kanal 3-5 den RGB Stripe so lassen, für Sonnenaufgang und -untergang.

Invertierung stört mich nicht.

habe heute nochmal mit der Anvilex KSQ probiert, ich kann einen Strom von 685 mA messen, deshalb meine Aussage die KSQ geht. aber wenn ich DC in - mit DIM verbinde geht die Kette aus Highpower LEDs nicht aus sondern wird nur dunkler. Kann es sein das die Regelung defekt geht und die restliche KSO noch funktioniert?

dann müßte ich mir nochmal eine neue KSQ besorgen

MfG jojo
Benutzeravatar
Achim H
Star-Admin
Star-Admin
Beiträge: 13067
Registriert: Mi, 14.11.07, 02:14
Wohnort: Herdecke (NRW)
Kontaktdaten:

Fr, 07.10.16, 15:06

Nochmals zum Verständnis:
Der Dim-Eingang ist nur für Spannungen bis max. 2,5V ausgelegt und darf daher nicht an die Versorgungsspannung (24V) angeklemmt werden. Falls nicht bereits geschehen, wird der DIM-Eingang dadurch zerstört.

Siehe auch diese Antwort von Borax: viewtopic.php?f=23&t=21319&start=100#p205738
Borax
Star-Admin
Star-Admin
Beiträge: 12243
Registriert: Mo, 10.09.07, 16:28

Fr, 07.10.16, 15:10

aber wenn ich DC in - mit DIM verbinde geht die Kette aus Highpower LEDs nicht aus sondern wird nur dunkler. Kann es sein das die Regelung defekt geht und die restliche KSO noch funktioniert?
Ja. Dann ist (nur) der Dimm-Eingang kaputt. In diesem Fall brauchst Du eine neue KSQ. Ob Anvilex oder Meanwell LDD ist egal.
jojo2203
Mini-User
Beiträge: 8
Registriert: Do, 06.10.16, 09:18

Fr, 07.10.16, 15:22

na da werde ich mal schauen ob ich möglichst schnell noch eine bekomme, aber eine frage bleibt mir noch - der TC420 gibt ja an dem kanal 2 - ausgang 24 V aus, wenn auch getaktet, aber die DIM eingänge auf den KSQ s vertragen nur 2,5 V (Anvilex) bzw. etwas mehr 5-6 V bei Meanwell. Wie passt das?

MfG jojo
Borax
Star-Admin
Star-Admin
Beiträge: 12243
Registriert: Mo, 10.09.07, 16:28

Fr, 07.10.16, 15:34

der TC420 gibt ja an dem kanal 2 - ausgang 24 V aus
Nein. Tut er nicht. Er gibt am V+ Output 24V aus (wenn 24V auch am Eingang hängen). Die Ausgangskanäle sind entweder hochohmig oder mit V- (also 0V) verbunden (Prinzip des Open Kollektor Ausgangs). Darum musst Du ja Deine Stripes zwischen V+ Output (+Pol) und Ausgangskanal (-Pol) anschließen und nicht zwischen Ausgangskanal und V- (0V).
Genau das war Oscars Idee hier: viewtopic.php?p=201517#p201517

Es wird also nur der Schalt-Transistor des TC420 verwendet um den Dimm-Eingang der KSQ entweder mit V- (also 0V) zu verbinden (dann ist die KSQ aus) oder eben hochohmig (quasi mit 'nichts') zu verbinden (dann ist die KSQ voll an). Zu keinem Zeitpunkt liegt am Ausgangskanal des TC420 irgendeine Spannung an (außer derjenigen vom Dimm EINGANG der KSQ selbst).
Du kannst auch einfach mal nachmessen was Du für eine Spannung zwischen einem Ausgangskanal und V- am TC420 messen kannst (es darf außer dem Messgerät natürlich nichts anderes am Ausgangskanal des TC420 angeschlossen sein).
jojo2203
Mini-User
Beiträge: 8
Registriert: Do, 06.10.16, 09:18

Fr, 07.10.16, 16:15

gibt es für den geschilderten anwendungsfall eigentlich einen unterschied zwischen ccs2 und ccs3 von anvilex? ccs3 kommt ja nur bis 11 V runter aber da liege ich ja mit meiner minimalspannung der leds noch drüber. ich könnte eine ccs3 mit 1100 ma nehmen, wäre billiger und ich könnte etwas mehr licht generieren wenn ich es denn mal bräuchte, ok der led wirkungsgrad geht natürlich runter.

mfg jojo
reimundko
User
User
Beiträge: 11
Registriert: Fr, 29.11.13, 17:39

Di, 08.11.16, 16:28

Habe da auch mal eine Frage.
Habe ein TC4200.
An Plus und Mins ist ein 12 Volt Netzteil angeschlossen.
Kanal 1 und 2 jeweils ein LED Stripes von 50 cm.

Nun habe ich noch 6 Cree LED auf Starplatine.
Diese möchte ich mit einem 28 Volt 30 A Netzteil betreiben.
Das Netzteil ist an einem LDD700l angeschlossen.
Dort sind dann die LEDs in Reihe geschaltet.

Kann ich nun den DIM Eingang mit dem Kanal 5 des TC420 verbinden ?

Das Netzteil vom Cree mit minus an dem TC420, Dim an Kanal 5 ?
Borax
Star-Admin
Star-Admin
Beiträge: 12243
Registriert: Mo, 10.09.07, 16:28

Di, 08.11.16, 16:43

Ja.
reimundko
User
User
Beiträge: 11
Registriert: Fr, 29.11.13, 17:39

Di, 08.11.16, 19:20

Hmmmm, weil ich im anderen Forum das bekommen habe
Nachteil: LDD und LDH:
Da müsstest du die DIM Anschlüsse intern vor den Mosfest am TC420 anschließen. Da die nur bis 5 bzw. 8V am Dim Eingang haben wollen du aber bei 12V bist.

Es sollte nur mit einem LCM laufen. Das macht mich jetzt stutzig
Borax
Star-Admin
Star-Admin
Beiträge: 12243
Registriert: Mo, 10.09.07, 16:28

Mi, 09.11.16, 11:32

Was soll ich jetzt sagen? Mach ein ausführliches genaues Bild, was Du bisher wo wie angeschlossen hast und wie Du es mit der LDD700 in Zukunft anschließen willst. Dann sage ich Dir geht oder geht nicht.
Antworten