einzelne LEDs nacheinander über BM anschalten

Unterbodenbeleuchtung, Pimp my room, usw.

Moderator: T.Hoffmann

Antworten
kristin
User
User
Beiträge: 10
Registriert: So, 22.11.09, 12:01

So, 22.11.09, 12:18

Hallo,

bei der Suche konnte ich leider nichts finden, was mir weiterhilft.
Zuerst der "Plan": 6,70 m langer Flur soll als "Pantoffelleuchte" mit LED-Fußleisten ausgestattet werden. Dazu habe ich eine 66er LED Leiste mit entsprechendem Netzteil da. ich wollte die Leiste in 3er-LEDs teilen und dann alle ca 30 cm so ein 3er-Licht auf einen Kabelkanal kleben, die Kabel zur Verbindung durch den Kanal führen und das ganze dann übers Netzteil an 230V über einen Bewegunsmelder anschließen. Nun fänden wirs aber geil, wenn die LEDs jeweils nur in dem Bereich an gehen, in dem man läuft (so ähnlich wie Landebahn aufm Flughafen).
Jetzt zu meiner Frage: ginge das nur, wenn ich jedes 3er-Päckchen an ein separates Netzteil und einen separaten Bewegungsmelder anschließe? Wenn ja, gibt es ganz kleine Bewegungsmelder, die mit auf den Kabelkanal passen?
Als zweite Alternative schwebt mir vor, dass die LEDs alle nacheinander angehen sobald der Bewegungsmelder schaltet, meine Elektrotechnikvorlesungen sind aber zu lange her, um die Schlatung selbst zu realisieren. Hat evt. jmd. ein paar hilfreiche Tips für mich?

Danke schon im Vorraus für eure Mühe
Kristin
kristin
User
User
Beiträge: 10
Registriert: So, 22.11.09, 12:01

Mo, 23.11.09, 10:59

hmmm... keiner... schade :-(
Borax
Star-Admin
Star-Admin
Beiträge: 12243
Registriert: Mo, 10.09.07, 16:28

Mo, 23.11.09, 11:43

Nicht gleich aufgeben... Manchmal dauert eine Antwort auch mal mehr als einen Tag!
ginge das nur, wenn ich jedes 3er-Päckchen an ein separates Netzteil und einen separaten Bewegungsmelder anschließe?
Nein. Aber es hängt eben von den Bewegungsmeldern ab, wie man das verschalten kann/muss.
Das einzige, was mir hierzu einfällt wäre so was:
http://www.pollin.de/shop/dt/NDg0ODY0OT ... elder.html
Die Dinger sind sowieso Batteriebetrieben, daher könnte man einfach die Stromversorgung über ein Netzteil (5V!) realisieren und falls die Lichtstärke zu gering ist (wovon ich ausgehen würde), per Transistor noch ein 3er-Päckchen dazuschalten. Ob diese Module in Deinen Kabelkanal reinpassen, oder ob man den Bewegungsmelder ausbauen und dann 'nackt' in den Kabelkanal einbauen kann, weiß ich natürlich ach nicht, da ich weder die Abmessungen des Kabelkanals noch diejenigen der Bewegungsmeldermodule kenne.
kristin
User
User
Beiträge: 10
Registriert: So, 22.11.09, 12:01

Mo, 23.11.09, 22:02

mhmmm... nich so dass, was ich mir vorstelle. die pir bewegungsmelder gibts ja auch separat, wäre dann wohl die günstigste Variante... ma sehn,

andere Frage: wie krieg ich denn meine Lötstellen wasserdicht??? Fällt mir zum Thema Putzen noch ein.
Benutzeravatar
Achim H
Star-Admin
Star-Admin
Beiträge: 13067
Registriert: Mi, 14.11.07, 02:14
Wohnort: Herdecke (NRW)
Kontaktdaten:

Mo, 23.11.09, 22:17

wie krieg ich denn meine Lötstellen wasserdicht???
Ein Fragezeichen reicht!

Plastikspray, Lack, hinter einem Schutz (z. B.: Plexiglas) verbauen, ...
O.Mueller
Moderator
Beiträge: 4089
Registriert: Do, 23.02.06, 15:08
Wohnort: Südbaden
Kontaktdaten:

Di, 24.11.09, 15:28

man kann auch unseren Lötverbinder verwenden. Oder nen einfachen Schrumpfschlauch wie diesen verwenden, wenns nur um die Löstellen geht. Ich rate allerdings auch davon ab, den Flur unter Wasser zu setzen. :wink:
kristin
User
User
Beiträge: 10
Registriert: So, 22.11.09, 12:01

Do, 26.11.09, 10:44

Okay, Lötverbinder gefällt mir, diese Lösung wirds wohl werden.

Ich entschuldige mich nochmals in aller Form für die inflationäre Verwendung der Fragezeichen. Es wird nicht wieder vorkommen. ;-)
kristin
User
User
Beiträge: 10
Registriert: So, 22.11.09, 12:01

Sa, 28.11.09, 13:18

so, zurück zum eigentlichen Prob: wie bekomme ich es hin, dass nicht alle LEDs gleichzeitig angehen, sondern nacheinander im Abstand von etwa 0,1s?
Benutzeravatar
Beatbuzzer
Auserwählter
Auserwählter
Beiträge: 3177
Registriert: Fr, 17.08.07, 11:02
Wohnort: Alfeld / Niedersachsen
Kontaktdaten:

Sa, 28.11.09, 13:26

Bevor du mit Mikrocontrollern erschlagen wirst, will ich dir nochmal eine andere Variante unterbreiten :)

Man könnte für jede LED-Gruppe, welche separat angehen soll, eine Verzögerungsschaltung aus einem RC-Glied und einem Transistor bauen.
Die ersten gingen sofort an. Kurz darauf schaltet die erste Verzögerungsschaltung weiter und die nächsten LEDs gehen an. Wieder kurze Zeit später schaltet die nächste Verzögerungsschaltung weiter usw.

Wie sollen sie denn ausgehen? Alle gleichzeitig oder ebenfalls nacheinander, also mit Ausschaltverzögerung?
kristin
User
User
Beiträge: 10
Registriert: So, 22.11.09, 12:01

Sa, 28.11.09, 20:59

ja, genau so hab ichs mir vorgestellt... das ausgehen ist mir eigentlich fast wurst, allerdings wäre nacheinander schon geiler...
Benutzeravatar
Beatbuzzer
Auserwählter
Auserwählter
Beiträge: 3177
Registriert: Fr, 17.08.07, 11:02
Wohnort: Alfeld / Niedersachsen
Kontaktdaten:

Sa, 28.11.09, 21:49

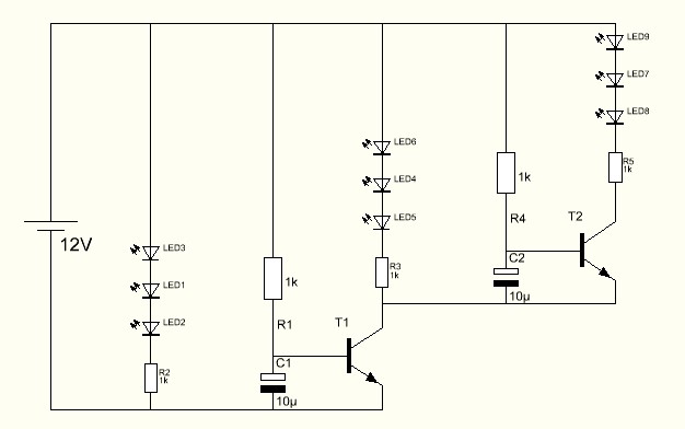
Ich hab mal einen beispielhaften Plan gemacht. Die LED-Reihe an der Betriebsspannung geht direkt an, die Reihe über dem ersten Transistor geht kurz darauf an. Die LED-Reihe über dem zweiten Transistor kurz danach.

Nach dem Prinzip lassen sich immer weitere Schaltungen addieren, bis die gewünschte Anzahl erreicht ist.
Die genaue Auswahl der Bauteile muss allerdings noch geklärt werden.
Die hängen von der Verzögerungszeit und der maximalen Anzahl an Stufen ab.
Kopie vonUnbenannt.jpg
Kopie vonUnbenannt.jpg (24.79 KiB) 7505 mal betrachtet
kristin
User
User
Beiträge: 10
Registriert: So, 22.11.09, 12:01

Sa, 28.11.09, 22:26

ein traum, danke...

bei den led-strips sind ja schon vorwiderstände integriert, stimmts?
Benutzeravatar
Sailor
Moderator
Beiträge: 9427
Registriert: Di, 28.11.06, 22:16
Wohnort: Saarland, Deutschland und die Welt

Sa, 28.11.09, 22:43

Ja, für 12 Volt Betrieb.
kristin
User
User
Beiträge: 10
Registriert: So, 22.11.09, 12:01

So, 29.11.09, 17:18

Also bei einer Gehgeschwindigkeit von 1,4m/s müßten alle 22 er-Gruppen nach 5 s angeschaltet sein. Da mein Sohn ja da gern flitzt, würd ich mal sagen, ich will, dass die nach 2s an sind...

Tau kann ich ja noch berechnen, aber beim Rest bin ich aufgeschmissen....
Antworten