Hilfe für einen blutigen Anfänger bei einem LED Panel
Moderator: T.Hoffmann
Einen Wunderschönen guten Abend miteinander.
Mein Projekt:
Erstellen eines LED Panels.
Mein Problem: Fast bis keinerlei Ahnung in diesem Genre.
Meine Bitte: Mir unterstützend unter die Arme zu greifen.
Die vorhandenen Bauteile (wenn ich welche dazubestellen muss ist dass kein Problem).
6 x LEDs aus der CREE XR-C 7090 Serie:
3 x CREE XR-C 7090 Emitter ( Rot ) (Cree XRCRED-L1-R2-M0)
Kenndaten:
mA test.: 350 mA
mA typ.: 350 mA
mA max.: 700 mA
V typ.: 2.2 V
V max.: 2,5 V
Watt: 0,77 W
---------------------------------------
3 x CREE XR-C 7090 Emitter ( Königsblau ) (Cree XRCROY-L1-D5-13-0-01=
Kenndaten:
mW min.: 300 mW
mA test.: 350 mA
mA typ.: 350 mA
mA max.: 700 mA
V typ.: 3.5 V
V max.: 4.0 V
Watt: 1,23 W
---------------------------------------
10 x LEDS Mini LED 0603 (Tief Rot )
Kenndaten:
IF = 20mA
Typ = 1,7
Vorwärtsspannung 1,8 V
---------------------------------------
10 x LEDS 0802 (Tief Blau)
Kenndaten:
IF = 20mA
Typ = 3,3
Vorwärtsspannung 3,5 V
--------------------------------------
1 x Dimmer für LEDs
Technische Daten:
* Betriebsspannung: min. 5V bis 30V DC maximal
* Eingang: verpolgeschützt bis max. 40V
* Nahezu stufenloses dimmen (in 256 Schritten)
* Ausgangsstrom: bis 3000mA
* Dimmbereich: 0 bis 100 % in 256 Stufen digital
* Drop: wenige Millivolt je nach Belastung
* Schaltfrequenz: 2500Hz (geeignet für Foto, Video,usw.)
* Umschaltung: Jumper zum Invertieren (für Konstantstromquellen u. ä. Schaltungen)
* Ausgang PWM: zur Steuerung externer Module und Schaltungen mit TTL-Pegel, MSModule usw.
* Anschluss: Lötfreier Anschluss über Schraubklemmen mit Drahtschutz. Anschlusshilfe siehe Datenblatt & Downloads.
* Für den Anschluss an den Minuspol von LED-Leisten usw.
* Abmessungen: 20mm (B) x 38mm (L) x 25mm (H) (ohne Einstellregler)
* Reglerachse: 4mm Durchmesser
* Bohrung: 6mm Durchmesser für den Regler.
* Die Achse des Reglers kann passend gekürzt werden.
-----------------------------------------------------------------------
und beliebig viele Kippschalter.
--------------------------------------------------------------------------------------------------------------------------------------------------------------
Die Funktion des Panels: (Laut meiner Vorstellung, wenn dass nicht realisierbar ist auch überhaupt kein Problem dann schlagt ihr was vor)
1. Das Panels soll es ermöglichen alle LEDS leuchten zu lassen, d.h ( Alle Roten und Alle Blauen LEDs
diese sollen Dimmbar sein.
2. es sollen per Kippschalter die einzelnen Farben ein und ausgeschaltet werden können
(dass heisst entweder Rote an und Blaue aus oder andersrum)
diese sollen auch dimmbar sein, wenn es geht mit ein und dem selben Dimmer. siehe 1..
--------------------------------------------------------------------------------------------------------------------------------------------------------------
Ich weiss ich habe euch hier eine Riesen Aufgabe gestellt habe aber die Hoffnung nicht aufgegeben dass irgendeiner ne findige Idee hat dass hier zu realisieren.
mit freundlichen grüßen
LowWater
------------------------------------------------------------------------------------------------------------------------------------------------------------
PS. da ich keinerlei Ahnung habe welches Netzteil ich hierfür verwenden soll wäre ich auch hier für einen Ratschlag sehr dankbar.
Habe mal ein bisschen im Shop gestöbert... glaubt ihr dass es mit diesem Netzteil funktionieren könnte?
http://www.leds.de/p206/Zubehoer/Strom_ ... A_24V.html
oder ist dieses hier auch möglich:
http://www.leds.de/p559/Zubehoer/Strom ... _IP20.html
------------------------------------------------------------------------------------------------------------------------------------------------------------
Edit:
Um euch möglichst viele Informationen zu geben werde ich einige Informationen dazuposten,
Die LEDS wollte/werde ich auf eine Spanplatte schrauben, dass heisst ich habe unendlich viel platz Da die Größe des Panels irrelevant ist.
Hier einmal ein Bild ( Keihne Ahnung ob ihr diese Skizzen überhaupt braucht, aber ich versuche euch so gut wie möglich mit meinem begrenztem Wissen zu Helfen.)
-------------------------------------------------------------------------------------------------------------------------------------------------------------
Also ich habe mal mich ein bisschen durchgelesen und begonnen zu rechnen
Grund meiner Berechnung.
Ich habe vor 4 Reihenschaltungen paralell zu schalten ....
1 Reihe ( Die 10 LEDS (Tief Rot)
2 Reihe ( Die 10 LEDS (Tief Blau)
3 Reihe ( Die 3 Cree (Blau)
4 Reihe (Die 3 Cree (Rot)
--------------------------------------
1 Reihe:
10 x 1,8 V = 18 V
2 Reihe:
10 x 3,5 V = 35 V
3 Reihe:
3 x 4 V = 12V
4 Reihe:
3 x 2,5 V = 7,5 V
Dass heisst ich muss meine Paralellschaltung mit max 35 V betreiben ? ... also bei der Berechnung bin Ich mir Überhaupt nicht Sicher...
Mein Projekt:
Erstellen eines LED Panels.
Mein Problem: Fast bis keinerlei Ahnung in diesem Genre.
Meine Bitte: Mir unterstützend unter die Arme zu greifen.
Die vorhandenen Bauteile (wenn ich welche dazubestellen muss ist dass kein Problem).
6 x LEDs aus der CREE XR-C 7090 Serie:
3 x CREE XR-C 7090 Emitter ( Rot ) (Cree XRCRED-L1-R2-M0)
Kenndaten:
mA test.: 350 mA
mA typ.: 350 mA
mA max.: 700 mA
V typ.: 2.2 V
V max.: 2,5 V
Watt: 0,77 W
---------------------------------------
3 x CREE XR-C 7090 Emitter ( Königsblau ) (Cree XRCROY-L1-D5-13-0-01=
Kenndaten:
mW min.: 300 mW
mA test.: 350 mA
mA typ.: 350 mA
mA max.: 700 mA
V typ.: 3.5 V
V max.: 4.0 V
Watt: 1,23 W
---------------------------------------
10 x LEDS Mini LED 0603 (Tief Rot )
Kenndaten:
IF = 20mA
Typ = 1,7
Vorwärtsspannung 1,8 V
---------------------------------------
10 x LEDS 0802 (Tief Blau)
Kenndaten:
IF = 20mA
Typ = 3,3
Vorwärtsspannung 3,5 V
--------------------------------------
1 x Dimmer für LEDs
Technische Daten:
* Betriebsspannung: min. 5V bis 30V DC maximal
* Eingang: verpolgeschützt bis max. 40V
* Nahezu stufenloses dimmen (in 256 Schritten)
* Ausgangsstrom: bis 3000mA
* Dimmbereich: 0 bis 100 % in 256 Stufen digital
* Drop: wenige Millivolt je nach Belastung
* Schaltfrequenz: 2500Hz (geeignet für Foto, Video,usw.)
* Umschaltung: Jumper zum Invertieren (für Konstantstromquellen u. ä. Schaltungen)
* Ausgang PWM: zur Steuerung externer Module und Schaltungen mit TTL-Pegel, MSModule usw.
* Anschluss: Lötfreier Anschluss über Schraubklemmen mit Drahtschutz. Anschlusshilfe siehe Datenblatt & Downloads.
* Für den Anschluss an den Minuspol von LED-Leisten usw.
* Abmessungen: 20mm (B) x 38mm (L) x 25mm (H) (ohne Einstellregler)
* Reglerachse: 4mm Durchmesser
* Bohrung: 6mm Durchmesser für den Regler.
* Die Achse des Reglers kann passend gekürzt werden.
-----------------------------------------------------------------------
und beliebig viele Kippschalter.
--------------------------------------------------------------------------------------------------------------------------------------------------------------
Die Funktion des Panels: (Laut meiner Vorstellung, wenn dass nicht realisierbar ist auch überhaupt kein Problem dann schlagt ihr was vor)
1. Das Panels soll es ermöglichen alle LEDS leuchten zu lassen, d.h ( Alle Roten und Alle Blauen LEDs
diese sollen Dimmbar sein.
2. es sollen per Kippschalter die einzelnen Farben ein und ausgeschaltet werden können
(dass heisst entweder Rote an und Blaue aus oder andersrum)
diese sollen auch dimmbar sein, wenn es geht mit ein und dem selben Dimmer. siehe 1..
--------------------------------------------------------------------------------------------------------------------------------------------------------------
Ich weiss ich habe euch hier eine Riesen Aufgabe gestellt habe aber die Hoffnung nicht aufgegeben dass irgendeiner ne findige Idee hat dass hier zu realisieren.
mit freundlichen grüßen
LowWater
------------------------------------------------------------------------------------------------------------------------------------------------------------
PS. da ich keinerlei Ahnung habe welches Netzteil ich hierfür verwenden soll wäre ich auch hier für einen Ratschlag sehr dankbar.
Habe mal ein bisschen im Shop gestöbert... glaubt ihr dass es mit diesem Netzteil funktionieren könnte?
http://www.leds.de/p206/Zubehoer/Strom_ ... A_24V.html
oder ist dieses hier auch möglich:
http://www.leds.de/p559/Zubehoer/Strom ... _IP20.html
------------------------------------------------------------------------------------------------------------------------------------------------------------
Edit:
Um euch möglichst viele Informationen zu geben werde ich einige Informationen dazuposten,
Die LEDS wollte/werde ich auf eine Spanplatte schrauben, dass heisst ich habe unendlich viel platz Da die Größe des Panels irrelevant ist.
Hier einmal ein Bild ( Keihne Ahnung ob ihr diese Skizzen überhaupt braucht, aber ich versuche euch so gut wie möglich mit meinem begrenztem Wissen zu Helfen.)
-------------------------------------------------------------------------------------------------------------------------------------------------------------
Also ich habe mal mich ein bisschen durchgelesen und begonnen zu rechnen
Grund meiner Berechnung.
Ich habe vor 4 Reihenschaltungen paralell zu schalten ....
1 Reihe ( Die 10 LEDS (Tief Rot)
2 Reihe ( Die 10 LEDS (Tief Blau)
3 Reihe ( Die 3 Cree (Blau)
4 Reihe (Die 3 Cree (Rot)
--------------------------------------
1 Reihe:
10 x 1,8 V = 18 V
2 Reihe:
10 x 3,5 V = 35 V
3 Reihe:
3 x 4 V = 12V
4 Reihe:
3 x 2,5 V = 7,5 V
Dass heisst ich muss meine Paralellschaltung mit max 35 V betreiben ? ... also bei der Berechnung bin Ich mir Überhaupt nicht Sicher...
- Sailor
- Moderator
- Beiträge: 9427
- Registriert: Di, 28.11.06, 22:16
- Wohnort: Saarland, Deutschland und die Welt
Zunächst einmal herzlich Willkommen im Forum!
Zum elektrischen Anschluss der LED´s:
1. Reihe
10 x 1,8 VoltLED + 6 VoltWiderstand = 24 Volt
2. Reihe
a) 5 x 3,5 VoltLED + 6,5 VoltWiderstand = 24 Volt
b) 5 x 3,5 VoltLED + 6,5 VoltWiderstand = 24 Volt
3. Reihe
Betrieb an getakteter Konstantstromquelle bei 24 Volt
4.Reihe
Betrieb an getakteter Konstantstromquelle bei 24 Volt
Wenn die roten und die blauen LED´s nicht gleichzeitig leuchten sollen, reicht eine Konstantstromquelle aus.
Die Crees müssen auf einen Alu-Kühlkörper.
Zum elektrischen Anschluss der LED´s:
An 24 Volt:LowWater hat geschrieben:1 Reihe ( Die 10 LEDS (Tief Rot)
2 Reihe ( Die 10 LEDS (Tief Blau)
3 Reihe ( Die 3 Cree (Blau)
4 Reihe (Die 3 Cree (Rot)
--------------------------------------
1 Reihe:
10 x 1,8 V = 18 V
2 Reihe:
10 x 3,5 V = 35 V
3 Reihe:
3 x 4 V = 12V
4 Reihe:
3 x 2,5 V = 7,5 V
1. Reihe
10 x 1,8 VoltLED + 6 VoltWiderstand = 24 Volt
2. Reihe
a) 5 x 3,5 VoltLED + 6,5 VoltWiderstand = 24 Volt
b) 5 x 3,5 VoltLED + 6,5 VoltWiderstand = 24 Volt
3. Reihe
Betrieb an getakteter Konstantstromquelle bei 24 Volt
4.Reihe
Betrieb an getakteter Konstantstromquelle bei 24 Volt
Wenn die roten und die blauen LED´s nicht gleichzeitig leuchten sollen, reicht eine Konstantstromquelle aus.
Die Crees müssen auf einen Alu-Kühlkörper.
Hallo und danke für die aussagekräftige Antwort Sailor .
zur Allgemeinen Erklärung wenn es einfacher ist dass ganze hinzudeichseln wenn dur eine der Farben leuchten soll dann habe ich kein Problem damit.
Aus aus deinen Angaben werde ich iwi ned so ganz schlau.
so wie ich dass verstanden habe meintest du dass:
ich eine Konstantstromquelle als Eingangspannnung ( 24v) verwenden soll.
aber aus dem Wort Voltwiederstand werde ich nicht so schlau ist dass ein bestimmter Wiederstand, und wie Errechne ich ihn, da ich ihn bestellen muss.
und was ist eine getaktete Konstantstromquelle ?
den Aufbau mit der Konstantstromquelle verstehe ich auch nicht...
Kommen die Voltwiederstände jeweils vor oder hinter eine LED (also abwechselnd oder zuerst die 6 leds und dann die Voltwiederstände (auch in Reihe) ?
ps: Ja die Crees sind alle auf einem Alukühlkörper
Edit:
------------------------------------------------------
Ich glaube ich weiss jetzt wie du es gemeint hast, jedenfalls bei den normalen LEDS aber da ich mir beim LED Referenzstrom nicht sicher bin kann ich auch mal wieder Quark zusammenrechnen
1. Reihe
10 x 1,8 VoltLED = 18 V - 24 Volt = 6 Volt bei 24 Eingansspannung und 20 mA = 900 Ohm
a) 5 x 3,5 VoltLED + 6,5 VoltWiderstand = 24 Volt = 875 Ohm
b) 5 x 3,5 VoltLED + 6,5 VoltWiderstand = 24 Volt = 875 Ohm
bei Reihe 3 und 4 brauche ich keine Wiederstände... habe ich dass richtig verstanden
ps: wieso hast hast du reihe 2 in a und b Reihen unterteilt?
zur Allgemeinen Erklärung wenn es einfacher ist dass ganze hinzudeichseln wenn dur eine der Farben leuchten soll dann habe ich kein Problem damit.
Aus aus deinen Angaben werde ich iwi ned so ganz schlau.
so wie ich dass verstanden habe meintest du dass:
ich eine Konstantstromquelle als Eingangspannnung ( 24v) verwenden soll.
aber aus dem Wort Voltwiederstand werde ich nicht so schlau ist dass ein bestimmter Wiederstand, und wie Errechne ich ihn, da ich ihn bestellen muss.
und was ist eine getaktete Konstantstromquelle ?
den Aufbau mit der Konstantstromquelle verstehe ich auch nicht...
Kommen die Voltwiederstände jeweils vor oder hinter eine LED (also abwechselnd oder zuerst die 6 leds und dann die Voltwiederstände (auch in Reihe) ?
ps: Ja die Crees sind alle auf einem Alukühlkörper
Edit:
------------------------------------------------------
Ich glaube ich weiss jetzt wie du es gemeint hast, jedenfalls bei den normalen LEDS aber da ich mir beim LED Referenzstrom nicht sicher bin kann ich auch mal wieder Quark zusammenrechnen
1. Reihe
10 x 1,8 VoltLED = 18 V - 24 Volt = 6 Volt bei 24 Eingansspannung und 20 mA = 900 Ohm
a) 5 x 3,5 VoltLED + 6,5 VoltWiderstand = 24 Volt = 875 Ohm
b) 5 x 3,5 VoltLED + 6,5 VoltWiderstand = 24 Volt = 875 Ohm
bei Reihe 3 und 4 brauche ich keine Wiederstände... habe ich dass richtig verstanden
ps: wieso hast hast du reihe 2 in a und b Reihen unterteilt?
- Sailor
- Moderator
- Beiträge: 9427
- Registriert: Di, 28.11.06, 22:16
- Wohnort: Saarland, Deutschland und die Welt
Nopchmal der Reihe nach:
Du benötigst nach meiner Aufstellung
1 Netzteil 24 Volt, die 5 mm LED´s, Vorwiderstände für diese, High-Power-LED, Konstanstromquell(en) für diese.
Die 2.Reihe musste ich ich 2 Teilreihen splitten, damit die 24 Volt Versorgungsspannung ausreichen. Wie Du ja selbst festgestellt hast, wären sonst mehr als 35 Volt erforderlich.
Wenn die Farben nur "entweder/oder" geschaltet werden, benötigst Du nur eine Konstantstromquelle, sollen jedoch auch beide zusammen betrieben werden, benötigst Du 2 Konstantstromquellen.
VoltWiderstand soll die Spannung ausdrücken, die über dem Widerstand abfallen muss. Diese Spannung dient zur Berechnung des erforderlichen Widerstandes in der LED-Reihe.
Du benötigst nach meiner Aufstellung
1 Netzteil 24 Volt, die 5 mm LED´s, Vorwiderstände für diese, High-Power-LED, Konstanstromquell(en) für diese.
Die 2.Reihe musste ich ich 2 Teilreihen splitten, damit die 24 Volt Versorgungsspannung ausreichen. Wie Du ja selbst festgestellt hast, wären sonst mehr als 35 Volt erforderlich.
Wenn die Farben nur "entweder/oder" geschaltet werden, benötigst Du nur eine Konstantstromquelle, sollen jedoch auch beide zusammen betrieben werden, benötigst Du 2 Konstantstromquellen.
VoltWiderstand soll die Spannung ausdrücken, die über dem Widerstand abfallen muss. Diese Spannung dient zur Berechnung des erforderlichen Widerstandes in der LED-Reihe.
Ich kann mir keinen genauen Reim darauf machen, welchen Sinn es hat, die starken Crees zusammen mit den funzligen 5-mm-LEDs leuchten zu lassen, zumindest nicht in dieser Anordnung.
Kannst du das Projekt mal optisch und mechanisch beschreiben? Was willst du damit be- oder ausleuchten?
Kannst du das Projekt mal optisch und mechanisch beschreiben? Was willst du damit be- oder ausleuchten?
@Sailor
reicht es einen Vorwiederstand zu nehmen oder muss ich vor jede der SMD Led einen Wiederstand hängen ?
So ich habe mich mal hingesetzt und einen Schaltplan erstellt, allerdings weiss ich nicht wo ich die Konstantstromquelle einbauen muss
Siehe Anhangsbild 2
@ Synthy82:
Nun ja so funzelig sind die LEDS auch nicht ( also zumindest reicht mir die Helligkeit sieh Anhangsbild ) es sind smd LEDs die ich noch übrig hatte. Diese möchte ich einfach noch hinzufügen um das Blauspektrum sowie Rotsperktrum zu erhöhen.
Eingebaut werden soll dieses Panel in einem Sehr großen Quarz Block, welchen von innen heraus beleuchtet werden soll.
Zu Funktion:
Ich möchte über einen einfachen kippschalter zwischen den farben Blau und rot wählen können. Die Helligkeit soll über einen Dimmer regelbar sein.
reicht es einen Vorwiederstand zu nehmen oder muss ich vor jede der SMD Led einen Wiederstand hängen ?
So ich habe mich mal hingesetzt und einen Schaltplan erstellt, allerdings weiss ich nicht wo ich die Konstantstromquelle einbauen muss
Siehe Anhangsbild 2
@ Synthy82:
Nun ja so funzelig sind die LEDS auch nicht ( also zumindest reicht mir die Helligkeit sieh Anhangsbild ) es sind smd LEDs die ich noch übrig hatte. Diese möchte ich einfach noch hinzufügen um das Blauspektrum sowie Rotsperktrum zu erhöhen.
Eingebaut werden soll dieses Panel in einem Sehr großen Quarz Block, welchen von innen heraus beleuchtet werden soll.
Zu Funktion:
Ich möchte über einen einfachen kippschalter zwischen den farben Blau und rot wählen können. Die Helligkeit soll über einen Dimmer regelbar sein.
Zuletzt geändert von LowWater am Do, 23.07.09, 13:44, insgesamt 1-mal geändert.
- Sailor
- Moderator
- Beiträge: 9427
- Registriert: Di, 28.11.06, 22:16
- Wohnort: Saarland, Deutschland und die Welt
Du benötigsrt 3 Widerstände
einen in der Reihe 1
einen in der Reihe 2a und
einen in der Reihe 2b
Der Wert des Widerstandes errechnet sich nach dem umgestellten Ohmschen Gesetz (U = R x I oder Spannung = Widerstand x Strom):
R = U / I, und hier kommt die oben als VoltWiderstand bezeichnete Spannung zum tragen, also die Spannung, die über dem Widerstand noch abfallen muss, nochma:
R = U / I = 6,5 Volt / 0,02 Ampere = 325 Ohm, der nächst verfügbare ist 330 Ohm ( Du kannst auch noch mit den 6 Volt rechnen, aber es wird auch damit auf 330 Ohm als realen Wert hinauslaufen). Wegen der Dimmung kannst Du diesen Widerstand auch benutzen.
Zur Dimmung: der Dimmer sollte einen PWM-Ausgang haben (hat der aus dem Shop). Dann kannst Du die 3 Reihen mit Vorwiderstand direkt dimmen und die Hochleistung-LED´s über die Konstantstromquelle.
Die Umschaltung male ich Die am besten noch auf (wenn mir keiner zuvorkommt
). Wichtig ist bei Benutzung nur einer KSQ, dass die KSQ beim Umschalten der Farben auch auf der Primärseite (Eingangseite) von der Spannungsversorgung getrennt wird, damit die LED´s keinen Schaden nehmen.
einen in der Reihe 1
einen in der Reihe 2a und
einen in der Reihe 2b
Der Wert des Widerstandes errechnet sich nach dem umgestellten Ohmschen Gesetz (U = R x I oder Spannung = Widerstand x Strom):
R = U / I, und hier kommt die oben als VoltWiderstand bezeichnete Spannung zum tragen, also die Spannung, die über dem Widerstand noch abfallen muss, nochma:
R = U / I = 6,5 Volt / 0,02 Ampere = 325 Ohm, der nächst verfügbare ist 330 Ohm ( Du kannst auch noch mit den 6 Volt rechnen, aber es wird auch damit auf 330 Ohm als realen Wert hinauslaufen). Wegen der Dimmung kannst Du diesen Widerstand auch benutzen.
Zur Dimmung: der Dimmer sollte einen PWM-Ausgang haben (hat der aus dem Shop). Dann kannst Du die 3 Reihen mit Vorwiderstand direkt dimmen und die Hochleistung-LED´s über die Konstantstromquelle.
Die Umschaltung male ich Die am besten noch auf (wenn mir keiner zuvorkommt
@ Sailor
Danke für die Prompte Antwort:
Zunächst ein paar Fragen die ich nicht verstehe da mir glaube ich dass technische Verständis fehlt.
Zur der von dir angebotenen Konstantstromquelle Hier muss Ich beim Kauf zwischen 240 und 1400 mA wählen.. welche benötige ich denn da ?
desweiteren zum netzteil muss ich da Ein bestimmtes NEtzteil nehmen oder kann ich ein X beliebiges nehmen ?
Habe die fehlenden Wiederstände ausgerechnet und nachgetragen ^^ Waren erstmal nicht viele und zweitens hatte ich ja jetzt die Erklärung:
Danke für die Prompte Antwort:
Zunächst ein paar Fragen die ich nicht verstehe da mir glaube ich dass technische Verständis fehlt.
Zur der von dir angebotenen Konstantstromquelle Hier muss Ich beim Kauf zwischen 240 und 1400 mA wählen.. welche benötige ich denn da ?
desweiteren zum netzteil muss ich da Ein bestimmtes NEtzteil nehmen oder kann ich ein X beliebiges nehmen ?
LowWater hat geschrieben:Wegen der Dimmung kannst Du diesen Widerstand auch benutzen.
LowWater hat geschrieben:Dann kannst Du die 3 Reihen mit Vorwiderstand direkt dimmen und die Hochleistung-LED´s über die Konstantstromquelle.
........................................................................LowWater hat geschrieben:Wichtig ist bei Benutzung nur einer KSQ, dass die KSQ beim Umschalten der Farben auch auf der Primärseite (Eingangseite) von der Spannungsversorgung getrennt wird, damit die LED´s keinen Schaden nehmen.
Habe die fehlenden Wiederstände ausgerechnet und nachgetragen ^^ Waren erstmal nicht viele und zweitens hatte ich ja jetzt die Erklärung:
- Sailor
- Moderator
- Beiträge: 9427
- Registriert: Di, 28.11.06, 22:16
- Wohnort: Saarland, Deutschland und die Welt
Die Konstantstromquelle hat 4 Grundanschlüsse: Plus und Minus zum Anschluss des Netzteils und auf der anderen Seite Plus und Minus zum Anschluss der LED´s. Da werden die LED´s in Reihe angeschlossen.
Da die LED´s mit einem typ. Strom von 350 mA angegeben sind, würde ich sie auch mit der entsprechenden Konstantstromquelle betreiben. Bei guter Kühlung kannst Du maximal bis zur 700 mA Konstantstromquelle hoch gehen.
Als Netzteil kannst Du jedes stabilisierte Netzteil mit 24 Volt und mindestens 500 mA Strombelastbarkeit nehmen. Wenn Du die Widerstände durch diese 20 mA-Konstantstromquelle ersetzt, muss das Netzteil nicht mehr stabilisiert sein.
Da die LED´s mit einem typ. Strom von 350 mA angegeben sind, würde ich sie auch mit der entsprechenden Konstantstromquelle betreiben. Bei guter Kühlung kannst Du maximal bis zur 700 mA Konstantstromquelle hoch gehen.
Als Netzteil kannst Du jedes stabilisierte Netzteil mit 24 Volt und mindestens 500 mA Strombelastbarkeit nehmen. Wenn Du die Widerstände durch diese 20 mA-Konstantstromquelle ersetzt, muss das Netzteil nicht mehr stabilisiert sein.
@Sailor
Mhh aschso ist dass.. mhh also so langsam verstehe ich was du meinst...
Aber irgendwie verstehe ich nicht wie ich den Dimmer, die LEDS und Wiederstände sowie die Konstantstromquelle richtig verschalten soll ..
da fehlt mir glaube ich dass Know How ..
Mhh aschso ist dass.. mhh also so langsam verstehe ich was du meinst...
Aber irgendwie verstehe ich nicht wie ich den Dimmer, die LEDS und Wiederstände sowie die Konstantstromquelle richtig verschalten soll ..
da fehlt mir glaube ich dass Know How ..
- Sailor
- Moderator
- Beiträge: 9427
- Registriert: Di, 28.11.06, 22:16
- Wohnort: Saarland, Deutschland und die Welt
... das kommt noch, hier der erste Teil, die Grundschaltung noch ohne Dimmer:LowWater hat geschrieben:
Aber irgendwie verstehe ich nicht wie ich den Dimmer, die LEDS und Wiederstände sowie die Konstantstromquelle richtig verschalten soll ..
da fehlt mir glaube ich dass Know How ..
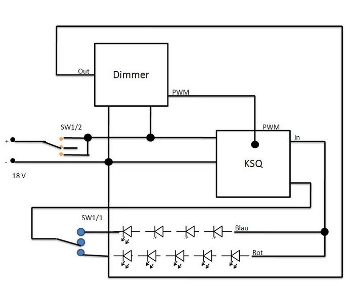
Der Schalter SW1 ist ein zweipoliger Schalter wie z.B. dieser von Reichelt, SW1/1 und SW1/2 sind also die beiden Schaltebenen des gleichen Schalters. Damit ist sichergestellt, dass die KSQ beim Umschalten stromlos ist und der Ausgang nicht auf die maximale Netzteilspannung hochlaufen kann, wenn beim Umschalten kurz keine Last anliegt.
Die beiden Dioden sorgen dafür, dass die KSQ sowohl in Stellung Rot als auch in Stellung Blau Spannung bekommt, von den 20 mA LED´s jedoch nur die gewünschte Farbe. Die nicht gewünschte Farbe wird durch die Diode in Sperrrichtung von der Versorgungsspannung getrennt.
Der Hauptschalter zum Ein- und Ausschalten der Beleuchtung sollte vor dem Netzteil sein (z.B. Steckdosenschalter).
Wenn hierzu keine Fragen mehr sind, bringen wir den Dimmer zum Einsatz.
Edit bevor Du kaufst:
Beim Dimmereinsatz benötigen wir einen anderen Schalter und keine Dioden mehr!
Lieber Sailor, zuerst einmal ein Gaanz großes Dankeschön für deine Hilfe!
Auf diese Art von Schaltung wäre ich von alleine überhaupt nicht gekommen.
natürlich würde ich den Dimmer gerne einbauen.
Dies hat zwei Gründe: zum einen würde er hier sonst nur rumliegen und zum anderen würde ich gerne die Helligkeit Dimmen können
Dass heisst um den Dimmer zu verwenden muss ich den Schaltplan wie verwenden ?
Auf diese Art von Schaltung wäre ich von alleine überhaupt nicht gekommen.
natürlich würde ich den Dimmer gerne einbauen.
Dies hat zwei Gründe: zum einen würde er hier sonst nur rumliegen und zum anderen würde ich gerne die Helligkeit Dimmen können
Dass heisst um den Dimmer zu verwenden muss ich den Schaltplan wie verwenden ?
- Sailor
- Moderator
- Beiträge: 9427
- Registriert: Di, 28.11.06, 22:16
- Wohnort: Saarland, Deutschland und die Welt
Mit Dimmer geht es so:
Statt den Dioden benutzen wir nun einen 3-Poligen Schalter, wie z.B. diesen von Reichelt.
Oben wollte ich Dir zeigen, dass Dioden nicht nur zur Gleichrichtung eingesetzt werden können, sondern auch als "Rücklaufventil". Ein Anwendungsgebiet für Dioden, das in Schaltungen auch oft benötigt wird.
Statt den Dioden benutzen wir nun einen 3-Poligen Schalter, wie z.B. diesen von Reichelt.
Oben wollte ich Dir zeigen, dass Dioden nicht nur zur Gleichrichtung eingesetzt werden können, sondern auch als "Rücklaufventil". Ein Anwendungsgebiet für Dioden, das in Schaltungen auch oft benötigt wird.
Lieber Sailor, Ich danke dir nochmals für deine Hilfe,
aber da ich nicht so jemand bin der sich jetzt denkt :
ahh super brauche ich nicht mehr denken,
möchte ich natürlich auch verstehen weshalb mansches so gemacht wurde:
Zum Thema Dimmer:
Der in meinem Threat benannte Dimmer (Link: http://www.leds.de/p297/Zubehoer/Strom_ ... egler.html)
besitzt einen Jumper.. und ich werde aus der Anleitung nicht schlau wofür dieser zu verwenden ist.
Zum Thema Schaltbild /Schalplan (wie heisst es richtig?)
Die Schalter(jedenfalls hoffe ich dass ich es richtig als Schalter erkannt habe)(rot eingekreist). Sind dass alles 3 Pinnige Schalter?
aber da ich nicht so jemand bin der sich jetzt denkt :
ahh super brauche ich nicht mehr denken,
möchte ich natürlich auch verstehen weshalb mansches so gemacht wurde:
Zum Thema Dimmer:
Der in meinem Threat benannte Dimmer (Link: http://www.leds.de/p297/Zubehoer/Strom_ ... egler.html)
besitzt einen Jumper.. und ich werde aus der Anleitung nicht schlau wofür dieser zu verwenden ist.
Zum Thema Schaltbild /Schalplan (wie heisst es richtig?)
Die Schalter(jedenfalls hoffe ich dass ich es richtig als Schalter erkannt habe)(rot eingekreist). Sind dass alles 3 Pinnige Schalter?
- Sailor
- Moderator
- Beiträge: 9427
- Registriert: Di, 28.11.06, 22:16
- Wohnort: Saarland, Deutschland und die Welt
Diese drei Schalter sitzen in einem Gehäuse und werden nur mit einem Schaltknebel bedient. Wenn Du dem Link folgst findest Du ein (fast nichts sagendes) Datenblatt, in den wenigstens die Zusammenfassung der Schalter in einem Gehäuse von 1-polig bis 4-polig dargestellt ist. Von oben sieht das Gebilde also aus, als wäre es ein Schalter, erst an der Anzahl der Anschlussstellen unten kann man erkennen, wie viele Schalter tatsächlich in dem Gehäuse eingebaut sind.
Zum Dimmer hatten wir ein Bild mit den Anschlussmöglichkeiten im Forum, das muss ich nochmal raussuchen.
Zum Dimmer hatten wir ein Bild mit den Anschlussmöglichkeiten im Forum, das muss ich nochmal raussuchen.
Lieber Sailor,
Ich danke dir für deine Hilfe allerdings habe ich ein Riesenproblem ..
meine smd Leds sind leider defekt (hatte mich heute Nacht hingestzt und angefangen die SMDs durchzutesten ...
jetzt weiss ich auch warum in der Schachtel ein unleserlicher Zettel lag auf dem defkt stand... .
dass heisst ich kann diese art von Schaltung voll vergessen ...
habe heute den ganzen Keller auseinandergenommen... und keine SMD LEds mehr gefunden dafür aber eine doch etwas neuere Bestellung von Creeas
Ich besitze somit nun Insgesammt:
4 X CREE XR-E ROYAL BLUE 7090 (Königsblau)
5 X CREE XR-C 7090 Emitter (Rot)
1x Konstantstromquelle mit 700 mA
1 x 2 poligen Kippschalter sowie diverse andere Schalter
1 x besagter Dimmer
und diverse Wiederstände und Netzteile
Die Crees funktionieren einwandfrei und sind alle auf Rund Platinen montiert und mit Kühlkörpern versehen.
Kann ich hieraus auch eine Schaltung machen Die die Selbe Funktion besesitzt wie die vorherige Schaltung ?
Eine Weitere Frage die sich mir stellt ist ob mann solche eine schaltung mit 24 v betreiben muss oder ob es auch mit 12v oder 230v geht ( dies ist für mich wichtig zu wissen da ich ein 24v Netzteil extra bestellen müsste
Ich danke dir für deine Hilfe allerdings habe ich ein Riesenproblem ..
meine smd Leds sind leider defekt (hatte mich heute Nacht hingestzt und angefangen die SMDs durchzutesten ...
jetzt weiss ich auch warum in der Schachtel ein unleserlicher Zettel lag auf dem defkt stand... .
dass heisst ich kann diese art von Schaltung voll vergessen ...
habe heute den ganzen Keller auseinandergenommen... und keine SMD LEds mehr gefunden dafür aber eine doch etwas neuere Bestellung von Creeas
Ich besitze somit nun Insgesammt:
4 X CREE XR-E ROYAL BLUE 7090 (Königsblau)
5 X CREE XR-C 7090 Emitter (Rot)
1x Konstantstromquelle mit 700 mA
1 x 2 poligen Kippschalter sowie diverse andere Schalter
1 x besagter Dimmer
und diverse Wiederstände und Netzteile
Die Crees funktionieren einwandfrei und sind alle auf Rund Platinen montiert und mit Kühlkörpern versehen.
Kann ich hieraus auch eine Schaltung machen Die die Selbe Funktion besesitzt wie die vorherige Schaltung ?
Eine Weitere Frage die sich mir stellt ist ob mann solche eine schaltung mit 24 v betreiben muss oder ob es auch mit 12v oder 230v geht ( dies ist für mich wichtig zu wissen da ich ein 24v Netzteil extra bestellen müsste
- Sailor
- Moderator
- Beiträge: 9427
- Registriert: Di, 28.11.06, 22:16
- Wohnort: Saarland, Deutschland und die Welt
Wenn Du mit 700 mA arbeiten willst, muss die Spannung des Netzteils mindestens 18 Volt sein, sonst gehen die blauen LED´mit der Konstantstromquelle nicht.
Da kommen also auch Laptop-Netzteile in Frage, die häufig zwischen 18 und 21 Volt haben.
Da kommen also auch Laptop-Netzteile in Frage, die häufig zwischen 18 und 21 Volt haben.
- Sailor
- Moderator
- Beiträge: 9427
- Registriert: Di, 28.11.06, 22:16
- Wohnort: Saarland, Deutschland und die Welt
Ja, jetzt ist es richtig. Was irritiert ist das "IN" an der KSQ. An derKSQ ist links "IN" und rechts "OUT", und bei "OUT" oben Plus und unten Minus.
IN oder Eingang ist die Seite, an der die Versorgungsspannung anliegt oder an der ein Signal ankommt.
IN oder Eingang ist die Seite, an der die Versorgungsspannung anliegt oder an der ein Signal ankommt.
- Sailor
- Moderator
- Beiträge: 9427
- Registriert: Di, 28.11.06, 22:16
- Wohnort: Saarland, Deutschland und die Welt
Normalerweise dreht man einen Knopf rechts herum, um es heller werden zu lassen und links herum, wenn es wieder dunkler werden soll. Will man es anders haben, muss entweder das Poti gedreht werden (was auf der Platine schwierig ist) oder man steuert das Signal mit einem Schalter (Jumper) um.
Wenn Du die Schaltung aufgebaut hast, kannst Du beide Möglichkeiten testen. Dann ist sofort zu sehen, wie es funktioniert.
Wenn Du die Schaltung aufgebaut hast, kannst Du beide Möglichkeiten testen. Dann ist sofort zu sehen, wie es funktioniert.


