HowTo: Treiber f. Power-LED m. ZXLD1350 f. Bikeleuchte GT-01

Anleitungen für "hausgemachte" LED Projekte

Moderator: T.Hoffmann

Antworten
Benutzeravatar
dieter_w
Mega-User
Mega-User
Beiträge: 398
Registriert: So, 18.02.07, 11:15

Mi, 23.07.08, 16:35

Es folgt die Beschreibung des Aufbaus einer Treiberplatine für einen Bike-Frontscheinwerfer:
(gehört zu diesem Thread: viewtopic.php?f=35&t=5114&start=0&st=0&sk=t&sd=a)

Die geforderten Randbedingungen waren:

LED-Typ: Cree XR-E 7090 / R2
LED-Betriebsstrom: 350 mA
Batteriespannung: 14,4 Volt (12 x AA NiMH) bis 21,6 Volt (18 xAA NiMH)
Max. Durchmesser der Platine: 24 mm
Max Gesamthöhe des Treibers: 5 ... 6 mm

An einem Schaltwandler führt bei diesem Abstand zwischen Batteriespannung und LED-Flussspannung kein Weg vorbei.
Auf Grund der geforderten Baugröße fiel die Wahl auf einen Treiber-IC aus der ZETEX-Typenreihe ZXLD13xx in Frage, für 350 mA genügt der kleinste Vertreter, der ZXLD1350.
Diese IC's zeichnen sich durch eine kompakte Gehäusegröße aus, sie sind mit amateurmäßigen Fertigungsmethoden zu Hause gerade noch verarbeitbar.
Die Wandler-Schaltung erfordert nur sehr wenige externe Bauelemente.
SMD-Bauweise ist bei diesem Miniaturisierungsgrad unabdingbar.

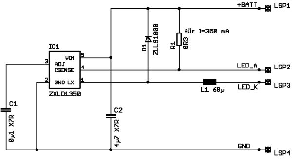
Als erstes habe ich mir mal das Datenblatt des ZXLD1350 durchgelesen und eine Schaltung skizziert.
Nach Sichtung der Bauteile und Optimierung nach guter Beschaffbarkeit habe ich die Schaltung in Eagle eingegeben:
11-schaltung-600px.jpg
11-schaltung-600px.jpg (18.16 KiB) 5268 mal betrachtet
Nun konnte ich mit dem Entwurf der Platine beginnen.
Die Lage der Bohrungen für den Anschluss der LED war durch den mechanischen Aufbau der Leuchte vorgegeben.
Die Bauteile wurden nach Designvorschlägen der Fa. ZETEX angeordnet, um eine äußerst kompakte und für Schaltwandler optimale Trassierung der Leiterbahnen zu erreichen:
12-bestueckung-600px.jpg
12-bestueckung-600px.jpg (50.25 KiB) 5274 mal betrachtet
Es folgten die üblichen Arbeitsgänge der amateurmäßigen Platinenherstellung:
- Druck der Belichtungsfolie,
- Belichten des Fotobasismaterials,
- Entwickeln und Ätzen,
- grober Zuschnitt der Außenkontur,
- Bohren der wenigen Löcher.

Das nächste Problem war die Fertigung einer Platine mit möglichst exakter Kreiskontur.
Zu diesem Zweck wurde bereits beim Layoutentwurf im Zentrum des Kreises eine Bohrung vorgesehen, die später als Zentrierbohrung dienen sollte.
In diese Bohrung wurde ein dünner Nagel (Stift) gesteckt und die Platine an den Rand eines Holzbrettchens genagelt. Dieses Brettchen wird mittels einer kleinen Schraubzwinge an der Grundplatte der Schleifvorrichtung fixiert. So kann die Platine dann vorsichtig und langsam an der Schleifscheibe entlang gedreht werden und man bekommt als Ergebnis eine ordentliche kreisrunde Platine.

Das Ganze sieht dann in Aktion folgendermaßen aus:
21-schleifen-600px.jpg
21-schleifen-600px.jpg (50.13 KiB) 5267 mal betrachtet
Und dies hier ist die fertige Platine, bereits mit Flussmittel eingepinselt, fertig zum Bestücken:
31-platine-600px.jpg
31-platine-600px.jpg (38.25 KiB) 5266 mal betrachtet
Nach der Bauteilebeschaffung geht es mit ruhiger Hand an die Bestückung der Platine.
Die Verwendung eines für SMD-Bestückung geeigneten Lötkolbens, ausgestattet mit einer schlanken, dünnen Lötspitze und Temperaturregelung, ist unbedingt Voraussetzung für ordentliche Lötergebnisse.

Ansicht vor der Bestückung:
32-bauteile-600px.jpg
32-bauteile-600px.jpg (19.05 KiB) 5264 mal betrachtet
Ansicht nach der Bestückung:
33-bestueckt-600px.jpg
33-bestueckt-600px.jpg (54.9 KiB) 5272 mal betrachtet
Nach einer optischen und elektrischen Prüfung, ob durch das Löten nicht etwa Schlüsse zwischen benachbarten Leiterzügen entstanden sind, kann es an die Inbetriebnahme gehen.

Inbetriebnahme:
(Die dort abgebildete LED ist nur meine Prüf-LED, keinesfalls die, die dann in der Bikelampe eingesetzt wird.)
41-inbetriebnahme-600px.jpg
41-inbetriebnahme-600px.jpg (27.81 KiB) 5267 mal betrachtet
Hier noch zwei Ansichten zum Größenvergleich:
51-led-treiber-600.jpg
51-led-treiber-600.jpg (47.87 KiB) 5267 mal betrachtet
52-led-treiber-600.jpg
52-led-treiber-600.jpg (15.48 KiB) 5264 mal betrachtet

Hier noch ein paar Oszillogramme:

1) Spannung über dem Strommesswiderstand R1:
Über dem Shunt R1 (0,3 Ohm) fällt eine Spannung mit dem Mittelwert von ca. 104 mV ab.
Das ergibt einen mittleren LED-Strom von ca. 340 mA (I=U/R).
62-strom-R1-DS0011.png
62-strom-R1-DS0011.png (4.01 KiB) 5285 mal betrachtet
2) Spannung am Ausgang LX des ZXLD1350:
63-spannung-ULX-DS0008.png
63-spannung-ULX-DS0008.png (3.52 KiB) 5274 mal betrachtet
3) Ermittlung der Stromwelligkeit (Spannung über R1):
Der LED-Strom pulsiert zwischen 266 mA und 413 mA (d.h. Strom-Ripple von etwa 150 mA).
Mittelwert: 340 mA
64-stromripple-DS0014.png
64-stromripple-DS0014.png (4.01 KiB) 5265 mal betrachtet
Benutzeravatar
Mominik
Mega-User
Mega-User
Beiträge: 474
Registriert: Sa, 07.07.07, 18:20

Mi, 23.07.08, 17:03

Super!!!! 5 Sterne von mir!
Benutzeravatar
dieter_w
Mega-User
Mega-User
Beiträge: 398
Registriert: So, 18.02.07, 11:15

Do, 24.07.08, 18:00

maos: Freu mich schon auf mehr...
So, was darf's denn sein?
Antworten