*** Dämmerungsschaltung mit 7 LED´s ***

Fragen zu Schaltungen, Elektronik, Elektrik usw.

Moderator: T.Hoffmann

Antworten
Magicled
Mini-User
Beiträge: 3
Registriert: So, 02.09.07, 20:36

Mo, 03.09.07, 19:15

Gerne würde ich eine Dämmerungsschaltung mit 7 LED´s aufbauen, die auf Tageslicht bzw. eventuell vorhandenes Raumlicht reagiert. 7 verschieden farbene LED´s sollten also leuchten, sobald der Raum dunkel wird und umgekehrt. Ein Poti zur Feinabstimmung der Schaltschwelle wäre von daher optimal.

Doch wie baue ich eine solche Schaltung auf?

Es sollten folgende sieben LED´s integriert werden: 1x weiß 3,1V + 1x blau 3,1V + 1x violett 3,1V + 1x gelb 2,0V + 1x rot 2,0V + 1x orange 1,7V + 1x grün 3,0V

Sollte ich eine Reihen- oder besser eine Parallelschaltung nehmen?

Die Spannungsquelle sollte eine oder mehrere Batterien sein! Die Höhe ist eigentlich egal, nur sollte die Schaltung möglichst wenig Strom verbrauchen.

Wer kann mir einen Schaltplan zeigen, beschreiben oder zumailen?

Bin Anfänger und wollte mal ein wenig experimentieren! Wäre für Lösungsvorschläge sehr dankbar!!!

Mit sonnigen Grüßen

...Sascha
Benutzeravatar
Elektronikmann
Ultra-User
Ultra-User
Beiträge: 844
Registriert: Mo, 19.03.07, 10:37
Wohnort: Mainz

Di, 04.09.07, 13:58

Im Netz gefunden. Vielleicht kannst du ja damit was anfangen. Oder es gibt noch jemand der was besseres hat.
MfG
http://www.puk.de/spielplatz/basteln/el ... chalt2.gif
Schaltungstyp: sensorische Schalter

Funktion:
Die Lampe leuchtet, wenn der Fotowiderstand abgedunkelt wird. Die Schaltung reagiert sie schon auf geringere Helligkeit mit Verlöschen der Lampe. it R1 wird die gewünschte Ansprechhelligkeit eingesellt.

Verwendung:
Diese einfache Schaltung kann, wenn La z.B. durch einen Widerstand ersetzt wird - Eingangsteil empfindlicherer Anordnungen werden oder, z.B. mit einem Relais im Ausgang, als Lichtschranke dienen. Das Relais fällt ab und unterbricht einen andern Stromkreis, wenn der Lichtstrahl unterbrochen wird. Über einen der Relaiskontakte kann dann außerdem noch der gesamte Stromkreis abgeschaltet werden (Selbsthaltung des ausgelösten Zustands).

Erklärung:
Im Gegensatz zum Einschalter mit lichtelektronischer Steuerung liegt der Fotowiderstand zwischen Plus und Basis. Dennoch verlischt die Lampe auch dieses Mal, wenn es hell wird. Das bewirkt T2, der gerade dann sperrt, wenn T1 leitet. Erklarung: Erhält FW genügend Licht, so beginnt T1 zu leiten. Dadurch sinkt sein Kollektorpotential infolge des durch R2 fließenden Stroms unter die Schwellspannung von T2, und dieser wird gesperrt. Bei Dunkelheit (gesperrter T1) erhält dagegen T2 über R2 so viel Basisstrom, dass die Lampe leuchtet. Die Schaltung läßt sich nun an R1 einer bestimmten Außenhelligkeit (z. B. Zimmerlampe) entsprechend einstellen, damit La gerade noch dunkel bleibt Für diesen Fall teilt sich der Strom durch R2 auf T1 und T2 so auf, dass die Lampe nicht mehr genügend Strom erhält. Verringert sich jetzt die Außenhelligkeit, z. B. durch Abschalten der Zimmerampe, so kommt das System aus dem Gleichgewicht, und die Lampe leuchtet auf. Man wird feststellen, daß diese Anordnung wesentlich empfindlicher ist als die Schaltung des Einschalters mit lichtelektronischer Steuerung, denn nun liefert ja der Transistor hinter FW nicht unmittelbar den großen Lampenstrom, sondern nur den kleinen Steuerstrom für T2. - Aus der Lage des Fotowiderstands lässt sich nicht sofort erkennen, in welcher Weise der Ausgang auf Licht reagiert! - Steuert der Fotowiderstand nicht den Lampentransistor, sondern zurachst einen Steuertransistor, so erhöht sich die Ansprechempfindlichkeit.

Stückliste:
1x Fotowiderstand (LDR 07, 300 - 4000 Ohm)
1x Transistor (BC 237, npn, IC=100mA, IB=10mA)
1x Transistor (BF 177, npn, ICmax=1A, IC=500mA, IB=250mA)
1x Glühlampe (La, 3,7V, 100mA)
1x Potentiometer (10 kOhm, 0,4 Watt, linear)
1x Widerstand (330 Ohm, 1/4 Watt, +/- 5%)
Benutzeravatar
Elektronikmann
Ultra-User
Ultra-User
Beiträge: 844
Registriert: Mo, 19.03.07, 10:37
Wohnort: Mainz

Mi, 05.09.07, 09:02

Hallo Sailor, kannst Du Magicled mit der Schaltung weiterhelfen. Hab mit solchen Schaltungen auch noch
nicht gearbeitet. Er hat mir PM gesendet das er nicht weis wo er die LEDs anschliesen soll.
Ich hatte die Schaltung im Netz gefunden. Ob das was für ihn ist weis ich nicht genau.
MfG
Benutzeravatar
Sailor
Moderator
Beiträge: 9427
Registriert: Di, 28.11.06, 22:16
Wohnort: Saarland, Deutschland und die Welt

Mi, 05.09.07, 09:20

Die LED kommen anstelle des eingemalten Birnchens (Kreis mit Kreuz).

Auszurechnen ist der Vorwiderstand (5 Volt - 0,7 Volt - Ledspannung) / LEDstrom

Für die 0,7 Volt habe ich den allgemeine Spannungsabfall am Transistor angenommen. Wenn es genauer werden soll, müsste die UCE für den entsprechenden Strom aus dem Datenblatt des BSY 51 (oder des sonst eingesetzten Transistors) genommen werden.

Bitte beachten, dass die Schaltung für 5 Volt ausgelegt ist.
RPH
Mega-User
Mega-User
Beiträge: 182
Registriert: Fr, 27.04.07, 08:13
Wohnort: Südlich v.Augsburg

Mi, 05.09.07, 09:22

Magicled,
was hast Du an elektronischen Bauteilen vorrätig?

Widerstände / Transistoren, falls ja, welche Typen / LEDs, was für welche ?

Wie willst Du die Schaltung aufbauen, Lochraster, löten oder Steckbrett ?

Wenn ich das weiss kann ich Dir sagen was Du damit basteln kannst.

MfG RPH
Magicled
Mini-User
Beiträge: 3
Registriert: So, 02.09.07, 20:36

Do, 06.09.07, 17:19

DANKE RPH, dass du mir weiterhelfen möchtest!

Ich möchte einfach wie beschrieben diese 7 verschieden farbigen LED´s in eine Dämmerungsschaltung integrieren!
Noch habe ich kein einziges Bauteil, bin also noch ganz offen was die Schaltung betrifft. Die LED´s wollte ich hier bei LUMITRONIX bestellen (5mm LED´s in den Farben ROT, GRÜN, BLAU, WEIß, VIOLETT, GELB, ORANGE. Alles andere würde ich mir dann besorgen.

Mir ist nicht ganz klar ob ich die 7 LED´s einfach alle parallel mit einem enstprechenden Vorwiderstand an die Stelle einsetzten kann wo die Lampe eingezeichnet ist. Oder gibts vielleicht eine viel bessere Schaltung irgendwo im Netz?

Danke Dir!!!

...Sascha
luckylu1
Hyper-User
Hyper-User
Beiträge: 1405
Registriert: So, 29.04.07, 05:11
Wohnort: berlin

Do, 06.09.07, 17:54

irgend nen altes schrottteil findet sich schon, zb ein PC netzteil, kann ja auch kaputt sein.

die oben gezeigte schaltung wird sicher funktionieren, es stellt sich nur die frage, bist du auf eine bestimmte spannung fixiert? mit dem hier gezeigten, wäre die aus- und einschaltung langsam, wenn es einen richtigen schaltpunkt geben soll brauchst du noch ein wenig mehr um das zu einem schmittrigger aufzurüsten, deine batterien werden es dir auch danken. also sag bescheid.......
RPH
Mega-User
Mega-User
Beiträge: 182
Registriert: Fr, 27.04.07, 08:13
Wohnort: Südlich v.Augsburg

Do, 06.09.07, 19:31

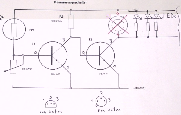
Servus Magicled,

habe Dir in die Schaltung mal die LEDs so eingezeichnet, so wie sie reinkommen sollen
und auch die Anschlussbelegung von den angegebenen Transistoren, hoffe es hilft etwas.
Die Widerstände musst Du Dir ausrechnen, so wie weiter oben angegeben.
Es sollte also dann so aussehen, ohne die Lampe.
1845_RPH_X_Daemmer_01_1.jpg
Auf dem Steckbrett schaut das dann so aus, allerdings mit 2 BC547 Transistoren,
zum Versuchen und für die eine Test Led geht das auch.
1845_RPH_X_Daemmer_02_1.jpg
1845_RPH_X_Daemmer_02_1.jpg (29.92 KiB) 12579 mal betrachtet
Ansonsten funktioniert die Schaltung recht gut, noch einfacher geht es glaube ich nicht.

Wie von Luckylu1 schon bemerkt hat diese Schaltung einige Nachteile, aber ich würde sagen
Du bastelt die einfach mal so zusammen und schaust, ob Dir das Spaß macht.

Falls ja, kannst Du immer irgendwas erweitern und verbessern.
Falls nein, dann kauf Dir am besten im Elektronikhandel entweder einen Bausatz oder eine
fertig aufgebaute Platine, das geht dann am schnellsten und Du hast eine funktionierende Schaltung.

Auf jeden Fall mal viel Freude an der Sache.

MfG RPH
Magicled
Mini-User
Beiträge: 3
Registriert: So, 02.09.07, 20:36

Do, 06.09.07, 20:13

Wirklich SUPER KLASSE, dass du mir einen Schaltplan und sogar noch ein Foto mitgeschickt hast!!! Danke! werde die Bauteile am Wochenende besorgen und das ganze mal ausprobieren! Natürlich gibts dann auch ein Erfolgsfoto von mir wenns geklappt hat!

Danke!!!!
luckylu1
Hyper-User
Hyper-User
Beiträge: 1405
Registriert: So, 29.04.07, 05:11
Wohnort: berlin

Sa, 08.09.07, 01:33

so, ich hoffe mal das war schnell genug^^

dämmerungsschalter auf basis eines schmitttriggers /abartig, aber man schreibt das wirklich mit 3 t
1856_dmmerungsschalter_schmitttrigger_1.jpg
1856_dmmerungsschalter_schmitttrigger_1.jpg (22.52 KiB) 12624 mal betrachtet
als betriebsspannung sind hier 12V vorgesehen

noch fragen? pm
Antworten