Geplant war eine innovative, einzigartige, individuelle und "kostengünstige" (dazu später mehr) Arbeitsbereichbeleuchtung in der Küche. Ich wollte keine Möbel-unterbau-strahler, oder wie diese auch heißen mögen, weil diese einfach nicht schön aussehen. Leuchtstoffröhren hatte ich in meiner alten Küche und sehen ebenfalls nicht schön aus. Ausserdem kann einem so ein Stroposkopeffekt im Halbschlaf echt zum wahnsinn treiben. Hat von euch einer dannach nochmal versucht einzuschalfen?
Sonntags am Frühstückstisch wollte ich nicht auf unförmige Konstruktionen gucken, die einfach an jeder Stelle unterm Schrank deplatziert wirken. Ich wollte keine punktuelle Beleuchtung, relativ unauffällig sollte sie von aussen sein und dennoch eine vollwertige Arbeitsbeleuchtung werden. Oben drein sollte die Beleuchtung aber auch ein bewunderdes Abnicken bei unseren Gästen herauslocken können, sowas ist dann bei ner Party mit Buffet ein schöner eyecatcher.
Dioden waren auf Grund ihrer Baugröße und individuelle Einsatzmöglichkeiten die erste Wahl, um jedoch die punktuelle Ausleuchtung zu vermeiden müssten es aber dann ein paar mehr Dioden sein.
Aber kein Problem; dacht ich mir:" Bei nem Stückpreis von 0,30€ komm ich mit 75€ schon hin." Und mit Unterbauleuchten hät ich für 75€ gerademal eine Seite von meiner Küche beleuchtet.
Das Ding war klar und bereit zur Planung und Umsetzung; selbst meine Frau stimmte zu und war begeistert von der Idee. Also los.
Zu beleuchten sind
> ein Herd geplant mit 9 Dioden
> eine Fläche von 2,2 m länge (arbeitsbereich, rechte Seite) geplant mit 60 Dioden
> eine Fläche von 1,5 m länge (abstellbereich für Kaffemaschine, Toaster, etc. auf der linken Seite) geplant mit 30 Dioden
Geschalten sollte jede Kette über einen Taster in der Dunstabzugshaube werden. Nebenbei hab ich auch gleich noch geplant die Arbeitssteckdosen über zwei Taster (je auch links und rechts) Schaltbar zu machen und auch der Herd wird über einen Taster in der Haube schaltbar sein (Kindersicherung). Wenn man schonmal bei ist.
Hab die Dioden Bestellt 100 stk. und je ein Widerstand, Taster und Trafos hab ich noch einige brauchbare gehabt und der Rest wurde bei CONRAT und OPI direkt mal gekauft. Zack doch schon insgsamt 100€ weg.
Bei einer Versorgungsspannung von 11,5 V (vom vorhandenen Trafo vorgegeben) braucht man bei den weißen Leds bei 3,1 V Betriebsspannung und 18 mA max. Stromstärke je einen 470 Ohm Widerstand aus der Normreihe. Tatsächlich bekommen somit die Leds dann 17,87 mA bei 3,08 V. Laut meiner Rechnung passt das so dann halt.
Bei 100 Leds parallel macht das dann etwa 1,8 A an 11,5 V, das macht dann Multipliziert 20,5 Watt Leistung, da hält mein Trafo mit.
Die zugeschnittenen Bretter ausm Baumarkt hab ich dann Rückseitig (die Seite die dann mal direkt am Schrank anliegt) mit der Oberfräse mit Nuten versehen, um darin die Kupferleitungen (ist in meinem Fall 1mm² Kupfer, für max 2A also kein Problem) zu verlegen. Für jede LED eine Quernut von der einen zur anderen Seite (aber vorher genau vermessen nicht vergessen, soll ja gleichmässig aussehen) gefrässt, die Löscher (bei 3 mm Led ~5,5 mm) zum Durchstecken der Leds bebohrt und die + und - Leitung für die Parallelschaltung noch in die Nuten geklebt (mit Acryl hab ichs gemacht) und erstmal Feierabend gemacht.
Die Dioden hab ich dann mit Sekundenkleber in den Löschern fixiert und die Widerstände in die Quernuten gelegt und alles in einem Durchgang verlötet.(waren 2 Stunden ohne Pause, hatte auch ziemlich Kopfschmerzen dannach).
Das sieht dann so aus. Den Trafo und die Relais für die Taster-schaltungen habe ich auf einem Brett frei verdrahtet, direkt über meine Dunstabzugshaube in den Schrank integriet und hinter einem zweiten Brett, was dann ein Gewürzregal bildet, verbaut. Also Ladylike versteckt sozusagen.
Für die Schaltung mit den Steckdosen brauchte ich extra Steuerrelais, weil die Tastrelais nur 12V schalten und ein Dauerimpuls abgeben. Steuerrelais schalten einen Kontakt solange wie eine Spannung am Anker anliegt, nicht wie Tastrelais, die durch ein Impuls ihre Schaltstellung behalten.
Man glaubt es kaum, aber selbst in einem Fachmarkt ist es nicht möglich von einem Verkäufer, eben diese Steuerrelais zu erhalten, mir wurden dreimal Relais in dem Glauben es seien Steuerrelais angedreht.
So siehts über der Haube aus.
Die blauen SMD-Leds sind kleine Kontrolleuchten, die einfach auf den Öffnerkontakt des jeweiligen Relais geschalten sind, natürlich auch mit je einem Vorwiderstand(470 Ohm).
Der Kontakt sollte nicht ungenutzt bleiben und kommt somit dem Kontroldrang meiner Frau zu Gute. Wenn alles blau leuchtet ist nichts in der Küche aktiv, aussers Radio (Im letzten Bild links unten zu erkennen)
Problematisch war nun der Einbau der Taster in die EDELSTAHL-Haube. Ohh mann, lässt sich das schei*** bearbeiten, habs letztendlich so weit wie meine Bohrer reichten und gross waren, vorgebohrt und dann noch mit dem Dremel bearbeietet. Hat mich etwa einen Satz Bohrer, 12 Trennscheiben und einen Tag arbeit gekostet. (Zäh wie Hund, das zeug [hätte der Meister gesagt])
Alles war nun fertig und konnte erprobt werden.
Zuerst ging alles,
wunderbar sah super aus,
aber dann war der Trafo der Meinung, dass ihm der zugeteilte Aufgabenbereich nicht zusagt oder so und verabschiedete sich.
Überlast wars nicht und so wenig wars auch nicht.
Nun ja es hat mir jedenfalls auch einige Dioden durchgehauen.
Neuer Trafo. Diesmal besser, diesmal extra gekauft mit Reserve fürs nächste Projekt.
Neue Dioden und noch ein paar extra für den Arbeitsbereich rechts. Die 60 LEDs waren nicht so hell wie ichs mir erhofft hatte.
Problem nun, ich hatte 15V Betriebsspannung. Ich brauchte also weitere Widerstände um die 3,5 V die nun mehr anlagen zu kompensieren. Durch die 3,5V mehr hatte ich nun errechnet, erhöht sich der Strom an jeder LED auf 23,36 mA, die 470 Ohm waren ja geblieben. Also hab ich auf meinem Brett (auch auf den Fotos zu sehen) weitere Widerstände eingelötet.
Berechnung der Zusatz-R´s
9´er Kette Gesamt-R 71,3333 Ohm mit gesamt max 0,1608 A (17,87 mA * 9 stk);
>3,5V müssen über den Zusatz-R verbraten werden um bei der Stromstärke zu bleiben. R=U/I 3,5V durch 0,1608 A = 21,78 Ohm
>Dimensionierung des Widerstandes P=U*I 3,5V mal 0,1608 = 0,56 Watt Also R grösser als 0,56 Watt wählen.
30´er Kette Gesamt-R 21,4 Ohm mit gesamt max 0,5316 A (17,87 mA * 30 stk)
>Zusatz-R R=U/I 21,4 durch 0,5316 A ist R = 6,529 Ohm
>R muss grösser als 1,9 Watt gewählt werden P = U*I 3,5 mal 0,5316 A P = 1,88 Watt
92´er Kette (war mal die 60´er) Gesamt-R 6,978 Ohm mit max 1,644 A
>Zusatz-R 2,18 Ohm
>min. 5,75 Watt
Berechnung der Gesamtlast
135 LEDs á 18 mA --> macht 2,43 A (135 * 18 mA)
das an 15 V macht 36,6 Watt Leistung (2,43 * 15)
Passt, kann zu geschalten werden,
nein noch nicht, schnell noch ne Feinsicherung und ne Halterung gekauft mit eingebaut und los. (war mir dann nicht mehr so Sicher)
Es klappt, gemessener max Strom 2,2 A mit ner Dioden-Spannung von sagenhaften 3,1 V im Schnitt. Der Trafo bleibt auch kalt und verhält sich ruhig auch bei Dauerlast, selbst im Standbymodus (2,4 Watt wegen den blauen leds) keine Überspannung)
Und so siehts aus.
Die Haube offen von unten > Rechts am Tag Licht aus Rechts am Tag Licht an Rechts am Tag von unten Links am Tag Licht aus Links am Tag Licht an Links am Tag vun unten Rechts Nachts Herd Rechts Nachts 1 Rechts Nachts 2 Links Nachts Zu den Kosten.
150 stk Led 3mm Hyperhell weiß 10000 mcd 20° 50,0€
10 stk SMD Superhell blau 120° 80 mcd 4,5€
200 stk Widerstand 470 Ohm 0,33 Watt 6,0€
Holz Zuschnitt je nach Qualität 10,0€
Kleinmaterial ausm Baumarkt 15,0€
6 stk Taster Edelstahl bei CONRAT 180,0€ (hab ich aber nicht bezahlt hab ich von arbeit)
6 stk Relais 12 V 1 S 1 Ö 60,0€ (hät nicht gedacht das die mich so teuer kommen)
3 stk Steuerrelais 8-12 V 45,0€
1 stk Relais 25 A 230 V 15,0€
1 stk Ringkerntrafo 2x15V 120 VA 20,0€
2 stk Gleichrichter 5,0€
1 stk Sicherung + Halterung 2,0€
MACHT ZUSAMMEN DANN NOCH UNGLAUBLICHERE 412,5€
Dies sind gerundete Werte, hab auch mehrmals nachgerechnet, aber der Wert stimmt.
Hätt ich nicht gedacht.
Soviel zu dem > "Ach mit etwa 75€ komm ich schon hin".
Meine Frau hat mir meine nächsten Projekte erstmal bis auf weiteres, auf unbestimmte Zeit verschoben. Vertändlich, wie ich meine.
Schlusswort: Für mich wars ein super Projekt, hat viel Spass gemacht und das Ergebniss ist letztendlich für mich voll Zufriedenstellend. Ich würds wieder mach, aber nicht weils Geld spart.
EDIT:
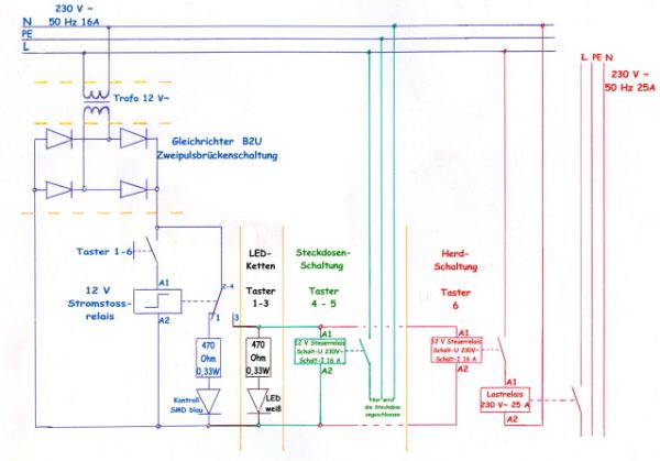
Wie versprochen; hier kommt der von Hand gezeichnete Plan. Zur Erklärung: Auf der linken Seite alles was blau gemalt, ist sozusagen die Grunndschaltung, die sich hier 6-mal wiederholt. An Kontakt 3 des Stromstoßrelais wird dann je nach Aufgabe entweder eine Led-Kette (hier in schwarz), eine Steckdosenschaltung (in grün), oder die Herdschaltung (in rot) angeschlossen. Deswegen ist der Taster auch mit 1-6 Beschriftet, pro Schaltung natürlich eben ein Taster und sechs Schaltungen sinds.




