Verkabelung bei LED-Leuchtmitteln
Moderator: T.Hoffmann
Ich möchte eine historische Decken-Lampe auf LED umstellen. Mit 230V LED-Leuchtmitteln (E14 bzw. E27 Fasung) funktioniert dies ganz gut. Nun ist aber in jeder solchen Fassung ein eigener Trafo/Treiber vorhanden. Wesentlich eleganter wäre jedoch eine Verkabelung mit Kleinspannung und Verwendung von nur einem separaten LED Trafo/Treiber.
Dieser soll idealerweise im Unterverteilungkasten o.ä. sitzen und die Lampe soll hinter dem Trafo sekundärseitig geschaltet werden.
Einige Fragen sind offen:
Können mehrere solcher Lampen (z.B. 2 Räume) an einen LED-Trafo/Treiber angeschlossen werden? Oder ist dies wegen einer getrennten Zuschaltung aufgrund des erforderlichen Konstant-Stromes nicht möglich/sinnvoll?
Wie wähle ich den passenden Trafo (Spannung/Stromstärke) zu den Leuchtmitteln aus? Reihen oder Parallelschaltung der Leuchtmittel?
Welche LED-Leuchtmittel sind geeignet?
Ich sehe 4 Varianten:
http://www.leds.de/High-Power-LEDs/Chip ... ul-6W.html
http://www.leds.de/LED-Lampen-Leuchtmit ... W-12V.html
http://www.leds.de/LED-Lampen-Leuchtmit ... weiss.html
oder COB
Wird eine Abdeckung aus Glas zum Staubschutz benötigt?
Dieser soll idealerweise im Unterverteilungkasten o.ä. sitzen und die Lampe soll hinter dem Trafo sekundärseitig geschaltet werden.
Einige Fragen sind offen:
Können mehrere solcher Lampen (z.B. 2 Räume) an einen LED-Trafo/Treiber angeschlossen werden? Oder ist dies wegen einer getrennten Zuschaltung aufgrund des erforderlichen Konstant-Stromes nicht möglich/sinnvoll?
Wie wähle ich den passenden Trafo (Spannung/Stromstärke) zu den Leuchtmitteln aus? Reihen oder Parallelschaltung der Leuchtmittel?
Welche LED-Leuchtmittel sind geeignet?
Ich sehe 4 Varianten:
http://www.leds.de/High-Power-LEDs/Chip ... ul-6W.html
http://www.leds.de/LED-Lampen-Leuchtmit ... W-12V.html
http://www.leds.de/LED-Lampen-Leuchtmit ... weiss.html
oder COB
Wird eine Abdeckung aus Glas zum Staubschutz benötigt?
Dann ist es doch gut.ArtDeco hat geschrieben:Ich möchte eine historische Decken-Lampe auf LED umstellen. Mit 230V LED-Leuchtmitteln (E14 bzw. E27 Fasung) funktioniert dies ganz gut.
Warum?ArtDeco hat geschrieben:Wesentlich eleganter wäre jedoch eine Verkabelung mit Kleinspannung und Verwendung von nur einem separaten LED Trafo/Treiber.
Du hast eine separate Leitung von der Leuchte zur UV?ArtDeco hat geschrieben:Dieser soll idealerweise im Unterverteilungkasten o.ä. sitzen und die Lampe soll hinter dem Trafo sekundärseitig geschaltet werden.
Lutz
Aber ein Trafo/Treiber erscheint mir effizienter als drei (bei jeder Fassung einer). Welche Leuchtmittel und welche Beschaltung (Reihe oder Parallel) wäre hier sinnvoll?
Bei Reihenschaltung ergibt sich eine höhere Spannung, und man kann dünnere Leitungen nehmen. Diese sollen vom Trafo bis zur Lampe über Leerrohr neu verlegt werden.
Lassen sich Leuchtmittel der Art
http://www.leds.de/LED-Lampen-Leuchtmit ... W-12V.html
http://www.leds.de/LED-Lampen-Leuchtmit ... weiss.html
In Reihe schalten?
Wie erkennt man ob diese Leuchtmittel Gleich- oder Wechselspannung benötigen?
Im Datenblatt steht: "12V AC/DC Sicherer Betrieb". Es scheint beides möglich zu sein.
Was ist da für eine Elektronik verbaut? Ist diese reihenschaltungsfähig oder sind es Treiber für einen Direktanschluß an die Stromquelle?
Sind diese für das Problem überhaupt geeignet, oder ist es eine schnelle Lösung für Halogen-Lampen-Ersatz?
Bei Reihenschaltung ergibt sich eine höhere Spannung, und man kann dünnere Leitungen nehmen. Diese sollen vom Trafo bis zur Lampe über Leerrohr neu verlegt werden.
Lassen sich Leuchtmittel der Art
http://www.leds.de/LED-Lampen-Leuchtmit ... W-12V.html
http://www.leds.de/LED-Lampen-Leuchtmit ... weiss.html
In Reihe schalten?
Wie erkennt man ob diese Leuchtmittel Gleich- oder Wechselspannung benötigen?
Im Datenblatt steht: "12V AC/DC Sicherer Betrieb". Es scheint beides möglich zu sein.
Was ist da für eine Elektronik verbaut? Ist diese reihenschaltungsfähig oder sind es Treiber für einen Direktanschluß an die Stromquelle?
Sind diese für das Problem überhaupt geeignet, oder ist es eine schnelle Lösung für Halogen-Lampen-Ersatz?
Die von Dir verlinkten Leuchtmittel sind ebenfalls LED-Retrofits, in diesem Fall mit integrierter Konstantstromquelle für den Betrieb an 12 V.Aber ein Trafo/Treiber erscheint mir effizienter als drei (bei jeder Fassung einer).
Der von Dir geplante Umbau würde aus den 3 Treibern also sogar 4 Treiber machen. (12 V Netzteil + 3 x KSQ).
Die Systemeffizienz wäre damit wahrscheinlich sogar deutlich schlechter als bei E27-Retrofits.
Sinnvoller wäre es, darauf zu achten, E27-Retrofits mit möglichst hoher Effizienz zu verwenden, z.B.
http://www.leds.de/LED-Lampen-Leuchtmit ... 27-CL.html
mit 117 lm/W und 470 lm
oder, wenn es heller sein muss:
http://www.leds.de/LED-Lampen-Leuchtmit ... 27-FR.html
mit 117 lm/W und 1055 lm
Mit dem von Dir vorgeschlagenen Umbau würdest Du mit viel Glück vielleicht 65 lm/W erreichen.
OK, damit scheiden diese Stiftsockel-Retrofits aus. Es macht dann keinen Sinn diese in Reihe zu schalten.
Wie sieht es mit den COB aus?
http://www.leds.de/High-Power-LEDs/Nich ... ie-24.html
Lässt sie sich mit 75 oder 100mA betreiben, um eine optimale Lichtausbeute (lm/W) zu erzielen? Bei 300mA sinkt sie auf 115lm/W. Oder ist bei 100mA das Licht unbefriedigend?
Kann ich davon zwei bis drei in Reihe schalten und dann mit EINEM Konstantstrom-Treiber ansteuern?
Ist eine Zu/Abschaltung weiterer LED's möglich, indem die betreffenden LED's mit einem Schalter überbrückt werden? Oder reagiert der Treiber dann mit Stromspitzen?
Lassen sich diese Treiber Sekundärseitig schalten, oder ziehen sie dann einen Reststrom?
Noch eine prinzipielle Frage: Konstantstrom-Treiber haben oft nur eine grobe Rasterung 350mA, 700mA u.s.w. Was mache ich um 250 bzw 300mA zu erzielen?
Wie sieht es mit den COB aus?
http://www.leds.de/High-Power-LEDs/Nich ... ie-24.html
Lässt sie sich mit 75 oder 100mA betreiben, um eine optimale Lichtausbeute (lm/W) zu erzielen? Bei 300mA sinkt sie auf 115lm/W. Oder ist bei 100mA das Licht unbefriedigend?
Kann ich davon zwei bis drei in Reihe schalten und dann mit EINEM Konstantstrom-Treiber ansteuern?
Ist eine Zu/Abschaltung weiterer LED's möglich, indem die betreffenden LED's mit einem Schalter überbrückt werden? Oder reagiert der Treiber dann mit Stromspitzen?
Lassen sich diese Treiber Sekundärseitig schalten, oder ziehen sie dann einen Reststrom?
Noch eine prinzipielle Frage: Konstantstrom-Treiber haben oft nur eine grobe Rasterung 350mA, 700mA u.s.w. Was mache ich um 250 bzw 300mA zu erzielen?
Das Problem bei diesen COBs ist in Deinem Anwendungsfall die hohe Vorwärtsspannung von 36,3 V bei 135 mA. Bei 100 mA dürften es immer noch ca. 34 V. Du bräuchtest also eine KSQ, die bei 100 mA eine Spannung von 102 V liefern kann. Eine solche KSQ ist mir nicht bekannt.
Die COBs benötigen ausserdem einen relativ großen Kühlkörper.
Gute KSQs haben meist einen Wirkungsgrad von um die 83%. Aus den 139 lm/W der COBs wird dadurch eine Systemeffizienz von 139 lm/W x 0,83 = 115 lm/W. Das wäre also auch keinerlei Gewinn gegenüber der oben verlinkten E27-Retrofits.
Ausgehend von Deiner eingangs gemachten Aussage
Der Umbau würde nur unnötige Kosten verursachen und im Endeffekt keinen Vorteil bringen.
KSQs dürfen übrigens grundsätzlich nicht sekundär geschaltet werden.
Die COBs benötigen ausserdem einen relativ großen Kühlkörper.
Gute KSQs haben meist einen Wirkungsgrad von um die 83%. Aus den 139 lm/W der COBs wird dadurch eine Systemeffizienz von 139 lm/W x 0,83 = 115 lm/W. Das wäre also auch keinerlei Gewinn gegenüber der oben verlinkten E27-Retrofits.
Ausgehend von Deiner eingangs gemachten Aussage
verstehe ich daher den Sinn des Umbaus nicht. Wenn E27-Retrofits passen, kannst Du die doch nehmen. (E14 fallen wegen geringerer Effizienz weg.)Mit 230V LED-Leuchtmitteln (E14 bzw. E27 Fasung) funktioniert dies ganz gut.
Der Umbau würde nur unnötige Kosten verursachen und im Endeffekt keinen Vorteil bringen.
KSQs dürfen übrigens grundsätzlich nicht sekundär geschaltet werden.
Die Überlegung kam daher, das LED's mit Gleichspannung betrieben werden und diese bei einer LED deutlich niedriger als 230V ist. Daher schien mir eine Gleichspannungsverkabelung interessant. Das Problem liegt evtl. darin, dass alle marktwirtschaftlichen Überlegungen diese 230V Wechselspannung als Grundlage haben.
2. Grund: wegen der hohen Effizienz der LED gegenüber Glühlampen müssten deutlich geringere Leitungsquerschnitte möglich sein. Vorteil: mit 0,5mm² Litze lassen sich historische Lampen besser verkabeln und anschliessen, als mit den starren 1,5mm² (bzw. 1,5mm² Litze intern), die ja deutlich mehr Leistung vertragen.
Wie ist die Effektivität zu bewerten, wenn man eine Spannungsquelle mit konstant 12V Wechselspannung (?) an Retrofit-Stiftsockel-Lampen wie
http://www.leds.de/LED-Lampen-Leuchtmit ... W-12V.html
anschliesst?
Primärseitige alternative: Rein physikalisch könnte man alle 230V Lichtstromkreise für die LED-Technik mit 0,5mm² Litze und 1A-Absicherung ausführen. Viele technische Geräte handhaben das ja intern so. Allerdings ist nach DIN 1,5mm² der kleinste zulässige Querschnitt für Verlegung.
Mich stört, dass eine 3W Lampe eine genauso dicke 230V Zuleitung hat, wie ein 2000W Staubsauger.
2. Grund: wegen der hohen Effizienz der LED gegenüber Glühlampen müssten deutlich geringere Leitungsquerschnitte möglich sein. Vorteil: mit 0,5mm² Litze lassen sich historische Lampen besser verkabeln und anschliessen, als mit den starren 1,5mm² (bzw. 1,5mm² Litze intern), die ja deutlich mehr Leistung vertragen.
Wie ist die Effektivität zu bewerten, wenn man eine Spannungsquelle mit konstant 12V Wechselspannung (?) an Retrofit-Stiftsockel-Lampen wie
http://www.leds.de/LED-Lampen-Leuchtmit ... W-12V.html
anschliesst?
Primärseitige alternative: Rein physikalisch könnte man alle 230V Lichtstromkreise für die LED-Technik mit 0,5mm² Litze und 1A-Absicherung ausführen. Viele technische Geräte handhaben das ja intern so. Allerdings ist nach DIN 1,5mm² der kleinste zulässige Querschnitt für Verlegung.
Mich stört, dass eine 3W Lampe eine genauso dicke 230V Zuleitung hat, wie ein 2000W Staubsauger.
Bei den 12 V Retrofits macht es keinen Unterschied, ob Du AC oder DC Spannung verwendest. Die Effizienz bleibt die gleiche.
Mit dem Leitungsquerschnitt bei 230 V hast Du natürlich recht.
Wie genau sehen denn diese historischen Lampen aus? Hier wären ein paar Fotos hilfreich.
Eine mögliche Alternative wären eventuell die Mini-Matrix-Module:
http://www.leds.de/LED-Leisten-Module/LED-Matrix/
Wenn in den Lampen ausreichend Platz ist, um jeweils mehrere Module unterzubringen, wäre das wahrscheinlich eine gute Lösung.
Die werden mit einer Konstantspannung von 24 V betrieben und benötigen ausserdem keine zusätzliche Kühlung.
Die könntest Du mit einem normalen 24 V DC Netzteil betreiben, was dann natürlich auch sekundär geschaltet werden darf.
Mit dem Leitungsquerschnitt bei 230 V hast Du natürlich recht.
Wie genau sehen denn diese historischen Lampen aus? Hier wären ein paar Fotos hilfreich.
Eine mögliche Alternative wären eventuell die Mini-Matrix-Module:
http://www.leds.de/LED-Leisten-Module/LED-Matrix/
Wenn in den Lampen ausreichend Platz ist, um jeweils mehrere Module unterzubringen, wäre das wahrscheinlich eine gute Lösung.
Die werden mit einer Konstantspannung von 24 V betrieben und benötigen ausserdem keine zusätzliche Kühlung.
Die könntest Du mit einem normalen 24 V DC Netzteil betreiben, was dann natürlich auch sekundär geschaltet werden darf.
Wie ist die Effizienz der 12V Retrofits mit vorgeschaltetem 12V Wechselsopannungs-Trafo zu bewerten? Du hast natürlich recht, da jede Retrofit einen eigenen Treiber hat, fehlt dann der Vorteil gegenüber den E27 Retrofits. Ein weiterer Vorteil einer Kleinspannungsverkabelung ist, dass man auf den bei Lampen nervigen Schutzleiter verzichten kann. Der ist ja nur wegen der Gefährlichkeit der 230V erforderlich.
Hier wäre eine Musterlampe
http://www.ebay.de/itm/alter-Art-Deco-M ... 1564120297
In die Ausleger neue Leitungen einzuführen ist wegen der Verwinkelung sehr nervig. Hier wäre dünne Litze eine erhebliche Erleichterung.
Weiter möchte ich zwei Glaskolbenlampen zur Außenbeleuchtung (Anstrahlen der Wand)
http://www.ebay.de/itm/ORIGINAL-SIEMENS ... 1548754821
auf LED umrüsten. Sie sollen li. und re. neben ein Fenster. Daher wollte ich 2 COB in Reihe schalten.
Hier wäre eine Musterlampe
http://www.ebay.de/itm/alter-Art-Deco-M ... 1564120297
In die Ausleger neue Leitungen einzuführen ist wegen der Verwinkelung sehr nervig. Hier wäre dünne Litze eine erhebliche Erleichterung.
Weiter möchte ich zwei Glaskolbenlampen zur Außenbeleuchtung (Anstrahlen der Wand)
http://www.ebay.de/itm/ORIGINAL-SIEMENS ... 1548754821
auf LED umrüsten. Sie sollen li. und re. neben ein Fenster. Daher wollte ich 2 COB in Reihe schalten.
Bei den Siemens-Leuchten brauchst Du keinen Erdleiter, der ist nur bei Metallgehäusen vorgeschrieben. Hier würde ich allein schon wegen der Optik bei E27-Retrofits bleiben.
Wenn bei der Art-Deco-Leuchte auch E27-Sockel eingebaut sind, macht der Umbau wirklich keinen Sinn. Das Verlegen der Leitungen ist - wenn nicht schon vorhanden - eine einmalige Angelegenheit, also was solls? Beide Leuchten sind auf die für E27-Leuchtmittel übliche Bauform ausgelegt, schon deshalb würde ich dabei bleiben. Ob die Leuchten mit COBs oder Mini-Matrix-Modulen noch optisch ansprechend wirken ist fraglich. Diese haben einen Abstrahlwinkel von nur 120°.
Wenn bei der Art-Deco-Leuchte auch E27-Sockel eingebaut sind, macht der Umbau wirklich keinen Sinn. Das Verlegen der Leitungen ist - wenn nicht schon vorhanden - eine einmalige Angelegenheit, also was solls? Beide Leuchten sind auf die für E27-Leuchtmittel übliche Bauform ausgelegt, schon deshalb würde ich dabei bleiben. Ob die Leuchten mit COBs oder Mini-Matrix-Modulen noch optisch ansprechend wirken ist fraglich. Diese haben einen Abstrahlwinkel von nur 120°.
OK, aus praktischer Sicht sehe ich es auch so. Will nun den Art-Deco-Leuchte so belassen, zumal dann in der Tat die Kvor dem Treiber geschaltet werden muss.
Da ich aber auch gern selbst Schaltungen löte, suche ich nach einer sinnvollen Anwendung einer COB. Nach Betrachtung der Lösung
viewtopic.php?f=31&t=21051
fände ich dies sehr interessant für meine beiden Außenleuchten (als Wandstrahler), die nachts durchgängig leuchten sollen. Die Leistung soll aber deutlich geringer sein.
Wäre hier eine Reihenschaltung mit 2 COB
http://www.leds.de/High-Power-LEDs/Nich ... ie-24.html
möglich? Ist es richtig, dass diese COB dann bei 70mA am effektivsten ist? 100mA wäre aber auch OK. Braucht es bei 70mA auch einen Kühlkörper?
Welche KSQ ist hier am effektivsten? Sie sollte aber 80V schaffen. Möglichst ohne Dimmfunktion.
Da ich aber auch gern selbst Schaltungen löte, suche ich nach einer sinnvollen Anwendung einer COB. Nach Betrachtung der Lösung
viewtopic.php?f=31&t=21051
fände ich dies sehr interessant für meine beiden Außenleuchten (als Wandstrahler), die nachts durchgängig leuchten sollen. Die Leistung soll aber deutlich geringer sein.
Wäre hier eine Reihenschaltung mit 2 COB
http://www.leds.de/High-Power-LEDs/Nich ... ie-24.html
möglich? Ist es richtig, dass diese COB dann bei 70mA am effektivsten ist? 100mA wäre aber auch OK. Braucht es bei 70mA auch einen Kühlkörper?
Welche KSQ ist hier am effektivsten? Sie sollte aber 80V schaffen. Möglichst ohne Dimmfunktion.
Theoretisch ja. Das Problem wird dabei die Stromversorgung. Eine KSQ mit 67 V und 70 mA gibt es meines Wissens nicht.Wäre hier eine Reihenschaltung mit 2 COB
http://www.leds.de/High-Power-LEDs/Nich ... ie-24.html
möglich?
Auch bei Einzelverschaltung wird es selbst bei 100 mA durch die hohe Vorwärtsspannung problematisch, eine passende Stromversorgung zu finden.
Eine eventuell praktikable Lösung wäre die Verwendung der 36er-Module
http://www.leds.de/High-Power-LEDs/Nich ... weiss.html
und davon 2 Stück mit je einem zusätzlichen Ausgleichswiderstand von z.B. 1 Ohm parallel zu schalten und mit einer APC-12-350
http://www.elpro.org/shop/shop.php?p=APC-12-350
zu betreiben. Das wären dann 175 mA je Modul, also knapp 6 W und je 800 lm, also etwas heller als eine 60 W Glühbirne.
Als Kühlkörper würde je ein LPF40A50-5-B
http://www.elpro.org/shop/shop.php?p=LPF40A50-5-B
völlig ausreichen.
Die Spannung über den Modulen müsste man dann im Betrieb noch messen und gegebenenfalls die Widerstandswerte anpassen.
Wenn es dunkler und weniger Leistung sein soll, würden sich eher die Mini Matrix Module anbieten:
http://www.leds.de/LED-Leisten-Module/L ... 2700K.html
Entspricht dann etwa der Helligkeit von je einer 20 W Glühbirne und verbraucht je Leuchte knapp 2 W.
Vorteil: die können mit einem kleinen 24 V Netzteil betrieben werden, z.B.:
http://www.elpro.org/shop/shop.php?p=PM-05-24
Ein Netzteil reicht dann für beide Leuchten.
OK, danke. Ist bei den Matrix-Modulen die Konstantstrom-Technik bereits integriert?
Einen Widerstand parallel zur COB ist nicht so gut, da dann ein Teil der Energie darüber verloren geht.
Wenn die hohe Vorwärtsspannung von ca.70-80V ein Problem für die gängigen KSQ ist, dann kann man die COB's notfalls auch parallel schalten?
Dann könnte man eine KSQ mit 150, 200mA oder 300-350mA nehmen.
Aber vllt. gibt es aber doch eine KSQ mit ca.100mA und 70V.
Welche max. Spannung liefert:
http://www.leds.de/LED-Zubehoer/Strom-u ... 200mA.html
Muss davor noch ein Wechselstromtrafo von 230V?
Einen Widerstand parallel zur COB ist nicht so gut, da dann ein Teil der Energie darüber verloren geht.
Wenn die hohe Vorwärtsspannung von ca.70-80V ein Problem für die gängigen KSQ ist, dann kann man die COB's notfalls auch parallel schalten?
Dann könnte man eine KSQ mit 150, 200mA oder 300-350mA nehmen.
Aber vllt. gibt es aber doch eine KSQ mit ca.100mA und 70V.
Welche max. Spannung liefert:
http://www.leds.de/LED-Zubehoer/Strom-u ... 200mA.html
Muss davor noch ein Wechselstromtrafo von 230V?
Die Matrix Module haben einen entsprechend dimensionierten Vorwiderstand auf der Platine. Ein weiterer Vorteil hierbei ist, dass keine Kühlung notwendig ist.
Das mit den Ausgleichswiderständen hast Du falsch verstanden. Das war so gemeint: Die von Dir angesprochene KSQ wird mit Gleich- oder Wechselspannung betrieben. Das Problem hierbei ist die maximale Eingangsspannung von 35 V bei einem Drop von 3 V. Damit bleiben für ein COB-Modul nur noch 32 V übrig, und das ist knapp zu wenig.
Das mit den Ausgleichswiderständen hast Du falsch verstanden. Das war so gemeint: Die von Dir angesprochene KSQ wird mit Gleich- oder Wechselspannung betrieben. Das Problem hierbei ist die maximale Eingangsspannung von 35 V bei einem Drop von 3 V. Damit bleiben für ein COB-Modul nur noch 32 V übrig, und das ist knapp zu wenig.
Vielleicht, glaub ich aber nicht. Diese Anwendung ist einfach zu speziell für eine Serienfertigung.Aber vllt. gibt es aber doch eine KSQ mit ca.100mA und 70V.
Was bewirkt der Vorwiderstand vor der LED?
Wie würde sich im Vergleich die schwächere COB verhalten?
http://www.leds.de/High-Power-LEDs/Nich ... ie-24.html
Wie würde sich im Vergleich die schwächere COB verhalten?
http://www.leds.de/High-Power-LEDs/Nich ... ie-24.html
Die Widerstände wirken leichten Unterschieden in der Vorwärtsspannung der COBs entgegen.
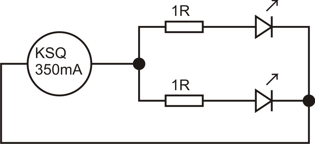
Bei erster Inbetriebnahme misst man den Spannungsabfall über den Widerständen. Wenn sich (im Idealfall) der Strom der KSQ von 350 mA gleichmäßig über beide COBs aufteilt, fällt über jedem Widerstand eine Spannung von 175 mV entsprechend 175 mA ab. Misst man über dem einen Widerstand z.B. 160 mV und über dem anderen 190 mV, dann teilt sich der Strom auf 160 mA im einen und 190 mA im anderen Zweig auf. Das wäre noch nicht tragisch, könnte man aber durch Ändern der Widerstände ausgleichen. Bei größeren Abweichungen müsste man ausgleichen.
Mit der von mir vorgeschlagenen KSQ ist die Vorwärtsspannung der kleinen COB-Module bereits außerhalb des Ausgangsspannungsbereich der KSQ (> 36 V). Bei dem 036er-Modul passt es noch:
Bei erster Inbetriebnahme misst man den Spannungsabfall über den Widerständen. Wenn sich (im Idealfall) der Strom der KSQ von 350 mA gleichmäßig über beide COBs aufteilt, fällt über jedem Widerstand eine Spannung von 175 mV entsprechend 175 mA ab. Misst man über dem einen Widerstand z.B. 160 mV und über dem anderen 190 mV, dann teilt sich der Strom auf 160 mA im einen und 190 mA im anderen Zweig auf. Das wäre noch nicht tragisch, könnte man aber durch Ändern der Widerstände ausgleichen. Bei größeren Abweichungen müsste man ausgleichen.
Mit der von mir vorgeschlagenen KSQ ist die Vorwärtsspannung der kleinen COB-Module bereits außerhalb des Ausgangsspannungsbereich der KSQ (> 36 V). Bei dem 036er-Modul passt es noch:
Aha, verstehe. Der Vorwiderstand dient u.a. als Meß und Einstellpunkt damit beide etwas gleich hell leuchten. Mit wieviel Ohm sollte man beginnen?
Nur zum Verständnis der KSQ: wenn man beide Ausgleichswiderstäne erhöht, fällt dann über jede COB weniger Spannung ab? Wie verhält sich dabei der Strom und die Helligkeit der LED?
Nachtrag: wie ist diese KSQ einzuschätzen? Sie liefert bis 50V. Kann man dann die kleine 24 COB nehmen?
http://www.pur-led.de/LED-Netzteile-Wan ... -SELV.html
Hinsichtlich des Wirkungsgrades muss man viel Vertrauen haben. Wie kann man messen, ob die KSQ wirklich optimal regelt und nicht einfach die nicht benötigte Energie in Wärme o.ä. umsetzt?
Nur zum Verständnis der KSQ: wenn man beide Ausgleichswiderstäne erhöht, fällt dann über jede COB weniger Spannung ab? Wie verhält sich dabei der Strom und die Helligkeit der LED?
Nachtrag: wie ist diese KSQ einzuschätzen? Sie liefert bis 50V. Kann man dann die kleine 24 COB nehmen?
http://www.pur-led.de/LED-Netzteile-Wan ... -SELV.html
Hinsichtlich des Wirkungsgrades muss man viel Vertrauen haben. Wie kann man messen, ob die KSQ wirklich optimal regelt und nicht einfach die nicht benötigte Energie in Wärme o.ä. umsetzt?
Nein. Die KSQ APC-12-350 hat einen Ausgangsspannungsbereich von 9 V bis 36 V. Solange an der angeschlossenen Last bei einem Strom von 350 mA die Spannung den Wert von 36 V nicht überschreitet, bleibt dieser Strom konstant.Nur zum Verständnis der KSQ: wenn man beide Ausgleichswiderstäne erhöht, fällt dann über jede COB weniger Spannung ab?
Nehmen wir an, bei obiger Schaltung fällt über den COBs bei 175 mA eine Spannung von 33 V ab. Bei einem Wert von 1 Ohm für beide Widerstände liefert die KSQ dann eine Ausgangsspannung von 33 V + 0,175 V = 33,175 V. Werden beide Widerstände auf je 10 Ohm vergrößert, liefert die KSQ eine Ausgangsspannung von 33 V + 1,75 V = 34,75 V. Die Spannung über dem COB-Modul ist ausschließlich vom Strom abhängig.
Durch Ändern eines Widerstandes wird nur der Spannungsabfall über diesem Widerstand geändert. Wenn z.B. über einem COB-Modul bei 175 mA statt 33 V nur 32,9 V abfallen, muss der Widerstand dieses Moduls so geändert werden, dass über dem Widerstand bei 175 mA eine um 0,1 V größere Spannung als über dem des anderen Moduls abfällt. Die Summe der Vorwärtsspannungen aus Widerstand und COB-Modul wären dann wieder in beiden Zweigen gleich groß, wodurch in beiden Zweigen auch wieder der gleiche Strom fließt.
Bei den Nichia-COB-Modulen kannst Du getrost mit 1 Ohm beginnen. Nichia liefert recht hochwertige Ware, ich halte es deshalb eher für unwahrscheinlich, dass überhaupt eine Anpassung erforderlich ist. In dem Fall würden die 1 Ohm-Widerstände eher leichten Temperaturunterschieden zwischen den Kühlkörpern entgegenwirken.Mit wieviel Ohm sollte man beginnen?
Selbst der unwahrscheinliche Fall, dass sich die Vorwärtsspannungen der beiden COB-Module relativ stark unterscheiden, wäre auch nicht tragisch, da ein einzelnes Modul den maximalen Strom von 350 mA problemlos verträgt.
Nachtrag:
Ja, das geht.wie ist diese KSQ einzuschätzen? Sie liefert bis 50V. Kann man dann die kleine 24 COB nehmen?
Du sparst dann je 2€ je COB-Modul, also 4€. Dafür ist die KSQ dann 13,80€ teurer.
Man könnte also auch auf die Widerstände verzichten? Im schlimmsten Fall würden dann die beiden COB etwas unterschiedlich hell leuchten?
Nur zum Verständnis: was würde passieren, wenn beide COB 100% identisch sind und man beide Widerstände gleichzeitig erhöht (Spannung, Strom, Helligkeit, Effizienz)? Leuchten sie dann dunkler und die Widerstände verbraten die Energie, oder verbraucht dann die KSQ weniger Energie?
Ist bei obiger Schaltung mit KSQ 350mA die Effizienz mit der 24er oder bei der 36er höher?
Nur zum Verständnis: was würde passieren, wenn beide COB 100% identisch sind und man beide Widerstände gleichzeitig erhöht (Spannung, Strom, Helligkeit, Effizienz)? Leuchten sie dann dunkler und die Widerstände verbraten die Energie, oder verbraucht dann die KSQ weniger Energie?
Ist bei obiger Schaltung mit KSQ 350mA die Effizienz mit der 24er oder bei der 36er höher?
Im Idealfall ja.Man könnte also auch auf die Widerstände verzichten?
Diese Frage hab ich Dir schon beantwortet:Nur zum Verständnis: was würde passieren, wenn bei COB 100% identisch und man beide Widerstände gleichzeitig erhöht (Spannung, Strom, Helligkeit, Effizienz)? Leuchten sie dann dunkler und die Widerstände verbraten die Energie, oder verbraucht dann die KSQ weniger Energie?
Gleiche Spannung und gleicher Strom = gleiche Leistung über dem COB-Modul = gleiche Helligkeit.Die KSQ APC-12-350 hat einen Ausgangsspannungsbereich von 9 V bis 36 V. Solange an der angeschlossenen Last bei einem Strom von 350 mA die Spannung den Wert von 36 V nicht überschreitet, bleibt dieser Strom konstant.
Nehmen wir an, bei obiger Schaltung fällt über den COBs bei 175 mA eine Spannung von 33 V ab. Bei einem Wert von 1 Ohm für beide Widerstände liefert die KSQ dann eine Ausgangsspannung von 33 V + 0,175 V = 33,175 V. Werden beide Widerstände auf je 10 Ohm vergrößert, liefert die KSQ eine Ausgangsspannung von 33 V + 1,75 V = 34,75 V. Die Spannung über dem COB-Modul ist ausschließlich vom Strom abhängig.
Größerer Widerstand = größerer Spannungsabfall über dem Widerstand = größere Leistung über dem Widerstand = größere Leistung der KSQ = schlechtere Systemeffizienz
OK, ich denke ich hab alles verstanden. Dann will ich es zunächst ohne Widerstände versuchen und nur bei sichtbaren Unterschieden einen einbauen.
Ist es richtig, dass die größere COB effizienter ist, solange der Mindeststrom erreicht wird?
Die 60er geht nicht, da sie 230mA erfordert.
Ich glaube, die Schaltung ist dann ziemlich optimal für meinen Zweck.
Falls noch eine 3. hinzukommt, würde dann nur die kleine 24er bei 350/3=116mA gehen.
Die sollen ja in zwei Glaskolbenlampen an die Hauswand:
http://www.ebay.de/itm/alte-Hoflampe-St ... 2005586118
Welchen Reflektor und Linse würdest du empfehlen? Wie verhalten sich die COB ohne Reflektor in der Lampe? Hat man dann mehr breiteres Licht als einen Kegel?
Ist es richtig, dass die größere COB effizienter ist, solange der Mindeststrom erreicht wird?
Die 60er geht nicht, da sie 230mA erfordert.
Ich glaube, die Schaltung ist dann ziemlich optimal für meinen Zweck.
Falls noch eine 3. hinzukommt, würde dann nur die kleine 24er bei 350/3=116mA gehen.
Die sollen ja in zwei Glaskolbenlampen an die Hauswand:
http://www.ebay.de/itm/alte-Hoflampe-St ... 2005586118
Welchen Reflektor und Linse würdest du empfehlen? Wie verhalten sich die COB ohne Reflektor in der Lampe? Hat man dann mehr breiteres Licht als einen Kegel?
So etwas wie einen Mindeststrom gibt es bei LEDs nicht. Je geringer der Strom, desto höher die Effizienz.Ist es richtig, dass die größere COB effizienter ist, solange der Mindeststrom erreicht wird?
Doch, die geht. Wenn Dir danach sein sollte, kannst Du sie auch mit 50 mA betreiben.Die 60er geht nicht, da sie 230mA erfordert.
In dem Fall gar keine. Die COBs haben für sich alleine einen Abstrahlwinkel von 120°.Welchen Reflektor und Linse würdest du empfehlen?
Du solltest allerdings irgendwie dafür sorgen, dass Luft von außen an den Kühlkörper kommt.
OK, dann ist das wie bei den klassischen LED's. Die haben dann schwächer geleuchtet.
Welche Wärmeentwicklungt ist da zu erwarten?
Ohne Reflektor ist prima. Braucht es eine Linse o.ä.? Was ist mit Schmutz/Staub auf der COB? Kann der einbrennen?
Belüften ist schwierig, der Glaskolben wird sogar mit einer Gummidichtung verschraubt, da kommt kaum Luft rein.
Das einzige Loch ist die Kabeleinführung, aber da zirkuliert nichts.
Notfalls muss der Kühlkörper größer gewählt werden.
Gibt es Montagefassungen für die COB-Platine, oder wird diese auf den Köhlkörper mittels Wärmeleitpaste geklebt?
Der Kühlkörper muss dann noch auf eine geeignete E27-Fassung. Gibt es da welche mit Lötfahnen? Sonst nehme ich einen Adapter E27 auf Stiftsockel.
Welche Wärmeentwicklungt ist da zu erwarten?
Ohne Reflektor ist prima. Braucht es eine Linse o.ä.? Was ist mit Schmutz/Staub auf der COB? Kann der einbrennen?
Belüften ist schwierig, der Glaskolben wird sogar mit einer Gummidichtung verschraubt, da kommt kaum Luft rein.
Das einzige Loch ist die Kabeleinführung, aber da zirkuliert nichts.
Notfalls muss der Kühlkörper größer gewählt werden.
Gibt es Montagefassungen für die COB-Platine, oder wird diese auf den Köhlkörper mittels Wärmeleitpaste geklebt?
Der Kühlkörper muss dann noch auf eine geeignete E27-Fassung. Gibt es da welche mit Lötfahnen? Sonst nehme ich einen Adapter E27 auf Stiftsockel.
- Achim H
- Star-Admin

- Beiträge: 13067
- Registriert: Mi, 14.11.07, 02:14
- Wohnort: Herdecke (NRW)
- Kontaktdaten:
Notfalls muss der Kühlkörper größer gewählt werden.
Ein größerer Kühlkörper bringt gar nichts, wenn nur die Luft unter der Lampenhaube genutzt werden kann.
Diese Luft ist ruckzuck heiß. Wird die Led ihre Betriebswärme nicht mehr los, überhitzt diese und stirbt letztendlich den Hitzetod.
Die Warmluft muss aus dem Gehäuse raus bzw. mit der Umgebungsluft im Raum ausgetauscht werden.
Dann darfst Du Dich von der Lösung mit 175 mA je COB-Modul verabschieden.Belüften ist schwierig, der Glaskolben wird sogar mit einer Gummidichtung verschraubt, da kommt kaum Luft rein.
Glas leitet Wärme rund 300 mal schlechter als Aluminium. Das gibt (siehe Achim) definitiv einen Wärmestau. Auf welche Temperatur sich der Innenraum der Leuchte erwärmt, kann ich nicht abschätzen. Aber selbst wenn die maximal erlaubte Chiptemperatur von 140°C nicht erreicht werden sollte, dürfte zumindest die Lebensdauer der LEDs drastisch abnehmen. Eine Begrenzung des Stroms auf 70 mA bei Verwendung des oben angesprochenen Kühlkörpers würde wahrscheinlich noch funktionieren.
LEDs sind für höhere Umgebungstemperaturen einfach nicht geeignet.
Das halte ich grundsätzlich für keine gute Idee. E27-Fassungen sind für den Betrieb an 230 V AC gedacht und nur dafür sollte man sie auch verwenden. Ich bin davon ausgegangen, dass Du die Originalfassung entfernst und das Modul direkt verdrahtest.Der Kühlkörper muss dann noch auf eine geeignete E27-Fassung.
Wenn es denn unbedingt dieser Leuchtentyp sein muss, empfehle ich Dir, bei LED-Retrofits mit möglichst geringer Leistung zu bleiben. Diese hier sollten auch im Dauerbetrieb funktionieren:
http://www.leds.de/LED-Lampen-Leuchtmit ... 27-CL.html
Damit würde auch die Originaloptik der Leuchte erhalten bleiben.
Ein Selbstbau mit COB-Modulen macht in erster Linie dann Sinn, wenn man auch die Leuchte selbst baut.



