Hallo,
weiß evt. jemand einen Schaltplan, wie mit einem NE555 eine verzögerte Ein/Aus - Schaltung hinbekomme. Was momentan klappt ist Folgendes:
Ich gehe ans Netz -> LED bei Pin 3 leuchtet -> nach ca. 4 sec. geht sie wieder aus.
Ich habe dazu diese Schaltung benutzt:
http://forum.miniatur-wunderland.de/dow ... &mode=view
Ich bräuchte es etwas anders, so:
Ich gehe ans Netz -> nach ca. 1-2 sec.leuchtet LED -> nach ca. 4 sec. geht sie wieder aus.
Danke für eure Hilfe
Gruß
Karsten
NE 555 Verzögertes Ein/Aus
Moderator: T.Hoffmann
-
Hans-Georg
- Mega-User

- Beiträge: 186
- Registriert: Mi, 12.09.12, 07:24
Die Schaltung stammt von dieser Webseite:
http://www.atx-netzteil.de/elektronikseite.htm
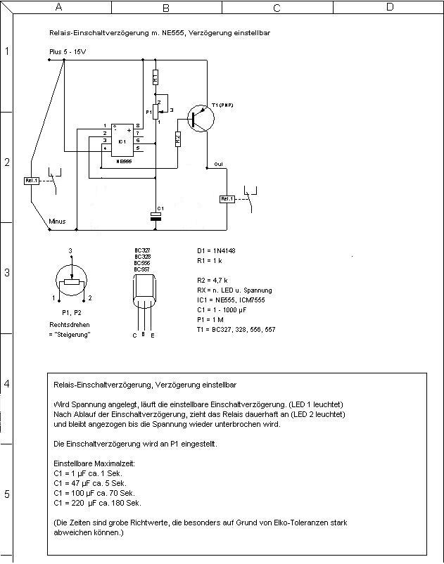
Hier gibts auch eine Einschaltverzögerung.
http://www.atx-netzteil.de/relais_ein_a ... #Blatt%203
Gruß
Hans-Georg
http://www.atx-netzteil.de/elektronikseite.htm
Hier gibts auch eine Einschaltverzögerung.
http://www.atx-netzteil.de/relais_ein_a ... #Blatt%203
Gruß
Hans-Georg
Hallo Hans-Georg,
danke, aber ich habe zwischenzeitlich dies gefunden: in
http://bastelmolch.ba.funpic.de/NE555.htm
Laut Beschreibung sollte es das doch auch tun. Das sieht sogar einfacher aus.
Gruß
Karsten
danke, aber ich habe zwischenzeitlich dies gefunden: in
http://bastelmolch.ba.funpic.de/NE555.htm
Laut Beschreibung sollte es das doch auch tun. Das sieht sogar einfacher aus.
Gruß
Karsten
-
Hans-Georg
- Mega-User

- Beiträge: 186
- Registriert: Mi, 12.09.12, 07:24
Herzlichen Glückwunsch zur Blinkschaltung 

