Guten Morgen!
Ich habe mir nun mein Paket fürs Bad auf Lumitronix zusammengestellt.
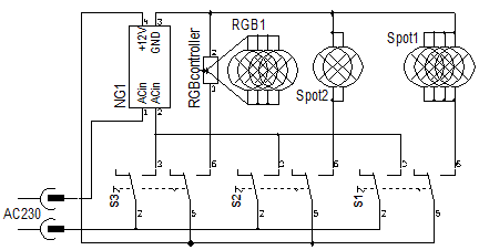
Es ist so, dass ich 3 Schalter haben werde:
1 Wippschalter -> 4x Toshiba LED Spots (vielleicht auch 6x)
1 Wippschalter -> 2x Toshiba LED Spots
1 Wippschalter -> Flexible RGB LED Leiste
Ich möchte euch nun um Hilfe bitten ob ich irgendwas vergessen habe und noch was brauche (ausser Einbauleuchten) und ob die Sachen harmonieren!?
Und kann ich die Netzgeräte in einem oder zwei zusammenfassen? Oder brauche ich wirklich drei Geräte bei 3 Schaltkreisen?
Danke!!
Liebe Grüße, Mario
Kaufberatung und Frage zur Schaltung
Moderator: T.Hoffmann
Die Komponenten passen soweit zusammen. Wenn Deine 'Wippschalter' normale Lichtschalter an der Wand sind, dann brauchts drei Netzgeräte.
Mit zweipoligen Schaltern (auf Einschaltstromfestigkeit achten!) kannst Du's mit nur einem Netzgerät hinkriegen.
Dann aber auf Maximalstrom achten, 4xRGB (4x360mA) + 6xSpot (6x560mA) = 4.79A ! viel mehr darf nicht an dieses 5A NG.
Ob irgendeine Norm dieses Vereinen von Primär- und Sekundär-Schalten in einem 2pol-Schalter nicht zulässt, weiss ich allerdings nicht.
Mit zweipoligen Schaltern (auf Einschaltstromfestigkeit achten!) kannst Du's mit nur einem Netzgerät hinkriegen.
Dann aber auf Maximalstrom achten, 4xRGB (4x360mA) + 6xSpot (6x560mA) = 4.79A ! viel mehr darf nicht an dieses 5A NG.
Ob irgendeine Norm dieses Vereinen von Primär- und Sekundär-Schalten in einem 2pol-Schalter nicht zulässt, weiss ich allerdings nicht.

