LED Fader (Wechsellicht mit Fade in und Fade out)

Unterbodenbeleuchtung, Pimp my room, usw.

Moderator: T.Hoffmann

Antworten
ruNN0r
User
User
Beiträge: 10
Registriert: Mo, 22.11.10, 22:39

Di, 23.11.10, 13:40

hi,
bin neu hier und auch relativ neu in der Elektrotechnik.
Ich habe hier eine Schaltung die verwenden möchte.
lauflicht.jpg
Aktuell ist es nur ein Lauflicht jedoch möchte ich halt das beim Umschalten von z.B. Q0 auf Q1 die LEDs an Q0 ausfaden und die an Q1 anfaden. An den Ausgangspins kommen Transistoren um mehrere LEDs schalten zu können.
Soviel dazu.
Also ein ausfaden bekomme ich hin jedoch das einfaden bereitet mir ein wenig Kopfzerbrechen. Fadeout: einen ELKO einfach Parallel zur LED(inc. Vorwiederstand) aber wie Fade ich ein? Es sollte ja auch relativ in der gleichen geschwindigkeit passieren.

Vielen Dank erstmal
Benutzeravatar
Sailor
Moderator
Beiträge: 9427
Registriert: Di, 28.11.06, 22:16
Wohnort: Saarland, Deutschland und die Welt

Di, 23.11.10, 13:53

Hier gehen wir recht ausführlich auf das Faden von LED´s ein.

Wenn es um Deine Schaltung geht, machen wir aber hier weiter!

Herzlich Willkommen im Forum!

... und ich bin gespannt, was es wird ... :wink:
Borax
Star-Admin
Star-Admin
Beiträge: 12243
Registriert: Mo, 10.09.07, 16:28

Di, 23.11.10, 13:56

Hallo ruNN0r,
welcome on board!
Transistoren um mehrere LEDs schalten zu können
Wie viele LEDs?
Prinzipiell so:
viewtopic.php?f=35&t=4432#p71465

Auch machbar ist diese Variante:
http://www.bader-frankfurt.de/elek/rgbledfade.jpg
Anschluss der LEDs am 4017 genau wie am 4029

[Edit]
Sailor war mal wieder schneller...
ruNN0r
User
User
Beiträge: 10
Registriert: Mo, 22.11.10, 22:39

Di, 23.11.10, 18:02

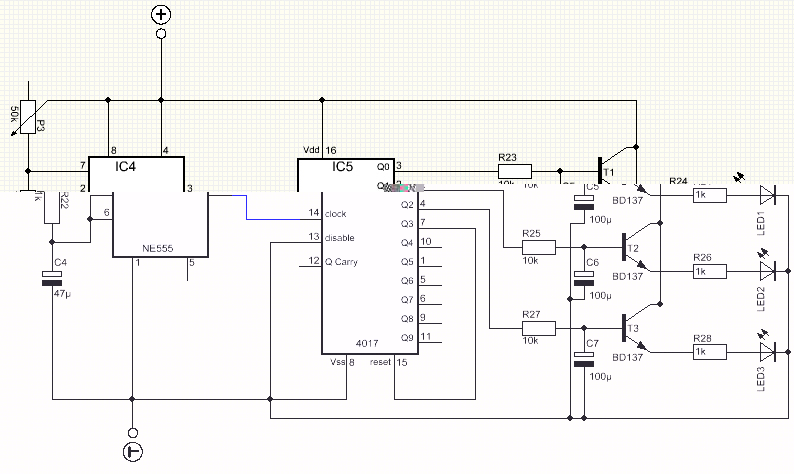
hi also die Bade-frankfurt Variante finde ich ganz gut. Auch wenn es sich bei mir nicht um RGBs handelt. Aber das ist ja egal. Ich habe meinen Schaltplan mal ein wenig erneuert und auch übersichtlicher gemacht (die obrige stammte noch aus einer anderen an der ich gerade arbeite. habe die nur so ausgeschnitten ^^)
schaltung.jpg
Natürlich müssen die Wiederständer R23-R28 berechnet werden... je nachdem wie viel man an der Schaltung dran hat.
Aber wenn R23,25,27 bei 10k bleiben und C5,6,7 bei 100µF dann sollte der Fade ca. 1sek lag dauern. Da meine R23,25,27 ja trozdem ein wenig verstellbar sind kann ich die Zeit ja noch gut beeinflussen. Oder sehe ich das falsch?
Borax
Star-Admin
Star-Admin
Beiträge: 12243
Registriert: Mo, 10.09.07, 16:28

Di, 23.11.10, 18:10

Vorsicht...BD137 ist ein Leistungstransistor. Der braucht ggf. einen höheren Basisstrom als der 4017 liefern kann. Aber prinzipiell würde ich sagen: Ausprobieren.
ruNN0r
User
User
Beiträge: 10
Registriert: Mo, 22.11.10, 22:39

Mi, 24.11.10, 11:30

das mit dem BD ist mir bekannt. Aber wenn ich mehrere LEDs schalten will muss ich schon einen größeren Transistor nehmen ansonsten brennen mir die durch. Aber da immer nur ein Transistor zur gleichen Zeit geschaltet wird denke ich das sollte passen... leider weiß ich auch nicht wie viel mA Output bei dem 4017 möglich sind...
So ganz werde ich aus Datenblättern noch nicht schlau ^^ Ich versuch es immer wieder aber so ganz gelingt es mir nicht denen die Informationen zu entlocken die ich gerade brauche ^^
Vielleich kann es einer von euch herrausfinden:
http://www.datasheetcatalog.org/datashe ... 984_DS.pdf

Wenn es einer herrausfindet wäre die Info nicht schlecht wo das genau steht ^^ Will ja schließlich was lernen ;)
Borax
Star-Admin
Star-Admin
Beiträge: 12243
Registriert: Mo, 10.09.07, 16:28

Mi, 24.11.10, 12:21

Again:
Wie viele LEDs?

Die Angaben zum Strom beim 4017 sind hier zu finden:
datasheet4017_1.png
datasheet4017_1.png (8.63 KiB) 12325 mal betrachtet
Je nach Betriebsspannung (Vdd) kann der 4017 unterschiedlich viel Strom 'liefern' bzw. 'vernichten'.
Beispiel: VDD=10V Output = low => typ. Strom=2.25mA bei 0.5V am Ausgangspin (Vo)
Das ist so zu interpretieren: Wenn der Ausgang low ist, und Du z.B. diesen Ausgang über einen Verbraucher (widerstand) an die Betriebsspannung angeschlossen hast (Pull-Up-Prinzip), dann darf dieser Widerstand nicht kleiner als 4.22kOhm sein (9.5V/0.00225A), sonst bleibt die Spannung nicht bei 0.5V sondern liegt höher. Man kann es auch so ausdrücken:
Wenn der Ausgang (bei 10V Betriebsspannung) low 'sein soll', dann ist der Ausgangspin über etwa 222Ohm (0.5V/0.00225A) mit Masse verbunden.
Entsprechend high:
VDD=10V Output = high => typ. Strom=0.9mA bei 9.5V am Ausgangspin (Vo)
Gleiche 'Überlegung' wie oben: Denke Dir, dass wenn Ausgang = high, dann ist der Ausgangspin über 555Ohm (0.5V/0.0009A) mit +10V verbunden. Angenommen Du würdest jetzt den Ausgangspin über einen Verbraucher (z.B. Widerstand und Transistor) mit einem Gesamtwiderstand von 1k auf Masse ziehen, dann wären am Ausgangspin keine 9.5V mehr, sondern nur noch etwa 6.5V weil sich die 10V auf den (quasi internen) 555Ohm Widerstand und den 1k Widerstand aufteilen (Spannungsteiler). Weil es sich natürlich bei den 'Äquivalentwiderständen' (222Ohm und 555Ohm) um Ausgänge von Halbleitern handelt, sind diese Widerstände nicht so konstant wie ich sie hier angenommen habe, aber als Näherung für die Spannungsverhältnisse ist diese Betrachtung durchaus geeignet.
Zum Problem:
Der BD137 hat eine typische Stromverstärkung von etwa 50 (mind. 40, max. 100). Wenn der also 1A schalten soll, braucht er etwa 20mA Basisstrom. Die kann der 4017 definitiv nicht liefern.
ruNN0r
User
User
Beiträge: 10
Registriert: Mo, 22.11.10, 22:39

Mi, 24.11.10, 17:45

Ahh ok. Ich glaube das habe ich halbwegs verstanden.
Also ich wollte pro Output 3-9 LEDs anschließen. (Normale bedrahtete LEDs 5mm, 20mA, 3V (je nach Farbe: weiß, rot, grün))
Der BD137 schien mir am logischsten (bzw. war das der geeigneteste den ich gefunden habe bei Reichelt) mir würde einer reichen der 200mA schalten kann aber leider reichte bei denen die max. Leistung nicht aus... evtl. mache ich da auch einen Denkfehler:
9 LEDs á 20mA = 180mA
0,18A * 12V = 2,16W
und das halten die meisten nicht aus.

Ich hatte auch an den BC337-40 gedacht. der hält 500mA aus...
Der BD137 hat eine typische Stromverstärkung von etwa 50 (mind. 40, max. 100).
ähm ich dachte der BD137 hat ein hfe von 63 bis 160. ist das nicht der 135 mit 40-100? Kann auch sein das ich mich da versehen habe!

Achja... was ist mit einem MOSFET statt eines Transistors? Die brauchen zwar eine höhere Spannung aber einen sehr geringen Strom soweit ich weiß. Aber was nehme ich da? Wobei ein MOSFET auch immer eine Preisliche sache ist oder?
Borax
Star-Admin
Star-Admin
Beiträge: 12243
Registriert: Mo, 10.09.07, 16:28

Mi, 24.11.10, 18:59

Also ich wollte pro Output 3-9 LEDs anschließen. (Normale bedrahtete LEDs 5mm, 20mA, 3V (je nach Farbe: weiß, rot, grün)) ... 12V
Bei 12V macht man immer 3 LEDs in Serie. Dann gibt das bei 9 LEDs drei Stränge mit 3x20mA also Gesamtstrom je Output max. 60mA, das schafft der 337-40 locker. Ich kann's ja morgen mal in LTSpice simulieren. Dann kann ich Dir auch sagen, welche Widerstände und Kondensatoren geeignet sind. Wie schnell soll es laufen?
ruNN0r
User
User
Beiträge: 10
Registriert: Mo, 22.11.10, 22:39

Mi, 24.11.10, 20:24

das wäre klasse wenn du das machen würdest!
Was meinst du mit: Wie schnell soll das laufen?
F: Wie schnell ich das brauche?
A: Nicht sonderlich schnell... da ich am *Popo* der welt wohne muss ich alles bestellen... also plane ich erst einige projekte und bestelle dann ^^

F: Wie schnell der umschalten soll?
A: Das regelt ja der NE und das bekomm ich selber hin denke ich. Die Schaltung habe ich so langsam relativ gut drauf ^^ (Da stimmen die werte des Poti und des Elkos auch noch nicht)
Borax
Star-Admin
Star-Admin
Beiträge: 12243
Registriert: Mo, 10.09.07, 16:28

Do, 25.11.10, 10:34

Das regelt ja der NE und das bekomm ich selber hin denke ich. Die Schaltung habe ich so langsam relativ gut drauf ^^ (Da stimmen die werte des Poti und des Elkos auch noch nicht)
Klar regelt das der NE555. Aber die Fadein/Fadeout Zeit muss ja dazu passen. Angenommen Du willst eine Geschwindigkeit von 1Hz (jede LED ist ohne Fade-Effekt genau 1 Sekunde lang an), dann sollte auch der Fade-Effekt relativ genau eine Sekunde dauern, sonst sind entweder mehrere LEDs an (Fade-Zeit zu lang) oder Du bekommst eben den Effekt, dass jede LED einzeln 'für sich' ein- und ausfaded, aber keine 'Übergänge'.
ruNN0r
User
User
Beiträge: 10
Registriert: Mo, 22.11.10, 22:39

Do, 25.11.10, 11:31

aso ok, nee also die LEDs sollten schon pro "Cluster" (so solls später werden) ein aus faden. Habe mir das Programm LTSpice auch mal geladen. Ist ja echt klasse. Habe damit mal mein LED strobo Projekt (mit einem NE555) durchgerechnet und das ist echt cool... Jedoch fehlt mir das bei den LEDs irgendwie eine 2-3V LED mit 20mA da sind immer nur 5V mit 18mA.
Aber sonst echt cool da kann ich dann genau sehen wie viele Blitze ich pro Sekunde erhalte.
Evtl. weißt du ja ob man Datenbank erweiterung oder so für das ding erhalten kann wo noch mehr LEDs usw. drin sind oder wie ich die Daten wie bei einem Wiederstand manuell eingeben kann...

hier mal meine Stroboschaltung (später gehören die beiden Schaltungen zusammen...)
schaltung.jpg
Die Transistoren sind noch nicht angepasst und P2 ist ein 510 Ohm wiederstand
Wenn ich nun den P1 auf 50k stelle habe ich ca. 2 Blitze pro sek. bei 0 Ohm sooo viele das man es nicht mehr sehen kann ^^
meiner meinung nach wären 5k bis 10k ganz ok.
Evtl. (wenn du lust hast) magst du dir das mal ansehen. Und damit du die nicht neu zeichnen musst habe ich dir mal die Datei hochgeladen. Jedoch bei mir aufm Server weil hier gehts net.
http://up.michelhp.de/upload/62_Draft2.asc

Besten Dank nochmal
Borax
Star-Admin
Star-Admin
Beiträge: 12243
Registriert: Mo, 10.09.07, 16:28

Do, 25.11.10, 12:24

Schön, wenn Du mit LTSpice selbst klar kommst. :D
Aber Vorsicht: Es ist nur eine Simulation mit idealisierten Verhältnissen. Je nach Schaltung sehr nah an der Realität, aber ein wenig aufpassen muss man schon. Wegen Bauteil-Toleranzen, ggf. eingestreuten Signalen, Innen- und Übergangswiderständen oder Offset Spannungen an OPs können sich Schaltungen die in der Simulation prima laufen in der Praxis völlig anders verhalten.
Datenbank erweiterung oder so
Es gibt eine Yahoo Group für LTSpice: http://tech.groups.yahoo.com/group/LTspice/
Einmal anmelden, alle Bibliotheken runterladen und ggf. gleich wieder abmelden.
Ein paar LED-models findest Du in diesem Beitrag:
viewtopic.php?p=121177#p121177

Schau Dir auch mal den Beitrag an:
viewtopic.php?p=102259#p102259

P.S. Hier im Forum lassen sich LTSpice-Schaltungen am besten als zip Datei anhängen.
ruNN0r
User
User
Beiträge: 10
Registriert: Mo, 22.11.10, 22:39

Do, 25.11.10, 13:45

Also ich weiß nicht ob ich das hin bekomme mit dem Fade. habe mal einen Simplen Fadeout versucht und bin gescheitert beim messen. Wäre sehr lieb wenn du es mal machen würdest oder mir erklärst wie du es machen würdest dann versuch ich es selber und schaust evtl. nochmal drüber wenn ich es nicht hin bekomme.
Borax
Star-Admin
Star-Admin
Beiträge: 12243
Registriert: Mo, 10.09.07, 16:28

Do, 25.11.10, 16:47

Also ok.
Hier ist die Schaltung 'zum selbst' spielen.
LED_RED model einfach in die standard.dio eintragen (im Verzeichnis: LTC\SwCADIII\lib\cmp\):
.model GREEN_LED D(Is=2.27n N=6.79 Rs=0.25 Eg=2.3 Cjo=42p Iave=40m Vpk=4 mfg=Nichia type=LED)
.model RED_LED D(Is=3e-22 N=1.5 RS=10 Eg=2.3 Cjo=10p Iave=40m Vpk=4 mfg=Nichia type=LED)

In der Digital CD4000.zip ist die Fader Schaltung und die nötigen LIBs.
Die CD4000.lib kommt in den LTC\SwCADIII\lib\sub\ Ordner und die Cd4000.zip nach LTC\SwCADIII\lib\sym\ entpacken.
Dateianhänge
Digital CD4000.zip
(51.49 KiB) 241-mal heruntergeladen
ruNN0r
User
User
Beiträge: 10
Registriert: Mo, 22.11.10, 22:39

Do, 25.11.10, 22:36

hi,
gerade habe ich keine Zeit aber werde es morgen mal Testen. Erstmal vielen vielen Dank! Hast mir echt weitergeholfen.
ruNN0r
User
User
Beiträge: 10
Registriert: Mo, 22.11.10, 22:39

Fr, 26.11.10, 12:28

so nochmal hi,
also ohne die Libs wäre es schonmal nicht gegangen weil ohne dich habe ich das einbinden der Libs nicht verstanden.
Ok wie dem auch sei. Eingebunden ist alles und ich habe die Schaltung mal Simuliert. Den oberen Teil der 4017 hatte ich erst nicht verstanden aber nun schon... denke ich... Also wie ich es da nun sehe ist dort ein sehr schöner Gleichmäßiger übergang bei den LEDs. Der FadeIn ist ein weniger länger als der FadeOut. Das ist aber auch nicht weiter schlimm.
Aber es tauchen noch fragen auf:
1: Wie bist du auf 220µF gekommen? hast du das durchgerechnet (wenn ja wie) oder einfach Probiert.
2: Wenn ich bei der Schaltung die Ströme an D3,D9 und D5 messe sehe ich bei D9 am anfang einen ausschlag auf 20mA (nicht weiter schlimm) aber warum nur da? und warum überhaupt? Das kann ich nicht ganz nachvollziehen!

Ansonstern nochmals vielen Dank!
Borax
Star-Admin
Star-Admin
Beiträge: 12243
Registriert: Mo, 10.09.07, 16:28

Fr, 26.11.10, 15:10

1. Einfach Probiert. Im Laufe der Jahre kriegt man da auch eine Art 'Bauchgefühl' für den grob passenden Wert. Dann einfach die 'typischen' Werte der E06 oder E12 Reihe probieren.
2. Weil am Anfang (fälschlicherweise) der Ausgang am 4017 auf volle 12V steht. Wenn Du im 'Edit Simulation Command' Dialog einen Haken bei 'Start external DC supply voltages at 0V' machst (was ja der Realität eher entspricht), dann ist dieser 'Peak' nicht mehr da. Das sind eben die Tücken bei einer Simulation...
ruNN0r
User
User
Beiträge: 10
Registriert: Mo, 22.11.10, 22:39

Fr, 26.11.10, 15:37

jo stimmt! Die Spitze ist weg, jetzt ist eine an D3 aber die schießt nicht ganz so aus dem Konzept wie die andere.

Nun muss ich auch erstmal die ganzen Informationen die ich hier gesammelt habe erstmal sacken lassen und dann überlege ich mir ein neues Projekt ^^
So! Aber ich denke das Thema beenden wir hier mal und ich melde mich einfach nochmal wenn ich das gelötet habe und zeig euch wie es geworden ist ;) (für den evtl. Nachbau)
Antworten