AKKU TIEFENENTLADUNGSSCHALTUNG
Moderator: T.Hoffmann
HALLO
hab schon länger hier mitgelesen und musste feststellen das die meisten anfragen von den spezialisten gelöst wurde.also versuch ich hier auch mal hilfe zu finden.
wie die überschrift schon sagt gehts um nen tiefenentladungsschutz.meine zielstellung ist es einen LED treiber der eine ostar ansteurt und diese über akku betrieben wird bei einer bestimmten spannung abschaltet.
der treiber hat einen PWM / DC eingang.wenn dieser eingang auf masse gezogen wird geht der treiber in den slepmodus oder ab einer spannung von 0,3 volt. soweit gut.
meine spannung mit der ich die LED betreibe liegt so bei vollem akku um die 24 volt (18X NIMH AKKUS).so nun zu meinen vorstellungen.ich möchte mit einer schaltung die bei etwa 18 volt den treiber nicht auf masse zieht sondern das die schaltung an den ausgang etwa 0,5 volt legt damit es nicht gleich ganz dunkel ist sonder sagen wir mal auf 20% gedimmt wird.(zwegs sicherheit) es soll auch noch eine temperaturüberwachung dort mit integriert werden diese schaltung hab ich schon da, die legt den op ausgang bei etwa 70 grad auf masse.meine frage hier zu ? kann ich diesen ausgang direckt an den pmw anschluss von dem treiber legen?
NUN BIN ICH MAL GESPANNT OB MIR DA GEHOLFEN WERDEN KANN:
CU DIDDI
hab schon länger hier mitgelesen und musste feststellen das die meisten anfragen von den spezialisten gelöst wurde.also versuch ich hier auch mal hilfe zu finden.
wie die überschrift schon sagt gehts um nen tiefenentladungsschutz.meine zielstellung ist es einen LED treiber der eine ostar ansteurt und diese über akku betrieben wird bei einer bestimmten spannung abschaltet.
der treiber hat einen PWM / DC eingang.wenn dieser eingang auf masse gezogen wird geht der treiber in den slepmodus oder ab einer spannung von 0,3 volt. soweit gut.
meine spannung mit der ich die LED betreibe liegt so bei vollem akku um die 24 volt (18X NIMH AKKUS).so nun zu meinen vorstellungen.ich möchte mit einer schaltung die bei etwa 18 volt den treiber nicht auf masse zieht sondern das die schaltung an den ausgang etwa 0,5 volt legt damit es nicht gleich ganz dunkel ist sonder sagen wir mal auf 20% gedimmt wird.(zwegs sicherheit) es soll auch noch eine temperaturüberwachung dort mit integriert werden diese schaltung hab ich schon da, die legt den op ausgang bei etwa 70 grad auf masse.meine frage hier zu ? kann ich diesen ausgang direckt an den pmw anschluss von dem treiber legen?
NUN BIN ICH MAL GESPANNT OB MIR DA GEHOLFEN WERDEN KANN:
CU DIDDI
HALLO
Hab mal jetz das datenblatt hier von der KSQ die ich verwende. http://ledtreiber.de/anleitungen/LedSlaveManual.pdf davon sind es 3 stück 2 ohne dimm und 1 mit.sie sollen dann als kaskade im 1 taster betrieb laufen.
das soll dann mit 24 volt betrieben werden was dann bei etwa 18 volt abschalten soll und das am besten nicht gleich ganz dunkel.
VIELLEICHT HILFT DAS JA EIN WENIG WEITER
CU DIDDI
Hab mal jetz das datenblatt hier von der KSQ die ich verwende. http://ledtreiber.de/anleitungen/LedSlaveManual.pdf davon sind es 3 stück 2 ohne dimm und 1 mit.sie sollen dann als kaskade im 1 taster betrieb laufen.
das soll dann mit 24 volt betrieben werden was dann bei etwa 18 volt abschalten soll und das am besten nicht gleich ganz dunkel.
VIELLEICHT HILFT DAS JA EIN WENIG WEITER
CU DIDDI
1. Willkommen im Forum
2.
3.
...diese schaltung hab ich schon da...
Selbstgebaut? Schaltplan?
Im Prinzip ist das kein Problem. Spannungsreferenz (z.B. TL431) verwenden, die 24V per Spannungsteiler auf 3.3V (z.B. 47K/7.5K) runterteilen und mit einem als Komparator geschaltetem OP mit den 2.5V der Referenz vergleichen. Bei 18V ist die runtergeteilte Spannung dann kleiner als 2.5V und der OP schaltet. Am OP Ausgang auch wieder Spannungsteiler (+ Offsetspannung) verwenden, so dass Du eben 0.5V und 1.25V erhältst.
2.
Du hast also die Led Slave Version ohne PWM Onboard?PWM / DC Eingang: (Gilt nur für die Led Slave Version ohne PWM Onboard !)
Der PWM Eingang der Led Slave kann mit einem externen PWM-Signal von 10Hz bis 50Khz
oder einer Gleichspannung von 0-1.25 Volt gedimmt werden.
3.
Bei der Led Slave Version ohne PWM Onboard, ja (allerdings ist die Frage, was am op ausgang unter 70 grad an Spannung anliegt - sollte ja laut datenblatt von der KSQ <= 1.25V sein!)es soll auch noch eine temperaturüberwachung dort mit integriert werden diese schaltung hab ich schon da, die legt den op ausgang bei etwa 70 grad auf masse.meine frage hier zu ? kann ich diesen ausgang direckt an den pmw anschluss von dem treiber legen?
...diese schaltung hab ich schon da...
Selbstgebaut? Schaltplan?
Im Prinzip ist das kein Problem. Spannungsreferenz (z.B. TL431) verwenden, die 24V per Spannungsteiler auf 3.3V (z.B. 47K/7.5K) runterteilen und mit einem als Komparator geschaltetem OP mit den 2.5V der Referenz vergleichen. Bei 18V ist die runtergeteilte Spannung dann kleiner als 2.5V und der OP schaltet. Am OP Ausgang auch wieder Spannungsteiler (+ Offsetspannung) verwenden, so dass Du eben 0.5V und 1.25V erhältst.
hallo
danke und freu das sich doch jemand gefunden hat sich mein problem anzunehmen.
noch mal zu meinem objekt.lampe mit 3 ostar,diese werden mit 2 treibern led slav ohne pwm on board und 1 mit pwm angesteuert.die treiber sollen als kaskade arbeiten also die pwm on board steurt die beiden ohne mit.die steuerung soll als 1 taster sein womit dann 4 stufen gedimmt werden können von aus bis 100%.
nun zu der temperaturabschaltung.wollte ein bild von der schaltung hier reinsetzen aber wie ich sehe geht das nur überne url.
die schaltung ist mit einem LM393 aufgebaut.temp ok 1 temp alarm 0.meine frage ist ob ich den ausgang direkt an pwm on board legen kann?denn wenn man den ausgang der led slav pwm onboard auf masse legt schaltet das teil auf slepmodus.also aus.
aber was genau so wichtig ist ,ist die tiefenentladung bei etwa 18 volt zu realiesieren.die müsste auch auf den eingang vom led slav mit pwm on board zugreifen.hat da nicht jemand ne schaltung die mit 24 volt arbeitet und bei 18 volt abschaltet?oh mann ich kann zwar löten und auch platinen ätzen und so aber mit dem entwurf von schaltungen sieht es sehr schlecht aus.
CU DIDDI
danke und freu das sich doch jemand gefunden hat sich mein problem anzunehmen.
noch mal zu meinem objekt.lampe mit 3 ostar,diese werden mit 2 treibern led slav ohne pwm on board und 1 mit pwm angesteuert.die treiber sollen als kaskade arbeiten also die pwm on board steurt die beiden ohne mit.die steuerung soll als 1 taster sein womit dann 4 stufen gedimmt werden können von aus bis 100%.
nun zu der temperaturabschaltung.wollte ein bild von der schaltung hier reinsetzen aber wie ich sehe geht das nur überne url.
die schaltung ist mit einem LM393 aufgebaut.temp ok 1 temp alarm 0.meine frage ist ob ich den ausgang direkt an pwm on board legen kann?denn wenn man den ausgang der led slav pwm onboard auf masse legt schaltet das teil auf slepmodus.also aus.
aber was genau so wichtig ist ,ist die tiefenentladung bei etwa 18 volt zu realiesieren.die müsste auch auf den eingang vom led slav mit pwm on board zugreifen.hat da nicht jemand ne schaltung die mit 24 volt arbeitet und bei 18 volt abschaltet?oh mann ich kann zwar löten und auch platinen ätzen und so aber mit dem entwurf von schaltungen sieht es sehr schlecht aus.
CU DIDDI
Nein. Geht einfach über 'Dateianhang hochladen' und dann 'Im Beitrag anzeigen'...aber wie ich sehe geht das nur überne url.
Aber eine Art 'Schema-Plan' kannst Du ja wohl erstellen? Das wäre sehr hilfreich, weil Dein Beitrag schlecht lesbar und daher schwer verständlich ist, was Du eigentlich willst (mindestens für mich). Wenn ich das richtig verstanden habe, steuert ein Treiber mit onboard PWM zwei weitere ohne. Das ist schon mal 'schlecht', weil ja nur die Treiber ohne onboard PWM einen geeigneten Eingang zur 'Fremdfernsteuerung' haben. Wahrscheinlich könnte man auch bei dem Treiber mit onboard PWM 'ran', aber dazu bräuchte man einen Schaltplan....entwurf von schaltungen sieht es sehr schlecht aus.
HALLO
boh das mit dem hochladen hab ich noch garnicht gesehen.asche auf mein haupt.so nun noch mal zu meiner schaltung.kaskade geschaltet dürfte klar sein ist im datenblatt erlätert.wenn dort an pin 13 (also pwm eingang) an allen 3 treibern auf masse gezogen wird schalten auch alle 3 in den sleepmodus,auch der mit den dimm on board.Ueber-temp.hier mal das schaltbild von der temp.die frage zur tempabschaltung ist jetz ?kann ich den ausgang vom op direkt auf den pin 13 legen??
Dann hätten wir ein problem gelöst. hier mal ein bild vom lampenkopf cu diddi
boh das mit dem hochladen hab ich noch garnicht gesehen.asche auf mein haupt.so nun noch mal zu meiner schaltung.kaskade geschaltet dürfte klar sein ist im datenblatt erlätert.wenn dort an pin 13 (also pwm eingang) an allen 3 treibern auf masse gezogen wird schalten auch alle 3 in den sleepmodus,auch der mit den dimm on board.Ueber-temp.hier mal das schaltbild von der temp.die frage zur tempabschaltung ist jetz ?kann ich den ausgang vom op direkt auf den pin 13 legen??
Dann hätten wir ein problem gelöst. hier mal ein bild vom lampenkopf cu diddi
mmm, deine temp. schaltung leuchtet mir nicht ganz ein, die komparatoren liegen genau parallel, da einer, der beiden immer zuerst schaltet, wird im grunde genommen + und - Ub über die komparatorausgänge kurzgeschlossen. wenn du beide ausgänge nutzen willst, warum auch immer, musst du die ausgänge entkoppeln, das kannst du mit ein paar einfachen nand oder nor gattern anstellen, die baureihe richtet sich nach der betriebsspannung. in frage kommen TTL oder C-mos ; IC´s. zu der pin 13 frage, stell doch mal deine schaltung komplett ein, dann wird die schon zerpflückt werden *g*, naja, danach wird sie ja wieder zusammengebaut.^^
hallo
bei der temp wird nur ein ausgang genuzt und der schaltet bei etwa 70 grad auf null.
zu meiner schaltung kann ich doch nich viel sagen vom treiber hab ich doch keine.weiss halt nur das bei anlegen von masse an pin 13 das teil und auch die anderen 2 in den sleepmodus gehen. das wäre ja ok bei der tempabschaltung.die dürfte ja so wie so nur abschalten wenn das teil mal länger bei voller last über wasser betrieben wird.bei der tiefenentladung sieht es schon anders aus.dafür such ich ja noch ne schaltung.müsste doch auch übern op gehen.hab da leider ne glatze auf dem gebiet. na ja man kann nicht alles können.aber dafür giebts ja boards wo einem unter die arme gegriffen wird.ich hoffe wir finden hir noch ne lösung .fals ich selber was finde stell ich es hier rein.
liebe grüsse diddi
bei der temp wird nur ein ausgang genuzt und der schaltet bei etwa 70 grad auf null.
zu meiner schaltung kann ich doch nich viel sagen vom treiber hab ich doch keine.weiss halt nur das bei anlegen von masse an pin 13 das teil und auch die anderen 2 in den sleepmodus gehen. das wäre ja ok bei der tempabschaltung.die dürfte ja so wie so nur abschalten wenn das teil mal länger bei voller last über wasser betrieben wird.bei der tiefenentladung sieht es schon anders aus.dafür such ich ja noch ne schaltung.müsste doch auch übern op gehen.hab da leider ne glatze auf dem gebiet. na ja man kann nicht alles können.aber dafür giebts ja boards wo einem unter die arme gegriffen wird.ich hoffe wir finden hir noch ne lösung .fals ich selber was finde stell ich es hier rein.
liebe grüsse diddi
Hallo
habe nun mal weiter gesucht und auch ne schaltung gefunden.leider ist sie für 12 volt ausgelegt und hat daher auch andere wehrte bei der tiefenentladungsschaltung.hier mal das schaltbild.
meine frage dazu lautet ?da ich ja mit 24 volt arbeite kann man die wiederstände so lassen und nur die z dioden anpassen? wenn nicht wär ich glücklich wenn mir jemand bei den wehrten helfen könnte.der 2.punkt ist der.welchen pegel haben die op´s am ausgang?ich brauche am ausgang wenn er eine bestimmte spannung erreicht hat(sagen wir 16 volt) DAS DORT MASSE ANLIEGT.dann würde meine treiberstufe die LED abschalten.
nun hoffe ich auf hilfe von leuten die sich mit soetwas auskennen.die elektronik und gerade schaltungstechnische entwürfe ist nicht mein ding.
CU DIDDI
habe nun mal weiter gesucht und auch ne schaltung gefunden.leider ist sie für 12 volt ausgelegt und hat daher auch andere wehrte bei der tiefenentladungsschaltung.hier mal das schaltbild.
meine frage dazu lautet ?da ich ja mit 24 volt arbeite kann man die wiederstände so lassen und nur die z dioden anpassen? wenn nicht wär ich glücklich wenn mir jemand bei den wehrten helfen könnte.der 2.punkt ist der.welchen pegel haben die op´s am ausgang?ich brauche am ausgang wenn er eine bestimmte spannung erreicht hat(sagen wir 16 volt) DAS DORT MASSE ANLIEGT.dann würde meine treiberstufe die LED abschalten.
nun hoffe ich auf hilfe von leuten die sich mit soetwas auskennen.die elektronik und gerade schaltungstechnische entwürfe ist nicht mein ding.
CU DIDDI
...bei anlegen von masse an pin 13 das teil und auch die anderen 2 in den sleepmodus gehen.
Welche Eingangsimpedanz hat Pin 13? Wenn die halbwegs hochohmig ist, dann einfach einen Transistor verwenden um den Pin auf Masse zu ziehen.
Welche Eingangsimpedanz hat Pin 13? Wenn die halbwegs hochohmig ist, dann einfach einen Transistor verwenden um den Pin auf Masse zu ziehen.
Solange Du keine Treiber hast, kann ich Dir nicht wirklich weiterhelfen, da vom Treiber kein Schaltplan vorliegt. Wenn Du die Treiber hast, kann man das auch (vorsichtig) ausprobieren...vom treiber hab ich doch keine
HI
das problem mit dem treiber ist doch so weit in ordnung.der treiber schaltet ab wenn massepotenzial auf den treiber gezogen wird.das kann nun manuell (taster ) oder ebend mit einem op der wenn er geschaltet hat am ausgang massepotenzial hat ,also low .
ich brauche eigendlich nur die schaltung mit den 4 OP auf 24 volt angepasst und das wenn ein schaltzustand bei niedriger spannung zustande kommt das der opausgang auf masse liegt.
dann wär ich schon zufrieden und mein problem ist gelöst.
CU DIDDI
das problem mit dem treiber ist doch so weit in ordnung.der treiber schaltet ab wenn massepotenzial auf den treiber gezogen wird.das kann nun manuell (taster ) oder ebend mit einem op der wenn er geschaltet hat am ausgang massepotenzial hat ,also low .
ich brauche eigendlich nur die schaltung mit den 4 OP auf 24 volt angepasst und das wenn ein schaltzustand bei niedriger spannung zustande kommt das der opausgang auf masse liegt.
dann wär ich schon zufrieden und mein problem ist gelöst.
CU DIDDI
- unoptanium
- Mega-User

- Beiträge: 475
- Registriert: Di, 07.10.08, 19:00
- Wohnort: Berlin
Nabend.
Gaaanz einfach mit einem Schmitt-Trigger und einem Poti Als Spannungsteiler
am Eingang. Wenn die Betriebsspannung sinkt, schaltet der Ausgang irgendwann
auf 0, was mit dem Poti abgeglichen werden kann.
Nachteil: Ohne Last steigt die Spannung und der Ausgang geht wieder auf 1.
Aber ein schönes "Warnblinken" bei leerem Akku reicht zum Auftauchen und ist
eine schöne Warnung, oder? Ansonsten muss noch ein Flipflop hinter.
Wären 2 Transistoren, 4 Widerstände, 1 Poti und nur wenig Zeit, um diese
sehr einfache Lösung auf Streifenrasterplatine zu löten.
Das ist dann keine Präzisions-Labor-Messschaltung, erfüllt aber ihren Zweck.
Gruß, unoptanium
Gaaanz einfach mit einem Schmitt-Trigger und einem Poti Als Spannungsteiler
am Eingang. Wenn die Betriebsspannung sinkt, schaltet der Ausgang irgendwann
auf 0, was mit dem Poti abgeglichen werden kann.
Nachteil: Ohne Last steigt die Spannung und der Ausgang geht wieder auf 1.
Aber ein schönes "Warnblinken" bei leerem Akku reicht zum Auftauchen und ist
eine schöne Warnung, oder? Ansonsten muss noch ein Flipflop hinter.
Wären 2 Transistoren, 4 Widerstände, 1 Poti und nur wenig Zeit, um diese
sehr einfache Lösung auf Streifenrasterplatine zu löten.
Das ist dann keine Präzisions-Labor-Messschaltung, erfüllt aber ihren Zweck.
Gruß, unoptanium
- Dateianhänge
-
- Schwellwert.JPG (5.81 KiB) 13701 mal betrachtet
...ebend mit einem op der wenn er geschaltet hat am ausgang massepotenzial hat ,also low .
Und wenn der OP 'nicht geschaltet' hat???
Dann liegt da immer irgendeine Spannung/Strom an (je nach Ausgangswiderstand am OP), so dass ggf. Deine ganze Slave PWM verhindert wird.
Drum würde ich es mit einem Transistor versuchen, der über seine Kollektor/Emitter Strecke direkt Pin13 mit Masse verbindet. Im 'ungeschalteten' Zustand hat der quasi einen unendlichen Widerstand, stört also nicht, im geschalteten Zustand so etwa 20-50Ohm, das müsste reichen um den Pin nahe genug an Masse zu ziehen. Aber solange Du das nicht ausprobiert hast...
Und wenn der OP 'nicht geschaltet' hat???
Dann liegt da immer irgendeine Spannung/Strom an (je nach Ausgangswiderstand am OP), so dass ggf. Deine ganze Slave PWM verhindert wird.
Drum würde ich es mit einem Transistor versuchen, der über seine Kollektor/Emitter Strecke direkt Pin13 mit Masse verbindet. Im 'ungeschalteten' Zustand hat der quasi einen unendlichen Widerstand, stört also nicht, im geschalteten Zustand so etwa 20-50Ohm, das müsste reichen um den Pin nahe genug an Masse zu ziehen. Aber solange Du das nicht ausprobiert hast...
- unoptanium
- Mega-User

- Beiträge: 475
- Registriert: Di, 07.10.08, 19:00
- Wohnort: Berlin
Moin
Also einfach ein paar normale NPN Schalttransistoren.
BC337 BC548 abc funktioniert praktischerweise mit fast jedem Typ.
Der Ausgang ist hochohmig wegen dem 2K2 Widerstand.
Man kann die auch kleiner machen, aber müsste Deinen PIN 13
eigentlich schön auf Masse legen.
Man kann das Ganze immer auch spiegelverkehrt mit PNP
aufbauen, was aber für Deine Schaltung völlig nutzlos wäre.
Die Widerstände müssen auch nicht so genau sein, kann auch 10K sein,
dann ändern sich alle Werte und mit einem Dreh am Poti is wieder ok.
Na gut die Hysterese ändert sich auch mit den Bauteilen, aber eine
Tiefentladeschaltung soll den Akku schützen und dafür ist das nicht
so sonderlich wichtig. Das Blinken ist übrigens bei Bleiakkus recht
gemütlich, bei NimH oder so hab ich das noch nicht probiert.
Aber wenn der Akku leer ist, iss das auch einfach aus.
Gruß, unoptanium
Also einfach ein paar normale NPN Schalttransistoren.
BC337 BC548 abc funktioniert praktischerweise mit fast jedem Typ.
Der Ausgang ist hochohmig wegen dem 2K2 Widerstand.
Man kann die auch kleiner machen, aber müsste Deinen PIN 13
eigentlich schön auf Masse legen.
Man kann das Ganze immer auch spiegelverkehrt mit PNP
aufbauen, was aber für Deine Schaltung völlig nutzlos wäre.
Die Widerstände müssen auch nicht so genau sein, kann auch 10K sein,
dann ändern sich alle Werte und mit einem Dreh am Poti is wieder ok.
Na gut die Hysterese ändert sich auch mit den Bauteilen, aber eine
Tiefentladeschaltung soll den Akku schützen und dafür ist das nicht
so sonderlich wichtig. Das Blinken ist übrigens bei Bleiakkus recht
gemütlich, bei NimH oder so hab ich das noch nicht probiert.
Aber wenn der Akku leer ist, iss das auch einfach aus.
Gruß, unoptanium
hi unoptanium
Danke für deine Mühen hier.
hab mir heut noch so ein paar gedanken gemacht zwegs der schaltung mit den OP´s.es geht darum weil da schon ein op verbaut wird für die tempabschaltung.leider hab ich das nicht mit den level 1 berücksichtigt bei meinen treiber weil der ja als kaskade arbeit.hät ich das gewusst das es alles so kompliziert ist hät ich lieber 3 stufen mit dimm onboard genommen.
aber zu den op kann man da nicht eine diode zwischenausgang und dem pin 13 schalten die so geschaltet wird das masse durchkommt und der hohe level gesperrt wird?'
oder kann man nicht so einen transistor hinter den op schalten der dann das gleiche tut wie in deiner schaltung??
denn die tempschaltung möcht ich nicht missen ist fast wichtiger als der tiefenentladeschutz.will ja nicht das 3 ostar den hitzetot sterben.
hoffe wir bekommen das doch noch in den griff. Übrigens es ist ein NI MH Akku
CU DIDDI
Danke für deine Mühen hier.
hab mir heut noch so ein paar gedanken gemacht zwegs der schaltung mit den OP´s.es geht darum weil da schon ein op verbaut wird für die tempabschaltung.leider hab ich das nicht mit den level 1 berücksichtigt bei meinen treiber weil der ja als kaskade arbeit.hät ich das gewusst das es alles so kompliziert ist hät ich lieber 3 stufen mit dimm onboard genommen.
aber zu den op kann man da nicht eine diode zwischenausgang und dem pin 13 schalten die so geschaltet wird das masse durchkommt und der hohe level gesperrt wird?'
oder kann man nicht so einen transistor hinter den op schalten der dann das gleiche tut wie in deiner schaltung??
denn die tempschaltung möcht ich nicht missen ist fast wichtiger als der tiefenentladeschutz.will ja nicht das 3 ostar den hitzetot sterben.
hoffe wir bekommen das doch noch in den griff. Übrigens es ist ein NI MH Akku
CU DIDDI
So schlimm ist das alles vmtl. auch nicht. Ich hab das Datenblatt nochmal angeschaut. Anscheinend reicht es, den Pin13 unter 0.3V zu ziehen, um den sleep mode zu aktivieren. Das geht vmtl. auch mit einem(!) LM393 (das ist BTW kein OP sondern ein Comparator, dieser enthält bereits den von mir angesprochenen Transistor als open Kollektor Ausgang, ist hier also ideal).
Hier mein Vorschlag: In der Simulation schaltet der LM393 sowohl bei V1<18.5V als auch bei Temp. am NTC > 70°C den Pin 13 auf etwa 50mV (bei einem angenommenen Eingangswiderstand von etwa 10K an Pin13). Das sollte ziemlich sicher reichen. Bei Temp< 70° und V1> 18.5V ist Pin13 'floating' sprich das Potential hängt nur von der PMW der Treiber ab (stört nicht). Weil es sich um eine Simulation handelt, gebe ich keine Garantie auf die 'Präzision'. Es kann also die Abschaltspannung auch schon 19V oder nur 17V sein, ähnlich bei der Temp; hier würde ich eine Toleranz von etwa 10% sehen (schon allein die NTCs haben 10% Toleranz!). Wenn es genauer sein soll/muss, dann wirst Du um einen Test-Aufbau und Abgleich an den Teiler-Widerständen nicht rumkommen.
Hier mein Vorschlag: In der Simulation schaltet der LM393 sowohl bei V1<18.5V als auch bei Temp. am NTC > 70°C den Pin 13 auf etwa 50mV (bei einem angenommenen Eingangswiderstand von etwa 10K an Pin13). Das sollte ziemlich sicher reichen. Bei Temp< 70° und V1> 18.5V ist Pin13 'floating' sprich das Potential hängt nur von der PMW der Treiber ab (stört nicht). Weil es sich um eine Simulation handelt, gebe ich keine Garantie auf die 'Präzision'. Es kann also die Abschaltspannung auch schon 19V oder nur 17V sein, ähnlich bei der Temp; hier würde ich eine Toleranz von etwa 10% sehen (schon allein die NTCs haben 10% Toleranz!). Wenn es genauer sein soll/muss, dann wirst Du um einen Test-Aufbau und Abgleich an den Teiler-Widerständen nicht rumkommen.
Hi Borax
wow
danke
das ist ja nun fast so wie ich es haben will.ich werde für jede stufe eine tiefenentladung machen also 3 stück.eine frage noch dazu welchen wiederstand kann ich denn als regler machen damit ich unterschiedliche abschaltspannungen habe.denk mal r1 oder r3.würde gern von der ersten bis zur letzen abschaltung so eine diverens von 2 volt haben.
werde das erst mal auf lochraster aufbauen und dann testen.
cu diddi
wow
werde das erst mal auf lochraster aufbauen und dann testen.
cu diddi
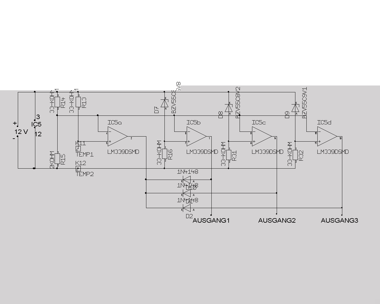
In diesem Fall nimmst Du einen LM339 (anstatt dem LM393), da sind 4 Comparatoren drin, also 3x tiefenentladung + 1x Temp.ich werde für jede stufe eine tiefenentladung machen also 3 stück.
Das wird aber ggf. nicht mit Deiner anvisierten Struktur funktionieren, da ja alle Pin13 der 3 Stufen verbunden sind. Es könnte gehen, wenn man die über Widerstände entkoppelt. Da aber der Eingangswiderstand der Treiber am Pin13 nicht bekannt ist (ebensowenig wie der Ausgangswiderstand des PMW Signals vom 'Master'), kann ich Dir leider keine Tipps geben, was Du da brauchst. Ich würde es mal mit 10K versuchen.
Ansonsten ist es richtig: An R1 kannst Du die Abschaltspannung ändern.
Hier noch mal eine etwas vereinfachte Schaltung (1x Referenz reicht eigentlich; daher kann R3+R4 entfallen, wenn man R1 ein wenig anpasst):
HALLO
DANKE für den schaltplan.das sieht doch richtig gut aus.
ich dachte vielleicht das man die einzelnen treiberstufen mit ner diode zwischen den einzelnen pin13 beschaltet.wenn dann auf einer der stufen masse gelegt wird müsste dann doch das zur nächsten stufe über die diode gesperrt werden. geht das oder hab ich da nen denkfehler mit drin??
NOCHMALS DANKE
CU DIDDI
DANKE für den schaltplan.das sieht doch richtig gut aus.
ich dachte vielleicht das man die einzelnen treiberstufen mit ner diode zwischen den einzelnen pin13 beschaltet.wenn dann auf einer der stufen masse gelegt wird müsste dann doch das zur nächsten stufe über die diode gesperrt werden. geht das oder hab ich da nen denkfehler mit drin??
NOCHMALS DANKE
CU DIDDI
hallo
brauche noch mal eure hilfe für einen 2. akkutank diese schaltung soll jetz bei einer bestimmten unterspannung eine fet schalten der dann die ganze last sperrt.nicht wie vorher einfach nur die KSQ auf masse zieht.
danke
CU DIDDI
brauche noch mal eure hilfe für einen 2. akkutank diese schaltung soll jetz bei einer bestimmten unterspannung eine fet schalten der dann die ganze last sperrt.nicht wie vorher einfach nur die KSQ auf masse zieht.
danke
CU DIDDI
Kein Problem:
Abschaltschwelle kann am Poti etwa zwischen 10V und 19V eingestellt werden (in der Simulation - real könnte es sein, dass man R2 noch ein wenig anpassen müsste). Ich würde aber das Poti sowieso nur zum 'Austesten' des angestrebten Werts verwenden und dann (anstatt Poti + R2) einen passenden Festwiderstand verwenden.



