capslock hat geschrieben:http://www.ebay.de/itm/1x-GU10-Dimmbar- ... 3f37d5fa80
allein fehlt der Glaube mir...
R.Kränzler: Dieser Thread wurde der Übersichtlichkeit halber in Auszügen von einem anderen übernommen und von mir redigiert, um die Arbeit von ustoni konzentriert zu zeigen.ustoni hat geschrieben:Ich hab jetzt mal spaßeshalber einen Strahler bestellt. Die 2,94€ (inklusive Versand) war mir der Spaß wert.
Sollte das Teil tatsächlich Mitte bis Ende November ankommen, werde ich es mal anschließen, die Leistungsaufnahme messen und das Licht mit meinen Samsung-Strahlern vergleichen.
(Vorausgesetzt, dass es mir nicht gleich um die Ohren fliegt.)
Anschließend werde ich das Teil dann zerlegen und den Innenaufbau anschauen.
So, nach "nur" 37 Tagen ist der Strahler tatsächlich angekommen: Der hintere Teil (weiß) besteht aus 1 mm starkem relativ weichem Kunststoff, der "Kühlkörper" aus 0,5 mm starkem Blech (ja: Blech, kein Aluminium). Die Kanten des Kühlkörpers sind nicht entgratet und somit rasiermesserscharf.
Zunächst habe ich den Strahler mal in Betrieb genommen. Das Licht ist warmweiß und ohne erkennbaren Farbstich. Allerdings scheint die Farbtemperatur noch mehr ins Rote zu gehen, als meine warmweißen Samsung-Strahler. Der Strahler ist sogar überraschend hell.
30 cm über der Mitte des Strahlers habe ich 750 lux gemessen. Wenn der angegebene Öffnungswinkel von 140° stimmt, wären das dann ca. 280-300 lm, also wie erwartet weniger als die Hälfte des angegebenen Phantasiewerts.
Der Kühlkörper erreicht im Betrieb eine Temperatur von 60°C, der Kunststoff 53°C. Die Leistungsaufnahme beträgt 4,2 W.
Die Digitalkamera macht ein relativ starkes Flimmern sichtbar; mit bloßem Auge ist davon aber nichts zu sehen.
Was allerdings direkt auffällt: das "COB-Modul" scheint nur 6 LEDs zu enthalten. Ich hab mal versucht, dies mit dem Fotoapparat einzufangen: Zunächst habe ich den vorderen Blechring entfernt, die 1,6 mm starke Abdeckscheibe aus Plexiglas und der weiße Innenreflektor (ebenfalls Kunststoff) fallen dann gleich mit raus.
Damit ist das COB-Modul zugänglich. Man beachte die Lötstellen: Meine Befürchtung, das COB-Modul könnte geklebt sein (immerhin sind ja keine Schrauben vorhanden), hat sich nicht bewahrheitet. Schon beim Lösen der Lötanschlüsse hat sich das Modul bewegt. In der Tat ist das Modul nur mit einem dicken Klecks Wärmeleitpaste "befestigt", welche noch nicht einmal gleichmäßig verteilt wurde: Wenn der Kühlkörper bei dieser "Montageart" bereits 60°C erreicht, möchte ich gar nicht wissen, mit welcher Betriebstemperatur das COB-Modul arbeitet. Bei der Angabe der Lebensdauer von 100000 Stunden hat sich der Händler wohl um mindestens eine, wahrscheinlicher sogar 2 Nullen "vertan".
Dann habe ich die Phosphorschicht weitgehend entfernt. Das COB-Modul enthält tatsächlich nur 6 LEDs: Link zum COB-Modul, allerdings in der 5W-Version:
http://www.xcled.com/en/Products/COB_li ... 2/162.html
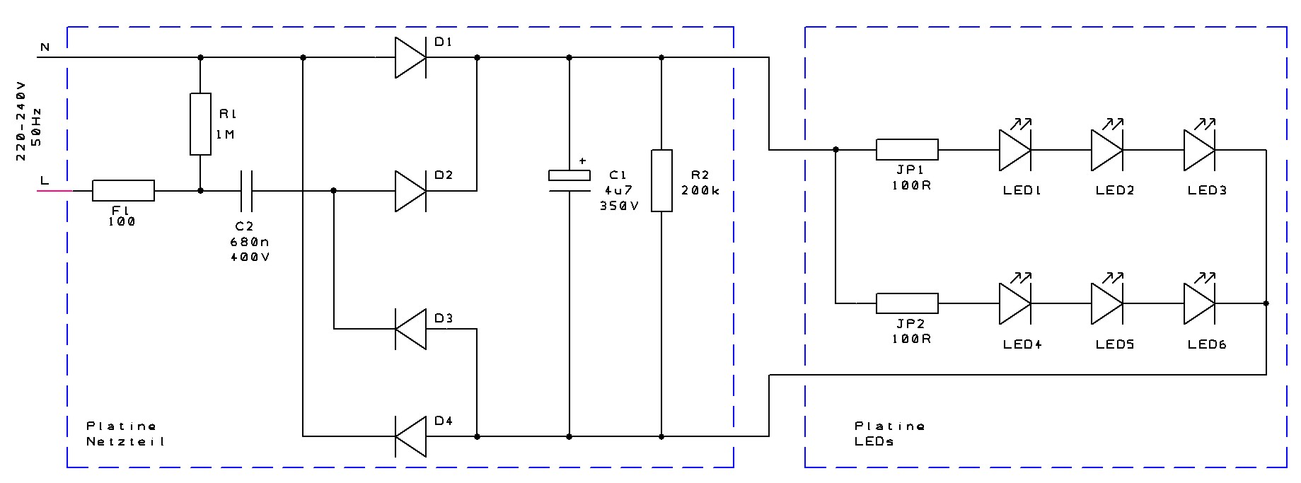
Nach Aufsägen des Sockels kommt man an die KSQ: Ausgepackt: Hier noch 2 Detailaufnahmen (Kondensator an einer Seite hochgelötet und zur Seite gebogen): Und zu guter Letzt der ganze Sondermüll nochmal zusammen: Fazit: Finger weg von diesen Strahlern!
Ich weiss schon, warum ich bei ebay normalerweise nichts kaufe.








