Transformator stabilisieren?

Fragen zu Schaltungen, Elektronik, Elektrik usw.

Moderator: T.Hoffmann

Antworten
Bastler XXL
User
User
Beiträge: 30
Registriert: Mi, 15.07.09, 09:10

So, 19.07.09, 19:46

Kann mir jemand eine schaltung beschreiben oder schicken, mit der ich einen nichtstabilisierten trafo stabil bekomme?
Spannung:15V
Strom:0.5A
Benutzeravatar
Sailor
Moderator
Beiträge: 9427
Registriert: Di, 28.11.06, 22:16
Wohnort: Saarland, Deutschland und die Welt

So, 19.07.09, 20:22

Ist das die gemessene Wechselspannung oder ist schon eine Gleichrichterschaltung vorhanden?

Welche stabilisierte Gleichspannung soll erreicht werden?
Bastler XXL
User
User
Beiträge: 30
Registriert: Mi, 15.07.09, 09:10

Mo, 20.07.09, 12:42

Das ist die vom Hersteller angegebene Spannung...hab leider noch kein exemplar da um nachzumessen...ist die wechselspannung...
Benutzeravatar
Beatbuzzer
Auserwählter
Auserwählter
Beiträge: 3177
Registriert: Fr, 17.08.07, 11:02
Wohnort: Alfeld / Niedersachsen
Kontaktdaten:

Mo, 20.07.09, 12:57

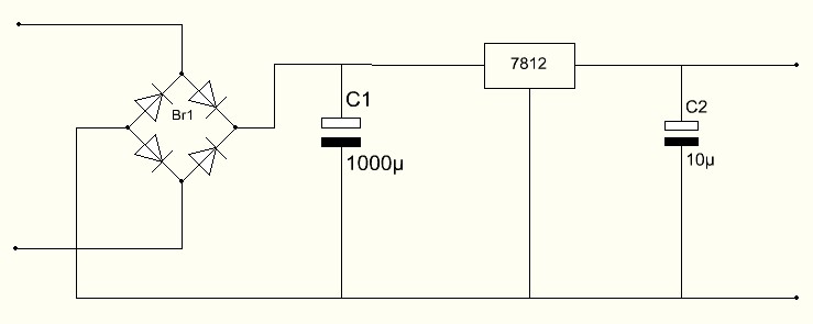
Daraus könntest du eine stabile 12V Gleichspannung machen.
Wenn du als Dioden Schottky-Typen (z.b. SB140) nimmst, bleiben über dem Gleichrichter etwa 0,6-0,7V.
Der Spannungsregler LM7812 braucht etwa 2-2,5V.
Der erste Kondensator muss mindestens 15V x sqrt2 = 22V abkönnen.
Es kommt also ein Typ mit 25V in Frage.
Für den zweiten reicht dann auch ein 16V Typ.
Kopie vonUnbenannt.jpg
Benutzeravatar
Sailor
Moderator
Beiträge: 9427
Registriert: Di, 28.11.06, 22:16
Wohnort: Saarland, Deutschland und die Welt

Mo, 20.07.09, 13:32

Weil nicht aus der Frage von Bastler XXL erkennbar:

Benötigst Du eine eine stabile Spannung, z.B. um 20 mA-LED´s parallel zu betreiben oder einen konstanten Strom, um z.B. High-Power-LED´s mit einem definierten Strom zu versorgen?

Wenn Du eine Konstantstromquelle nachschalten willst, muss die Spannung vorher nicht stabilisiert werden. Die Stabilisierung ist nur bei der "LED-Reihe mit Vorwiderstand" Schaltung erforderlich.
Bastler XXL
User
User
Beiträge: 30
Registriert: Mi, 15.07.09, 09:10

Mo, 20.07.09, 20:01

nein ich möchte 4 Led´s in reihe und dann einen vorwiderstand dazuschalten...das heißt ich brauch stabilisierte 15 volt
sorry falls ich das undeutlich geschrieben hab...
Benutzeravatar
Beatbuzzer
Auserwählter
Auserwählter
Beiträge: 3177
Registriert: Fr, 17.08.07, 11:02
Wohnort: Alfeld / Niedersachsen
Kontaktdaten:

Mo, 20.07.09, 20:14

Stabilisierte 15V an einem 15V Trafo wird schwierig. Da jeder Spannungsregler einen Drop hat. Die guten haben 0,2V. Die standard Dinger 2-2,5V.
Mit nem guten Low Drop Regler hast du ohne größere Belastung des Trafos deine 15V stabil, aber sobald du den Trafo mit Nennlast betreibst, sinkt die Spannung am Ladekondensator nach dem Gleichrichter auf 15V (wegen dem Drop am Gleichrichter eher auf <15V) ab, und selbst der Lowdrop regler schaffts nichtmehr, die 15V zu halten.
Daher wählt man in solchen Fällen die Trafospannung etwas höher, dann hat man zwar mehr Verluste, aber dafür die Spannung stabil.

Da du schreibst, das du die Trafos noch nicht zuhause hast, wäre ja noch zu überlegen, ob man nicht gleich was stabilisiertes kauft...
Fasti
Mega-User
Mega-User
Beiträge: 213
Registriert: So, 07.01.07, 20:20

Mo, 20.07.09, 20:38

Hallo,

@ Beatbuzzer: Wenn es ein 15V Trafo ist, dann hat er die 15V AC bei Nennlast! Das heisst er kann auch mit einem "normalen" Spannungsregler stabile 15V erzeugen. Würde sogar die Verluste des Reglers verringern.
Benutzeravatar
Beatbuzzer
Auserwählter
Auserwählter
Beiträge: 3177
Registriert: Fr, 17.08.07, 11:02
Wohnort: Alfeld / Niedersachsen
Kontaktdaten:

Mo, 20.07.09, 20:43

@Fasti:
Lies dir mein Posting nochmal genau durch. Dann wirst du diese Zeilen finden:
Mit nem guten Low Drop Regler hast du ohne größere Belastung des Trafos deine 15V stabil, aber sobald du den Trafo mit Nennlast betreibst, sinkt die Spannung am Ladekondensator nach dem Gleichrichter auf 15V
Und ob Low Drop oder Standard Regler ändert nicht die Verluste, wenn die zu vernichtende Spannung die gleiche ist :wink:
Fasti
Mega-User
Mega-User
Beiträge: 213
Registriert: So, 07.01.07, 20:20

Mo, 20.07.09, 20:57

Sorry, das erschliesst sich mir nicht. Wenn ich 15V AC habe bei Nennlast, dann sind das Gleichgerichtet 21,15V abzüglich der Diodenverluste macht das am Elko ungefähr 20V. Da brauch ich keinen Low Drop für 15V.
Benutzeravatar
Beatbuzzer
Auserwählter
Auserwählter
Beiträge: 3177
Registriert: Fr, 17.08.07, 11:02
Wohnort: Alfeld / Niedersachsen
Kontaktdaten:

Mo, 20.07.09, 21:52

Fasti hat geschrieben:Sorry, das erschliesst sich mir nicht. Wenn ich 15V AC habe bei Nennlast, dann sind das Gleichgerichtet 21,15V abzüglich der Diodenverluste macht das am Elko ungefähr 20V. Da brauch ich keinen Low Drop für 15V.
Da hast du schon recht. Aber diese 20V hast du dann wirklich nur, wenn die Last minimal ist. Da der Trafo nur 0,5A bereitstellt, wird die Spannung schnell unter die 17,5V Grenze gehen.
Habe das gerade mal bei einem 18V 0,3A Trafo probiert:
Bei halber Last (0,15A) ist die Spannung bereits von etwas über 27V Leerlaufspannung auf 22V eingebrochen. Die Grenze, welche in diesem Fall 20,5V beträgt, wird bei etwas über 0,2A erreicht.
Das sind etwa 2/3 des Gesamtstromes.
Gesetzt, dieser 15V 0,5A Trafo verhält sich ähnlich, ginge es bis 0,33A gut. Kann man schon was mit anfangen, da gebe ich dir Recht. Nur auf die Belastung nahe 0,5A kann man sich nicht mehr verlassen.
Fasti
Mega-User
Mega-User
Beiträge: 213
Registriert: So, 07.01.07, 20:20

Di, 21.07.09, 07:57

Hallo,

@Beatbuzzer redest du von DC oder AC, weil das steht nirgends dabei. Ich gehe mal davon aus, dass du DC meinst, dann hast du aber einen extrem weichen Trafo erwischt oder der Hersteller bescheisst ein wenig und gibt höhere Leistungszahlen an. Normalerweise muss bei einem Trafo die Spannung bei Nennstrom angegeben werden, weshalb ja dann auch die Leerlaufspannung soviel höher ist. Ich würde ja für Geräte welche eine gewisse Effizienz haben sollen Ringkerntrafos haben und die sind sowieso wesentlich steifer als die mit EI-Kern.

Grüße

Fasti
Benutzeravatar
Beatbuzzer
Auserwählter
Auserwählter
Beiträge: 3177
Registriert: Fr, 17.08.07, 11:02
Wohnort: Alfeld / Niedersachsen
Kontaktdaten:

Di, 21.07.09, 08:27

Fasti hat geschrieben:@Beatbuzzer redest du von DC oder AC, weil das steht nirgends dabei.
Das Beispiel war so gemeint, dass ich einen 18VAC 0,5A Trafo nehme und einen Gleichrichter plus 1000µF Ladeelko nachschalte.
Dann waren es im Leerlauf etwas über 27VDC am Elko. Einbruch bei 0,15A Last auf 22VDC.
Die 20,5V Grenze kommt daher, dass der Spannungsregler max. 2,5V brauch, und wenn er die Trafospannung glätten soll, wären das in diesem Fall 18VDC, die man haben möchte.
Borax
Star-Admin
Star-Admin
Beiträge: 12243
Registriert: Mo, 10.09.07, 16:28

Di, 21.07.09, 09:17

@Beatbuzzer
Wie gemessen?
Weil ich die Erfahrung (LTSpice Sim und real am Oszi) gemacht hab, das die (mit Multimeter gemessene) Spannung auch noch vom Siebelko abhängt.
Faustregel ist ja ca.1000 µF pro A; demzufolge müssten ja für 0.5A schon 470 µF reichen.
In LTSpice sieht das so aus (Amplitude=21V; RMS=14.8V~; Sin 50Hz):
GleichrichterTest1.png
GleichrichterTest1.png (7.14 KiB) 18433 mal betrachtet
Mit einem Standard-Digi-Multimeter würde man vmtl. etwa 16V messen (Mittelwert zwischen Max=19.4V und Min=12.6V)
Wenn man jetzt 4700µF als Siebelko C1 verwendet, sieht es so aus:
GleichrichterTest2.png
GleichrichterTest2.png (2.59 KiB) 18433 mal betrachtet
Jetzt liegt die Min. Spannung bei 18.4V; Mittelwert=18.9V; also auch mit Standardlängsregler kein Problem die 15V einzuhalten.
Natürlich ist hier keinerlei magnetische Härte und parasitäre serielle Widerstände berücksichtigt, aber ich hab das mit Oszi auch ziemlich genau so nachstellen können (ok, war ein 12V/60VA Ringkern mit 2A Last, aber trotzdem). Der Trafo wird bei so einer großen Kapazität allerdings fast nur an den Spannungsspitzen der Sinuswelle belastet, da aber heftig. Sprich die obige Abbildung gilt nur, wenn der Trafo etwa 1/10 seiner Nennbelastung hat. Bei 4 LEDs (welche???) in Serie also nur 20mA Last könnte das aber durchaus hinkommen.
Benutzeravatar
Beatbuzzer
Auserwählter
Auserwählter
Beiträge: 3177
Registriert: Fr, 17.08.07, 11:02
Wohnort: Alfeld / Niedersachsen
Kontaktdaten:

Di, 21.07.09, 10:14

Borax hat geschrieben:@Beatbuzzer
Wie gemessen?
Mit diesem Multimeter.
Ist aber auch nur ein standard ohne True RMS o.ä.
Ein Oszi kann ich leider nicht mein Eigen nennen...
Daher Danke für die Veranschaulichung :wink:
Gut, aber meine Sorge ist bestätigt. Für höhere Lasten kann es Probleme geben.

Nun nochmal ein anderer Punkt an den Threadersteller:
Ist es wirklich nötig für die LEDs eine Spannungsregelung zu verbauen? Da würde es doch auch reichen, die Spannung bei der Last zu messen und danach die Widerstände auszulegen.
Fasti
Mega-User
Mega-User
Beiträge: 213
Registriert: So, 07.01.07, 20:20

Di, 21.07.09, 16:39

Nur bedingt richtig Beatbuzzer:
Dadurch dass du kein True RMS Gerät zur Messung der Spannung benutzt gibt dir dieses einen falschen Wert wieder wenn du nach dem Trafo versuchst die AC Spannung zu messen, da der Spannungsverlauf durch die impulsförmige Belastung aufgrund des Kondensators und Gleichrichters nicht mehr sinusförmig ist, sonder stark abgeflacht. Normale Multimeter ohne True RMS gehen immer von einer Sinusspannung aus, welche du hier aber nur annähernd hast, weshalb du den Messwert vergessen kannst. Und wie Borax schon schrieb ist auch die Auslegung des Kondensators hier von bedeutung. Wird er nämlich zu groß gewählt kann es durchaus sein, dass der Trafo in den Spitzen zu sehr in die Knie geht, insofern hast du recht. Allerdings sollten trotzdem 12V DC mit einem 12V AC Trafo möglich sein, solange die Leistung des Trafos größer ist als die entnommene und bitte beachten VA != W , da hier auch noch Blindleistung im Spiel ist. Ich würde den Trafo immer so 50% größer wählen als der maximal benötigte Strom, dann ist man auf der sicheren Seite und die Verluste im Trafo halten sich auch in Grenzen.

Grüße

fasti
Benutzeravatar
unoptanium
Mega-User
Mega-User
Beiträge: 475
Registriert: Di, 07.10.08, 19:00
Wohnort: Berlin

Di, 21.07.09, 17:39

Nabend.


Das Thema hatten wir doch neulich schon oder so ähnlich.

Also was ich daraus gelernt habe: Ein Trafo hat eigentlich keine
Leistung in VA, sondern eine maximale Verlustleistung der Wicklung.
Und ein Trafo mit Gleichrichter und Glättungskondensator kann nicht
mehr seine volle Leistung abgeben.

Durch die Stromstöße beim Laden des Elkos.
Und ein (z.B.) 20VA Trafo darf mit z.B. 40VA nur 25% der Zeit belastet werden,
womit er effektiv nur noch 10VA abgeben kann. Und das bei gleicher Erwärmung.

Ich hätte ja den Link zum Artikel reingesetzt, weiß aber nicht mehr, wie
der thread hieß, vielleicht CRI oder beatbuzzer?
Ich schau nochmal nach, war auf jeden Fall sehr interessant.



Gruß, unoptanium
Benutzeravatar
Beatbuzzer
Auserwählter
Auserwählter
Beiträge: 3177
Registriert: Fr, 17.08.07, 11:02
Wohnort: Alfeld / Niedersachsen
Kontaktdaten:

Di, 21.07.09, 18:15

unoptanium hat geschrieben: Ich hätte ja den Link zum Artikel reingesetzt, weiß aber nicht mehr, wie
der thread hieß, vielleicht CRI oder beatbuzzer?
Jo, ich glaub ich kann weiterhelfen:
Das war im Thread von CRI 93+ / Ra 93+ über die Wirkungsgradessung des Ringkerntrafos von Pollin.
BMK hatte dort diesen Link gepostet.
Benutzeravatar
unoptanium
Mega-User
Mega-User
Beiträge: 475
Registriert: Di, 07.10.08, 19:00
Wohnort: Berlin

Di, 21.07.09, 18:24

Danke 8)
Bastler XXL
User
User
Beiträge: 30
Registriert: Mi, 15.07.09, 09:10

Mi, 22.07.09, 11:28

ok, jetzt wurde ja sehr viel gefachsimpeld... :D :D
jetzt werd ich mal genauer ich will 4 von diesen LED´s (http://www.leds.de/p31/Standard_LEDs/LE ... m_31V.html) in Reihe schalten...
was würdet ihr tun?
1. Alles an 12 Volt in Reihe schalten ohne Vorwiderstand (allerdings werden eigentlich 12.4 Volt benötigt)
2. Alles an 15 Volt in Reihe plus Vorwiederstand 110 Ohm?

Allerdings sind beide Transformatoren nicht stabilisiert, ich hab des jetzt so verstanden...
hinter den trafo die spannung gleichrichten, dann parallel dazu einen 25 Volt 1000uF Kondensator dann den Spannungsregler und dann dazu wieder parallel einen 470 uF Kondensator??
Benutzeravatar
Beatbuzzer
Auserwählter
Auserwählter
Beiträge: 3177
Registriert: Fr, 17.08.07, 11:02
Wohnort: Alfeld / Niedersachsen
Kontaktdaten:

Mi, 22.07.09, 11:35

Bastler XXL hat geschrieben: was würdet ihr tun?
1. Alles an 12 Volt in Reihe schalten ohne Vorwiderstand (allerdings werden eigentlich 12.4 Volt benötigt)
2. Alles an 15 Volt in Reihe plus Vorwiederstand 110 Ohm?
Von diesen beiden Möglichkeiten nur die 2te, da man die erste generell nicht macht. LEDs an einer festen Spannung ohne Widerstand betreiben macht in sofern Probleme, da man den Strom nicht kennt, der dort fließt.
Dieser Strom ist aber gerade das, was über Leben und Tod der LEDs entscheidet.

Nochmal die Frage:
Geht es dir wirklich nur darum, 4 LEDs an einem Trafo zu betreiben. Dann brauchst du die Stabilisierung nicht. Es reicht dann ein Gleichrichter und ein Kondensator.
Du musst nur den Widerstand nach der dann vorhandenen Spannung berechnen und nicht einfach für 15V. :wink:
Hoffe du verstehst mich etwas. :mrgreen:
Bastler XXL
User
User
Beiträge: 30
Registriert: Mi, 15.07.09, 09:10

Mi, 22.07.09, 11:58

nein das wollte ich nur als einfache beschreibung mit den 4 led´s....es gibt dann insgesamt 24 parallel geschaltene reihen a 4 led´s...dann brauch ich die stabilisierung so wie ich das beschrieben hab oder?
Benutzeravatar
Beatbuzzer
Auserwählter
Auserwählter
Beiträge: 3177
Registriert: Fr, 17.08.07, 11:02
Wohnort: Alfeld / Niedersachsen
Kontaktdaten:

Mi, 22.07.09, 12:37

Bastler XXL hat geschrieben:nein das wollte ich nur als einfache beschreibung mit den 4 led´s....es gibt dann insgesamt 24 parallel geschaltene reihen a 4 led´s...dann brauch ich die stabilisierung so wie ich das beschrieben hab oder?
Dann wärst du schon bei 432mA, wenn die LEDs im gesunden 18mA Betrieb laufen.
Jetzt ist die Frage, wie sich das mit der Belastung des Trafos verhält, wegen der Stromspitzen.
In diesem Artikel ist das gut beschrieben, habe ich mir vorher auch noch nie Gedanken gemacht.
Könnte sein, dass man den Trafo überlastet.
Bastler XXL
User
User
Beiträge: 30
Registriert: Mi, 15.07.09, 09:10

Mi, 22.07.09, 13:35

Also dann probier ich jetzt den 18 Volt/ 888mA trafo, bau den gleichrichter plus stabilisator plus Spannungsregler dahinter und dann muss das funktionieren...Oder??
Fasti
Mega-User
Mega-User
Beiträge: 213
Registriert: So, 07.01.07, 20:20

Mi, 22.07.09, 15:55

Ja und den Vorwiderstand vor jeder Reihe nicht vergessen!
Antworten