LEDs langsam an- und ausschalten

Hier werden Fragen zu LED-Grundlagen beantwortet...

Moderator: T.Hoffmann

Antworten
Plutiger Anfänger
Mini-User
Beiträge: 4
Registriert: Di, 08.09.09, 23:02

Di, 08.09.09, 23:09

Hallo Leute!

Bin neu in der Welt der leuchtenden Dioden und habe eine Frage:

Hat jemand eine Idee, wie man es schaffen kann, dass die LEDs beim einschalten nicht sofort ganz hell sind, sondern über einen Zeitraum von – sagen wir mal – 2-3s langsam heller werden bis sie dann die volle Leuchtleistung erreichen?
Borax
Star-Admin
Star-Admin
Beiträge: 12243
Registriert: Mo, 10.09.07, 16:28

Mi, 09.09.09, 07:55

Hallo Plutiger Anfänger,

welcome on board!

Idee ist nicht das Problem. Aber Deine Elektronik/Lötkenntnisse...
Was genau suchst Du? Fertigbaustein, Bausatz oder nur Schaltplan? Was ist beim Ausschalten? Auch 'Ausfaden' oder darf es abrupt ausschalten? Wie viele LEDs (Betriebsspannung/Strom) solle es sein?
k2emitter
User
User
Beiträge: 15
Registriert: So, 01.02.09, 18:51

Mi, 09.09.09, 11:41

Hi
Empfehle dir diese Schaltung:
LED_ein-ausfaden.gif
LED_ein-ausfaden.gif (4.63 KiB) 19515 mal betrachtet
(c) Pesi ;)
Plutiger Anfänger
Mini-User
Beiträge: 4
Registriert: Di, 08.09.09, 23:02

Mi, 09.09.09, 15:50

Danke für die schnelle Antwort, Borax!

Wenn möglich sollte es für 12 V sein und ich habe da 24 LEDs dran angeschlossen, jeweils 3,24V und 20 mA. Ob es auch beim Abschalten abdimmt, ist mir eigentlich egal. Und ein Fertigbausatz wäre eigentlich das Beste, aber wenn es das nicht gibt, müsste ich ja wohl oder übel zum Lötkolben greifen… :roll:
Plutiger Anfänger
Mini-User
Beiträge: 4
Registriert: Di, 08.09.09, 23:02

Mi, 09.09.09, 17:41

Dank, Dir auch K2Emitter!

die Schaltung sieht echt gut aus. Ich habe nur leider gar keine Ahnung von so was, deshalb wollte ich Dich fragen:

Wie wäre das dann für 12V?

und kann man die LEDs dann alle parallel zu der, die eingezeichnet ist, schalten oder wie schliesst man die an?

GND ist die Erde, oder?

Steht A für Anode?

Hey, ich weiss, das sind ganz schön viele Fragen, deshalb ganz ganz lieben Dank schon im Vorraus!
Borax
Star-Admin
Star-Admin
Beiträge: 12243
Registriert: Mo, 10.09.07, 16:28

Do, 10.09.09, 12:30

Wenn möglich sollte es für 12 V sein und ich habe da 24 LEDs dran angeschlossen, jeweils 3,24V und 20 mA.
Als 3'er Ketten verschaltet? Wären dann 8x20mA also 160mA Gesamtstrom.
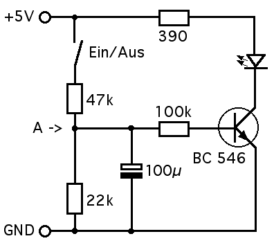
Bausatz/Baustein hab ich auf die Schnelle auch nicht gefunden, aber wenn Du die oben gezeigte Schaltung nachbauen kannst (ist wirklich einfach), dann ist das die einfachste Lösung. Hier ein Dimensionierungsbeispiel für 12V/160mA:
LedFadeIn12A.png
LedFadeIn12A.png (6.57 KiB) 19443 mal betrachtet
Das Zeitverhalten siehst Du in der Graphik. Nach dem Einschalten passiert etwa 0.5 Sekunden nichts, dann steigt der Strom sichtbar an und nach etwa 2.5 Sekunden ist die 'volle' Helligkeit erreicht (den Stromunterschied von 18.5mA auf 19.5mA bei etwa 4 Sekunden sieht man nicht mehr). Ich hab nur zwei 3'er Ketten eingezeichnet (sonst wird es unübersichtlich), die Schaltung ist aber für 8 3'er Ketten vorgesehen. Der Vorwiderstand von 180Ohm muss sich auch nicht mit Deinem Vorwiderstand decken, das hängt von der Flussspannung der LEDs ab. Den Schalter kann man auch zwischen +12V und 'dem Rest der Schaltung' einbauen, dann R2 (hinter dem Schalter) mit +12V verbinden. 'Ausfaden' ist dann natürlich nicht mehr, dafür wird aber auch kein Ruhestrom verbraucht (wobei der hier keine Rolle spielt - sind nur ein paar µA)
ashton066
Mini-User
Beiträge: 4
Registriert: Do, 10.09.09, 13:39

Do, 10.09.09, 13:45

Sehr interessante Schaltung. Mich, als ebenfalls blutigen Anfänger, würde sehr interessieren wie das genau abläuft. Ich versteh nicht was der Kondensator dabei macht.
Benutzeravatar
Sailor
Moderator
Beiträge: 9427
Registriert: Di, 28.11.06, 22:16
Wohnort: Saarland, Deutschland und die Welt

Do, 10.09.09, 15:06

Wie das abläuft findest Du hier beschrieben.
ashton066
Mini-User
Beiträge: 4
Registriert: Do, 10.09.09, 13:39

Do, 10.09.09, 15:29

Achso ist das. Naja ich hab immer Probleme damit sowas nur den Werten nach abzuschätzen (also dass der Kondensator zuerst geladen wird).

Neulich hab auf einer anderen Seite mal was über soeine andere Schaltung mit zwei Kondensatoren gelesen, deren Zweck es war eine LED pulsieren zu lassen. Die hab ich allerdings auch überhaupt nicht verstanden. Kennt ihr eine einfache (d.h. ohne IC) Lösung fürs pulsieren lassen? Ich stell mir das ungefähr vor wie beim Macbook; aber dass die LED nie ausgeht sondern immer schwach leuchtet und ab und zu wie ein Herzschlag schnell heller wird und dann wieder langsam dunkler.
Benutzeravatar
Beatbuzzer
Auserwählter
Auserwählter
Beiträge: 3177
Registriert: Fr, 17.08.07, 11:02
Wohnort: Alfeld / Niedersachsen
Kontaktdaten:

Do, 10.09.09, 17:46

Eine gewisse Grundhelligkeit könnte man erreichen, indem man von den LEDs einen Widerstand direkt nach Masse schaltet. Also parallel zum Transistor. Wenn dieser dann ganz sperrt, fließt trotzdem noch ein Minimalstrom um ihn herum.
Wenn das ganze dann auch noch selbstständig blinken soll, braucht man noch eine astabile Kippstufe, wenns denn keine ICs sein dürfen.
So eine besteht aus 2 Transistoren, 2 Kondensatoren, und paar Widerstände.
Wählt man die Kondensatoren groß und die Ladewiderstände klein, dann ergibt sich schon von allein ein Nachleuchten.

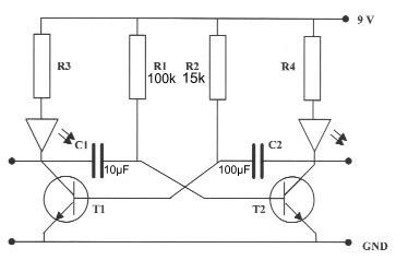
Hier mal ein Bild wie sowas aussieht. Eine LED kann man auch weglassen, wenn man keinen Wechselblinker braucht.
Borax
Star-Admin
Star-Admin
Beiträge: 12243
Registriert: Mo, 10.09.07, 16:28

Fr, 11.09.09, 08:15

...aber dass die LED nie ausgeht sondern immer schwach leuchtet und ab und zu wie ein Herzschlag schnell heller wird und dann wieder langsam dunkler.
Am einfachsten obige Schaltung (Ein-Aus-Fader) mit einer astabilen Kippstufe verbinden. Die Zeitkonstante sollte dann so gewählt werden, dass die astabile Kippstufe schon wieder schaltet, bevor die LED ganz aus ist. Das lässt sich mit ein paar Potis anstatt der Festwiderstände problemlos abgleichen. Wenn Du mir die sonstigen 'Eckdaten' gibst (Betriebsspannung, Anzahl und Typ der LEDs), kann ich Dir einen Schaltplan malen (respektive mit LTSpice simulieren).

BTW: Eine Erklärung wie eine astabile Kippstufe funktioniert, gibt es sogar schon in Wikipedia:
http://de.wikipedia.org/wiki/Multivibrator
ashton066
Mini-User
Beiträge: 4
Registriert: Do, 10.09.09, 13:39

Fr, 11.09.09, 13:15

Erstmal dachte ich mir das mit zwei Batterien (3V) und zwei schwächeren LEDs. Aber vorher hab ich noch ein paar Fragen zum Multivibrator. Was nicht ganz verstehe ist wie die Kondensatoren hier genau funktionieren.
Um einen Kondensator zu laden muss er sich doch in einem Stromkreis befinden, d.h. eine Seite an + und eine an -.
Aber hier ist z.B. C1 doch über R3 und R1 mit dem +Pol verbunden. Und ich stell mir das so vor dass auch über beide Leitungen Strom zu ihm fließt. Oder gibt es über die Basis des Transistors eine Verbindung zum -Pol? (bisher hatte ich immer angenommen dass ein Transistor durchschaltet wenn an der Basis lediglich eine Spannung anliegt; aber eben kein Strom).
Wozu braucht man überhaupt R1?
Benutzeravatar
Beatbuzzer
Auserwählter
Auserwählter
Beiträge: 3177
Registriert: Fr, 17.08.07, 11:02
Wohnort: Alfeld / Niedersachsen
Kontaktdaten:

Fr, 11.09.09, 14:57

R1 und R2 sind wesentlich hochohmiger, als die Kombination aus LED und R3 bzw. LED und R4. Die Kondensatoren werden abwechselnd über die Transistoren mit einem Anschluss an Masse gelegt. So laden sie sich über R1 bzw. R2 auf.

Ein Bipolar-Transistor ist ein Stromverstärker. An seiner Basis liegt meist eine Spannung um 0,6-07V an. Die fließende Strömstärke muss begrenzt werden, sonst wird er beschädigt. Dieser Basisstrom wird um den Verstärkungsfaktor (hfe) des Transistors verstärkt an dem Collector abgegeben.
Ein Feldeffekt-Transistor (FET) ist spannungsgesteuert, dort fließt also kein (Wirk)strom. Wirkstrom deshalb, weil bei schnellen Schaltwechseln ein Blindstrom fließt, weil das Gate (Basis) eine Kapazität hat.
Plutiger Anfänger
Mini-User
Beiträge: 4
Registriert: Di, 08.09.09, 23:02

So, 13.09.09, 09:10

Hey Borax!

Vielen Dank für die Schaltung! Habe mir die Bauteile bei Conrad gekauft und mit Lüsterklemmen zusammengeschraubt. Und es funktioniert fast so wie ich wollte: Es geht sehr an – eigentlich so, als wenn man einen Schalter ohne Fader anmacht und geht nach Betätigung des Aus-Schalters innerhalb von 3 Sekunden aus. Das ist auch schon recht schön, aber woran kann es liegen, dass die LEDs so schnell "angehen"?
Benutzeravatar
Beatbuzzer
Auserwählter
Auserwählter
Beiträge: 3177
Registriert: Fr, 17.08.07, 11:02
Wohnort: Alfeld / Niedersachsen
Kontaktdaten:

So, 13.09.09, 10:13

Plutiger Anfänger hat geschrieben: aber woran kann es liegen, dass die LEDs so schnell "angehen"?
Kann eigentlich nur daran liegen, dass R2 nicht passt. Vielleicht hast du nicht 5,6K eingebaut, sondern nur 560R.
5,6k sind grün-blau-rot / 560R sind grün-blau-braun.
Sollte sich der C-Mitarbeiter verguckt haben. Halte ich aus Erfahrung bei C-Mitarbeitern nicht für unwahrscheinlich :wink: .

Weil die Simulationen von Borax haben bisher selten gelogen.
Borax
Star-Admin
Star-Admin
Beiträge: 12243
Registriert: Mo, 10.09.07, 16:28

So, 13.09.09, 10:30

Naja, ist ist aber auch NUR eine Simulation. Und diese Schaltung ist ein bisschen 'sensibel'. Wenn Du die Möglichkeit hast, dann besorg Dir noch ein paar Widerstände mehr (6.8k oder 7.5k oder auch ein Poti - das Zeug kostet ja fast nichts) und probier es aus, welcher Wert als R2 am besten passt. Um das 'Ausfaden' zu verkürzen, kannst Du auch R1 verkleinern (z.B. auf 2.7k).
ashton066
Mini-User
Beiträge: 4
Registriert: Do, 10.09.09, 13:39

So, 13.09.09, 12:30

Ah ok jetzt versteh ichs. Vielen Dank für die Antwort. Diese Simulation hab ich noch gar nicht gesehen; hätte auch nicht das Programm dafür. Aber wie würde man jetzt mit der Dimensionierung der Teile anfangen?
Denn es muss ja alles sehr genau abgestimmt sein (ich denke da z.B. an R1 und R2 die ja möglichst groß sein müssen, aber eben genau soviel Strom durchlassen müssen dass C1 und C2 geladen werden ohne dass T1/T2 durchschalten.)

Die Idee eine Grundhelligkeit über einen zusätzlichen Anschluss der LEDs+Widerstand zu erreichen ist ja logisch aber wie schafft man das in dieser Schaltung? Wenn man jetzt unter D1/D2 eine neue Leitung (incl. Widerstand) anbringen würde, werden die Kodensatoren bestimmt nicht mehr richtig geladen.
Benutzeravatar
Beatbuzzer
Auserwählter
Auserwählter
Beiträge: 3177
Registriert: Fr, 17.08.07, 11:02
Wohnort: Alfeld / Niedersachsen
Kontaktdaten:

So, 13.09.09, 16:52

Habe dir hier mal 4 Beispielwerte für die 4 blinkgebenden Bauteile gegeben.
Die Schaltung ist relativ unkritisch. Sehr genau muss man da nichts anpassen. R1 und R2 sollten schon dreimal so groß sein, wie R3 und R4. Wobei dann zu R3 und R4 der LED-Widerstand hinzugerechnet werden kann.
Nach oben hin gibt es für diesen Zweck eigentlich keine Grenzen. Du kannst für R1/R2 auch 1Mohm einbauen, dann blinkts halt sehr langsam.
Die Kondensatoren sind auch ziemlich egal: klein= schnell ... groß = langsam.

Meine Werte sind sehr unterschiedlich, weil es hier so ist, dass der Ausgang mit dem großen Kondensator nachleuchtet, also ausfadet. Der andere hingegen nicht. Wenn du es mal so aufbaust, kannst du den Unterschied schon gut erkennen.
Mit noch größeren Kondensatoren und kleineren Widerständen wird das nachleuchten noch deutlicher und länger.

Für gleichlange Leuchtzeiten der beiden LEDs sind am besten immer C1=C2 und R1=R2 zu wählen.
a_kippstufe.JPG
a_kippstufe.JPG (13.99 KiB) 19330 mal betrachtet
lastabhängig ist diese Schaltung auch. Wenn du also an einem Ausgang viel Strom und am anderen wenig fließen hast, dann ergibt das auch unterschiedliche Tastverhältnisse. Obwohl C1=C2 und R1=R2 sein können.
Soll also viel Strom oder unterschiedlich viel geschaltet werden, dann am besten noch pro Ausgang ein PNP-Transistor dazu.
Antworten