Fernbedienungsbausatzerweiterung

Anleitungen für "hausgemachte" LED Projekte

Moderator: T.Hoffmann

Benutzeravatar
Doc_McCoy
Hyper-User
Hyper-User
Beiträge: 1962
Registriert: Sa, 03.06.06, 15:49
Wohnort: Neualbenreuth
Kontaktdaten:

Mi, 05.09.07, 20:53

Hi Leute, ich bins wieder der Doc.
Da ich sowieso d.stegman meine Erweiterung zeigen möchte, machen ich das gleich fürs ganze Forum.

Fernbedienungsbausatz/pollin
Der Bausatz muss halt zusammengelötet werden, ist eigentlich keine größere Schaltung.
Aber es fehlt noch ein Modul, wo man Bauteile anschließen kann, die mehr Leistung brauchen, ansonsten kann/wird der Empfängerbausatz von pollin kaputt. Deswegen kann man die Relaiskarte von pollin nehmen.

Jedoch ist diese Karte oft überflüssig, da man doch keine 230V Geräte ranhängen will, die 3A schlucken.
Daher habe ich mir überlegt, ob ich mit Transistoren eine eigene Erweiterung bauen kann, weil Transistoren halten ja, je nach Bautyp auch schon 1A aus.

Benötigtes Material:
<ul><li>8x Transistor BC879</li>
<li>Rasterplatine(am besten Streifenraster)</li>
<li>Parallelportanschluss weiblich(z.B.)</li>
<li>Lüsterklemmen</li>
<li>1x 470 Ohm(kann auch etwas stärker sein)</li>
<li>Litze, Lötzinn, Lötkolben</li>
</ul>

Zum Transistor BC879:
<ul><li>npn</li>
<li>max. 1A</li>
<li>max. 80V</li>
<li>für weitere Informationen</li>
</ul>
582_transistor_2.jpg
582_transistor_2.jpg (10.3 KiB) 27419 mal betrachtet

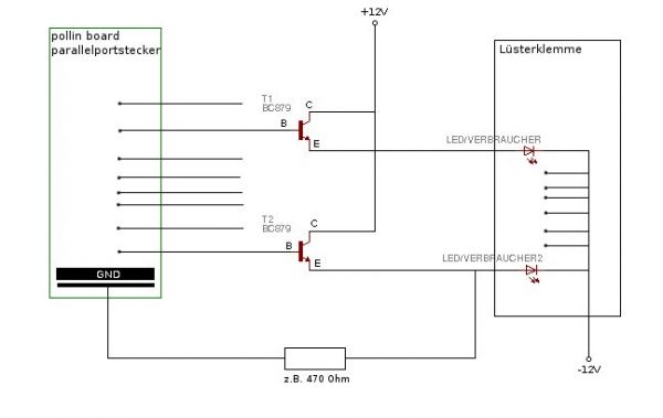
Zum Schaltplan:
582_schaltungfernb_1.jpg
Überall wo die losen Striche sind kommen natürlich auch Tranistoren ran und werden gleich verbunden, wie die anderen zwei.

Jo, das wäre der Schaltplan; ich denke, dass ich kein Board mit den Bauelementen zeichnene muss, da es ja nicht weiter kompliziert ist.

Etwas Erklärung: +12V und -12V ist die Stromquelle für die LEDs, z.B. Lumitronixschaltnetzteil.
Das GND am Parallelportstecker ist das ganze Metall um den Stecker, also einfach ranlöten.

Die ferige Erweiterung:
582_IMAG0002_1.jpg
582_IMAG0005_1.jpg
Pinbelegung vom Parallelport kommt noch!
RPH
Mega-User
Mega-User
Beiträge: 182
Registriert: Fr, 27.04.07, 08:13
Wohnort: Südlich v.Augsburg

Mi, 05.09.07, 21:07

Hi Doc,

ist nicht so ganz gut, Deine Schaltung, ich würde verbessern:

Jedem Transistor einen Basiswiderstand von ca. 1k verpassen, ist relativ unkritisch wenn
die Ansteuerleistung hoch genug ist, ansonsten etwas reduzieren.

Die Last kommt in den Kollektorkreis, nicht in den Emitterkreis.

Wichtig: -12 Volt ist -12 Volt, Deine Zeichnung zeigt eine Symmetrische Betriebsspannung
von +- 12 Volt, also von oben nach unten 24 Volt , das dürfte nicht so ganz passen.

Verwende lieber einen anderen Transistor oder einen Darlington für ca. 3-4 Ampere,
dann kannst Du damit sicher 1 Ampere Schalten, ohne das alles zu kühlen.

Der GND Widerstand könnte evtl. zu groß sein, wenn dann würde ich den nicht über
100 Ohm oder so machen, der verschiebt das Potential nach oben.
Benutzeravatar
Sailor
Moderator
Beiträge: 9427
Registriert: Di, 28.11.06, 22:16
Wohnort: Saarland, Deutschland und die Welt

Mi, 05.09.07, 21:09

Ich musste zwei Mal hinschauen, aber ok. Mit +12 V und -12 V sind die Plus- und Minusleitung des Netzteil gemeint.

Einige Fragen/Anmerkungen noch:

Kommst Du ohne Strombegrenzung in der Basis der Transistoren aus?

Wie hast Du die Masseverbindung für das Schaltsignal gelöst?

Mit dem 470 Ohm Widerstand ist ja nur Masse und Strombegrenzung für den unteren Transistor.

Vor den LED´s soltest Du einen Widerstand andeuten, sonst baut es noch jemand ohne Widerstand nach!
Benutzeravatar
Doc_McCoy
Hyper-User
Hyper-User
Beiträge: 1962
Registriert: Sa, 03.06.06, 15:49
Wohnort: Neualbenreuth
Kontaktdaten:

Mi, 05.09.07, 21:16

Oh ja, ich habe noch vieles auszubessern...
Also mein Schaltplan wurde getestet, er funktioniert auf jedenfall! Volle Belastung von 1A habe ich noch nicht durchgeführt.
Und die 470 Ohm hat er auch gepackt.

Wenn ich an die Basis vom Transistor 1kohm ranhänge, tut es dem µC ja nicht gut. 1kohm ist ja schon eine noch kleine Last, aber nach einer Stunde wird der Microcontroller schon warm bis heißwerden. :?
Benutzeravatar
Sailor
Moderator
Beiträge: 9427
Registriert: Di, 28.11.06, 22:16
Wohnort: Saarland, Deutschland und die Welt

Mi, 05.09.07, 21:20

Der Widerstand soll ja in die Leitung zur Basis, nicht zwischen Basis und Masse.
luckylu1
Hyper-User
Hyper-User
Beiträge: 1405
Registriert: So, 29.04.07, 05:11
Wohnort: berlin

Mi, 05.09.07, 21:33

?

ne wa, RPH hat recht!

die leds müssen in den kollektorkreis der transis, vor die basis muss ein widerstand, so funzt das bestenfalls mit ein paar milliampere und wozu der 470ohm widerstand gut sein soll, müsstest du mir mal erklären.
so ist die schaltung nicht wirklich zu gebrauchen. und warum sich etwas durch verringerung des stromes mehr erwärmen soll, ist die preisfrage, deswegen das fragezeichen.
Benutzeravatar
jm2_de
Hyper-User
Hyper-User
Beiträge: 1188
Registriert: Sa, 06.01.07, 01:26

Mi, 05.09.07, 21:40

Die Transistoren sind auch viel zu tief eingelötet und zo dem zusammenlöten der
Beinchen auf der Oberseite sage ich mal garnix .... WIESO :?:
Benutzeravatar
Doc_McCoy
Hyper-User
Hyper-User
Beiträge: 1962
Registriert: Sa, 03.06.06, 15:49
Wohnort: Neualbenreuth
Kontaktdaten:

Do, 06.09.07, 10:56

Ja gut, ist nen Denkfehler mit dem Widerstand vor der Basis.
Aber macht das was aus, wie tief ich meine Transistoren reinlöten.
Und so ein Transistor hat nur ca. 2cm Pins, da kann ich nicht alle pins der Transistoren auf ein Streifenraster legen. So kann ich alle Collectors sammeln. Die Schaltung muss jetzt sowieso verbessert werden.

Wenn die Spannung U CE kleiner ist, als die Spannung U BE, dann befindet sich der Transistor in der Sättigung, d.h. es wirkt sich negativ auf die Schaltfrequenz vom Transistor aus. Deswegen ist auch der 470 ohm gedacht.
luckylu1
Hyper-User
Hyper-User
Beiträge: 1405
Registriert: So, 29.04.07, 05:11
Wohnort: berlin

Do, 06.09.07, 11:02

mit der schaltfrequenz, das ist ein schlechtes argument, kleinleistungstypen haben üblicherweise mehrere hundert MHz und dein AVR nur bestenfallst 20MHz. ausserdem an einer schaltung festzuhalten, die eh nicht richtig funktionieren wird, ist nicht gerade clever. aber bau mal weiter, wirst es schon noch einsehen, spätestens, wenn du die ausgänge richtig belastest, gibt es dann nette effekte.^^
Benutzeravatar
Doc_McCoy
Hyper-User
Hyper-User
Beiträge: 1962
Registriert: Sa, 03.06.06, 15:49
Wohnort: Neualbenreuth
Kontaktdaten:

Do, 06.09.07, 12:19

lol, ich habe jetzt meine Schaltung getestet mit einer Luxeon K2 weiß, die auch 1A schluckt.
Deswegen sollte der Transistor auch voll ausgelastet sein.

Ergebnis bei einer Testzeit von 20min:
-Einschalten, Ausschalten der Led funktioniert über die Fernbedienung.
-Led auf dem Kühlkörper und Widerstand für Led wird warm, schätzungsweiße 45°C.
-Attiny bleibt kalt.
-Transistor BC879, wird lauwarm, schätzungsweiße 30°C(bei 1A kein Wunder)

Ja, das wars eigentlich schon. :roll:


Es freut mich, dass es mein Transistor ausgehalten hat. :D :D
Aber mir ist trotzdem klar, dass mein Schaltplan nicht wirklich der tollste war.
Ich werde ihn ausbessern, und auch ausprobieren. :o

Was wäre ein Forum, wenn jeder den richtigen Schaltplan machen könnte, und es nichts zum diskutieren gäbe. :wink:

mfg Doc_McCoy
Benutzeravatar
jm2_de
Hyper-User
Hyper-User
Beiträge: 1188
Registriert: Sa, 06.01.07, 01:26

Do, 06.09.07, 12:44

Wenn man die Transistoren so einlötet können sie die wärme vom Löten nicht richtig abführen
und die Gefahr ist gross das sie beschädigt werden, daher macht man das nur in China so.

Das Layout ist auch ein wenig irre, sowas schmeisst Dir jeder Prüfer aus dem Fesnter :roll:
Du musst alle Transistoren mit allen drei beinen einlöten und dann mit Brücken und
Unterbechungen in den Leiterbahnen die richtigen Verbindungen herstellen.
Die Widerstände kann man dabei Wunderbar als Brücke einsetzen solange die Länge ausreicht.

Wenn man nicht weiss wie das geht sollte man alle mit C und E auf die jeweils selbe
Leiterbahn setzen, immer mit etwas Abstand.
Dann Unterbechungen zwischen den C´s und B´s machen und bei TTL Schaltungen wrap-wire benutzen,
bei etwas höheren Strömen nimmt man gleich eine Lochraster/Streifenraster Platine und lötet die
Kabel frei an die Lötpunkte an.

Zum Glück hab ich damit nie viel Probleme gehabt, daher hat meine Platine in der Prüfung auch
einwandfrei funktioniert - nicht wie bei einigen anderen :wink:
Benutzeravatar
Sailor
Moderator
Beiträge: 9427
Registriert: Di, 28.11.06, 22:16
Wohnort: Saarland, Deutschland und die Welt

Fr, 07.09.07, 07:20

Dass die Schaltung (Zumindest wie im unteren Kreis gezeichnet) funktionier, habe ich nicht bezweifelt.

Solange Du mit zwei Spannungsquellen arbeitest, ist es egal, ob der Basisstrom durch einen Widerstand in der Basis oder im Emitter begrenzt wird. Im Zusammenhang mit kritischen Verhältnissen im Potentialausgleich bei verschiedenen Spannungsquellen wird diese Art der Strombegrenzung öfter gewählt. Der Widerstand bremst beim Anschluss der zweiten Spannungsquelle den Strom beim Potentialausgleich und schützt daher die Schaltung der Fernbedienung. Somit übernimmt er zwei Aufgaben.

Ein Basiswiderstand ist also schon vorhanden, auch wenn er ausnahmsweise im Emitter sitzt.

Solch ein Widerstand müsste dann allerdings in jedem Kreis sitzen, weil sonst keine definierte Steuerung möglich ist und der Strom der B-E-Strecke durch die anderen Transistoren nicht begrenzt wird (es sei denn durch den Aufbau in der Fernbedienung). Und diese Widerstände fehlen mir.

Deine Schaltung ist also vom Grundsatz richtig und sinnvoll. Eine grundsätzliche Änderung ist nicht erforderlich, solange Du mit zwei Stromkreisen arbeitest.

Wenn allerdings nur eine Spannungsversorgung für beide Bereiche angelegt wird (Fernbedienung und LED´s), wird der Widerstand über die gemeinsame Masse kurzgeschlossen.
RPH
Mega-User
Mega-User
Beiträge: 182
Registriert: Fr, 27.04.07, 08:13
Wohnort: Südlich v.Augsburg

Fr, 07.09.07, 08:50

Hi Doc,

da ist irgendwo etwas, was sich nicht so ganz zusammenreimen lässt.
Wenn ich jetzt mal um es schnell zu rechnen behaupte, nur mal die LED sind 3 Volt x 1 Ampere
das ergibt nach der mit bekanten Formel 3 Watt an Leistung.
Laut Datenblatt macht der Transistor 0,8 Watt bei einer Sperrschichttemperatur von ca. 100° ?

Also im Klartext bei diesen hier Angegebenen Parametern währe der Transistor schon tot.

MfG RPH

Edit:
So ein Quatsch, richtig angefangen, Paketdienst geklingelt, Telefon geläutet,
schnell zu Ende machen weil FREU Paket aufmachen, falsch zu Ende gedacht.

Das ist natürlich nur die Leistung der LED, aber es ist irgendwo ein Wurm drinnen weil der Transistor
als Maximum 1 A und das bei einer schon sehr hohen Sperrschicht Temperatur schalten kann.

Doc, Skiziere doch mal die Schaltung mit dem einen Transistor so wie Du es oben beschrieben hast.

Ach Käse, machen wir es so:



Hi Doc,

diese Schaltung funktioniert einwandfrei, Du kannst damit mit wenigen mA Steuerleistung welche
eigentlich jeder Baustein aufbringen kann locker 1 – 2 Ampere schalten, bei 1 Ampere brauchst
Du noch gar keinen Kühlkörper. Spannung max. ist glaube ich so um die 50 oder 60 Volt.
1845_RPH_X_Doc_01_1.jpg
Jeder TTL Ausgang kann diesen Schalter betätigen, die Mikroprozessoren haben eigentlich
meistens einen TTL kompatiblen Ausgang. Damit bist Du alle Sorgen los.

Die Transistoren hat Luckylu1 mal angeboten, vielleicht hat der noch welche, Frag mal an.

MfG RPH
Benutzeravatar
Mirfaelltkeinerein
Ultra-User
Ultra-User
Beiträge: 748
Registriert: Mi, 25.10.06, 17:52
Wohnort: Südwesten

Fr, 07.09.07, 17:59

(Boah, so richtig mit Lineal und Schablone 'skizziert'...)
luckylu1
Hyper-User
Hyper-User
Beiträge: 1405
Registriert: So, 29.04.07, 05:11
Wohnort: berlin

Fr, 07.09.07, 18:40

RPH /so hatte ich das auch gemeint, ist eine eindeutige und einfache schaltung

50 von den 100 tip120 dürften noch vorhanden sein
Benutzeravatar
Sailor
Moderator
Beiträge: 9427
Registriert: Di, 28.11.06, 22:16
Wohnort: Saarland, Deutschland und die Welt

Fr, 07.09.07, 21:15

Der Widerstand in Doc´s Schaltung schützt die Fernbedienung! Wenn 2 Spannungskreise miteinander verbunden werden, sollte dies über einen Widerstand in der Masseleitung erfolgen!

Der Widerstand ist gleichzeitig Basiswiderstand dieses von der Fernbedienung kommenden Spannungskreises. In diesem Kreis fließt ausschließlich Strom Fernbedienung - Basis - Emitter Fernbedienung. Im zweiten Kreis fließt Strom Netzteil - Collektor - Emitter - Widerstand - LED - Netzteil.

In dem LED - Kreis ist der Emitterwiderstand also nicht vorhanden, er hebt daher die Spannung am Emitter für diesen Kreis auch nicht an.

Die Leds mit Vorwiderstand im Emitterkreis anzuschließen hat zusätzlich den Vorteil, dass ein Potentialausgleich über den Vorwiderstand der LED und die LED selbst abgeschwächt bzw. in einer Richtung fast ausgeschlossen wird, solange das Netzteil nicht angeschlossen ist und damit im LED-Stromkreis kein Strom fließt.

Doc sollte seine Schaltung optimieren, aber grundsätzlich beibehalten. RPH´s Schaltung kann zur Zerstörung der Fernbedienung durch statische Ladungen führen, wenn in dieser nicht ein eigener Schutz vorhanden ist.

RPH´s Schaltung ist dann zu nehmen, wenn die Spannung zur Versorgung der B - E - Strecke von der gleichen Spannungsquelle kommt wie die Versorgung der C - E - Strecke.

Werden für die beiden Strecken je unterschiedliche Spannungsquellen genutzt, ist Doc´s Schaltung vorzuziehen!
luckylu1
Hyper-User
Hyper-User
Beiträge: 1405
Registriert: So, 29.04.07, 05:11
Wohnort: berlin

Fr, 07.09.07, 22:16

sailor / auf grund deiner ausführungen, habe ich mir die sache noch mal angesehen, ich würde es trotzdem nicht so bauen! ein defekter transi, mit C-B schluss, tötet mit sicherheit den avr. um die sache sicher für alle betriebsfälle zu machen, sollten einfach ein paar optokoppler rein, die treiben dann ein paar power-fets und gut,
dann brennt garantiert nix mehr an, es lässt sich ja immer noch mehr sicherheit einbauen, die frage ist ja eigentlich, wozu dient das ganze? eine gut durchdachte schaltung kann immer wieder aufgebaut werden, ohne jedesmal etwas neues entwickeln zu müssen. setzt man die optokoppler gleich mit auf das board, ist die sache ein für allemal vom tisch.
Benutzeravatar
Sailor
Moderator
Beiträge: 9427
Registriert: Di, 28.11.06, 22:16
Wohnort: Saarland, Deutschland und die Welt

Fr, 07.09.07, 22:30

Da gebe ich Dir ohne Umschweife recht, Lucky! Die galvanische Trennung ist bei der Verwendung zweier Stromkreise erste Wahl.

Doc´s Schaltung kenne ich noch aus der Zeit, als Transtoren so exotisch waren, dass sie nur vom Meister eingelötet werden durften, weil eine Gesellenqualifikation nicht ausreichte. Sie wurde dann noch lange unverändert benutzt. Aufgrund beruflicher Umortierung habe ich Anfang der 80er Jahre die Spur der Schaltung verloren, bis Doc sie jetzt wieder vorführte.

Mit der preiswerten Verfügbarkeit der Optokoppler wird sie heute ihre frühere Bedeutung wohl verloren haben.
Benutzeravatar
jm2_de
Hyper-User
Hyper-User
Beiträge: 1188
Registriert: Sa, 06.01.07, 01:26

Fr, 07.09.07, 22:50

Sailor hat geschrieben: Doc´s Schaltung kenne ich noch aus der Zeit, als Transtoren so exotisch waren, dass sie nur vom Meister eingelötet werden durften, weil eine Gesellenqualifikation nicht ausreichte. Sie wurde dann noch lange unverändert benutzt. Aufgrund beruflicher Umortierung habe ich Anfang der 80er Jahre die Spur der Schaltung verloren, bis Doc sie jetzt wieder vorführte.
Du bist also Radio-Fernsehtechniker :wink:
Benutzeravatar
Sailor
Moderator
Beiträge: 9427
Registriert: Di, 28.11.06, 22:16
Wohnort: Saarland, Deutschland und die Welt

Fr, 07.09.07, 23:06

Nee, das ist eine der Ausbildungen, die ich nicht mehr schaffen werde.
RPH
Mega-User
Mega-User
Beiträge: 182
Registriert: Fr, 27.04.07, 08:13
Wohnort: Südlich v.Augsburg

Sa, 08.09.07, 07:02

Hallo,

die von mir gezeigte Schaltung wird auch zum Ansteuern von Leistungs Motoren oder H Brücken
an einem anderen Stromkreis verwendet, da gibt es eigentlich keine Probleme.
Das ist im Prinzip die selbe simple Schaltung welche in einfachen Treiber ICs drinnen ist.

Hier zum Beispiel:
(R2 kann bei Ansteuerung mit Komplementär Endstufen Endstufen entfallen, ein µC hat die.)
1845_RPH_X_TTL_01_1.jpg
1845_RPH_X_TTL_01_1.jpg (20.18 KiB) 27366 mal betrachtet
Quelle: HPI Lehrbuch Elektronik IV D / Digitale Steuerungstechnik / 4. Ausgabe 1987


Es gibt einen Grundsatz, welcher eigentlich generell einzuhalten ist, das die Masse oder das
Bezugspotential entweder komplett mit Optokoppler oder Übertrager zu trennen ist oder mit so
geringem Widerstand wie möglich weiterzuführen ist.
Jeder Widerstand erzeugt Rauschen oder Brummschleifen bzw. Erdschleifen und sollte vermieden
werden da es oft zu Problemen mit den Folgeschaltung kommt.

Mir fällt gerade noch was ein, es gibt so eine ähnliche Schaltung wie von Doc, die wird
Verwendet bei kleinen Steuersignalen und unterschiedlichen Spannungsquellen, allerdings
ist hier ein PNP Transistor erforderlich.

Was sagt uns das ? Die von Sailor beschriebene Schaltung aus der Anfangszeit war mit
Sicherheit mit einem Germanium Transistor bestückt und da gab es fast keine NPN Transistoren
sondern fast nur PNP Transistoren !!

MfG RPH
Benutzeravatar
jm2_de
Hyper-User
Hyper-User
Beiträge: 1188
Registriert: Sa, 06.01.07, 01:26

Sa, 08.09.07, 07:35

RPH hat geschrieben: Was sagt uns das ? Die von Sailor beschriebene Schaltung aus der Anfangszeit war mit
Sicherheit mit einem Germanium Transistor bestückt und da gab es fast keine NPN Transistoren
sondern fast nur PNP Transistoren !!
Die NPNs mag ich nicht, die haben für meinen Geschmack eine zu negative einstellung,
die PNPs mag ich lieber, da erreicht man was mit positiver verstärkung :wink:
(den versteht jetzt leider nicht jeder)


Germanium Bauteile sind ja recht selten geworden, wird am Preis liegen das das recht selten ist,
dagegen gibts Silizium ja wie Sand am Meer (woraus Silizium tatsächlich besteht) :wink:
Der niedrigere Spannungsabfall kann bei manchen Anwendungen schon nützlich sein,
aber ansonsten fällt mir auch kaum noch was ein wo man "Ge" Bauteile bräuchte.
Ist ähnlich wie mit dem Selen, auch nicht mehr gebräuchlich (hatte aber mal einen sehr alten
Selen-Gleichrichter zwischen Fingern).
luckylu1
Hyper-User
Hyper-User
Beiträge: 1405
Registriert: So, 29.04.07, 05:11
Wohnort: berlin

Sa, 08.09.07, 10:22

germanium hat ja viele nachteile, aber einen wandler aufzubauen, der mit 0,1V auskommt, das wird auch in der zukunft mit silizium nicht gehen. bei der letztens gezeigten wandlerschaltung nur mit transistoren, sind ge
transistoren zur stromgrenzwerterfassung sehr im vorteil, gerade bei hohen strömen wird der wirkungsgrad verbessert.
Benutzeravatar
Sailor
Moderator
Beiträge: 9427
Registriert: Di, 28.11.06, 22:16
Wohnort: Saarland, Deutschland und die Welt

So, 09.09.07, 09:14

Auch hier hat das How² wieder mehrere Väter, deshalb an

Doc 100 Credits

RPH 50 Credits

Lucky 50 Credits
luckylu1
Hyper-User
Hyper-User
Beiträge: 1405
Registriert: So, 29.04.07, 05:11
Wohnort: berlin

So, 09.09.07, 10:08

danke sailor, kann ich gut gebrauchen.
Antworten