habe ein paar von diesen Luxeon LEDs geschenkt bekommen und habe mal ein Mini-Projekt gestartet.
Die Schaltung hat 3 Dimm-Stufen und in Standby nimmt sie ca. 1,5µA auf.
Ich wollte evt daraus eine Taschenlampe bauen.
Hier ein Bild der Platine, mal sehen was man noch an Funktionen einbauen kann.
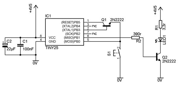
und der Schaltplan:
Wer die AVRs brennen kann (ATtiny25), kann von mir gerne die Firmware haben.
Zurzeit sind nur ca. 500mA möglich, aber mehr kann man den Mignonzellen
wohl auch nicht zumuten.
Evt ist meine Bastelidee für andere User von Interesse, viel Spaß beim basteln.
mfg

