Sorry. Empfand die Frage mehr als Hinweis, welche Möglichkeiten es gibt.
Die LED sollen abwechselnd leuchten, nicht gemischt.
Bei der Schaltung hab ich leider gar keine Ahnung bei µC, obwohl das, was ich im Internet bisher darüber gelesen habe, echt super klingt (Möglichkeiten mit verschiedener Programmierung).
Wenns nicht zu kompliziert ist mit dem programmieren und der Technische Aufwand die Programmierung auf den µC zu bringen (z.B. spezielles Schreibgerät) wäre das schon ne feine Sache. Korrigiere mich wenn ich falsch bin, aber man kann dann auch unterschiedliche Beleuchtungszustände programmieren.
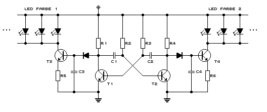
Müsste ich mir zuerst noch andere Geräte besorgen um sowas zu programmieren, würde ich lieber bei der klassischen analogen Technik bleiben, da dies etwas einmaliges wird und ich mit großer Wahrscheinlichkeit keine weitere Schaltung in der Art baue.
Vielen Dank bisher.
Gruß sleepydino.
