Blinkschaltung

Fragen zu Schaltungen, Elektronik, Elektrik usw.

Moderator: T.Hoffmann

Antworten
jo04
Mini-User
Beiträge: 8
Registriert: Mo, 03.01.11, 13:44

Mo, 03.01.11, 14:09

Liebe Led Gemeinde,

ich bräuchte mal etwas Hilfe / Beratung.

Ich möchte eine led blink schaltung realisieren, mit 6 high power leds, wahrsch typ
Seoul Z-LED P4, rot, 108lm
oder evtl die osram dragon x rot (leider kein datenblatt gefunden)

Blinkfrequenz soll ca 2,5 hz sein (alle led synchron an und aus)
Pausenzeit gleich der Einschaltzeit
Ziel maximale lichtausbeute
Betrieb mit externem netzteil, wahrsch 4,8 volt

Die Schaltung sollte so einfach wie möglich sein.
Mit was würdet ihr die Blink - Schaltung realisieren?
Mit einer ne 555 Schaltung?
Dahinter evtl ein mosfet zur schaltung des led stromkreises?

Wäre super wenn ihr mir weiter helfen könntet.

Allen ein gesundes neues Jahr!
Benutzeravatar
Sailor
Moderator
Beiträge: 9427
Registriert: Di, 28.11.06, 22:16
Wohnort: Saarland, Deutschland und die Welt

Mo, 03.01.11, 14:16

Hier findest Du eine Schaltung mit dem 555.

Alternativ käme ein konventionell aufgebauter astabiler Multivibrator in Betracht.

Herzlich Willkommen im Forum!
jo04
Mini-User
Beiträge: 8
Registriert: Mo, 03.01.11, 13:44

Di, 04.01.11, 10:07

schon mal vielen Dank fürs schnelle Antworten!
auch für die Schaltpläne!
Hab es genau so vor gehabt. Aber immer gut wenn schon mal jemand sowas gemacht hat :D

werde mich mal in den nächsten Tagen dran setzten und rechnen / zeichnen.
evtl kann ja nochmal wer drüber schauen ob´s passt .

Hat evtl noch jemand eine Idee für den Bau eines countdown schaltelements, bei dem man die Zeit einstellen und dann die Lampen solang geschaltet bleiben, bis die Zeit abgelaufen ist ?

wäre super!
müsste ja auch mit 555 er elementen gehen. Aber bei mir will gerade der Knoten nicht platzen.

Danke schon mal!
schönes Forum!
jo04
Mini-User
Beiträge: 8
Registriert: Mo, 03.01.11, 13:44

Mo, 24.01.11, 15:34

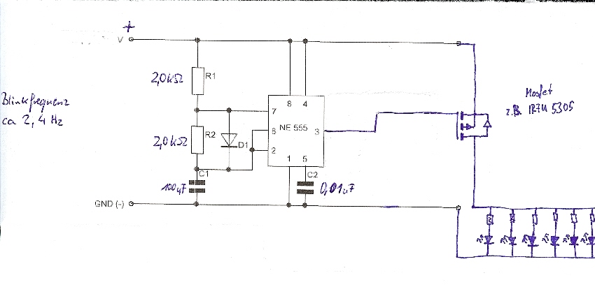
Hatte jetzt lang keine zeit, aber jetzt solls weiter gehen.
hab mal mein schaltplan gezeichnet ( bzw euren fertigen modifiziet).
Vielleicht kann ja mal kurz jemand drüber schauen ob´s so passt!
mit der Blinkfrequenz bin ich jetzt laut meiner berechnung bei 2,4 hz gelandet.

Vielen Dank schon mal!

Mfg
Jo
Dateianhänge
Scannen0002.jpg
Borax
Star-Admin
Star-Admin
Beiträge: 12243
Registriert: Mo, 10.09.07, 16:28

Mo, 24.01.11, 16:45

Passt. An/Aus sind nicht 100% gleich (in der Sim ist 'An' etwa 210ms und 'Aus' etwa 250ms). Aber das fällt wohl sowieso keinem auf :)
Hat evtl noch jemand eine Idee für den Bau eines countdown schaltelements,
Schau mal hier:
http://www.themt.de/el-0230-time-49.html
Beim Punkt Monostabile Kippstufe bzw. Monoflop (und anschließend noch den Punkt Unterdrückung des Start–Zyklus).
jo04
Mini-User
Beiträge: 8
Registriert: Mo, 03.01.11, 13:44

Mo, 24.01.11, 20:29

super, vielen Dank.
auch wenns keiner merkt,
werde die werte dann noch ändern!

danke für die hilfe!

mfg

Jo
jo04
Mini-User
Beiträge: 8
Registriert: Mo, 03.01.11, 13:44

Di, 15.02.11, 11:14

Ich bräuchte bitte nochmal eure Hilfe!

Habe meine Blinkschaltung aufgebaut...
die Schaltung funktioniert auch wunderbar.

jetzt zu meinem Problem:

habe ein 12 v Netzteil eines alten Laptops
12 v ausgang (gemessen 12,24 V )
4,5 A
max 63 Watt
müsste getaktet sein.
(halt so ein übliches schwarzes flaches kästchen)

als Leuchten sollten an der bBlinkschaltung 6 Stränge (parallel) mit je 3 luxeon Rebel LXML PD01 0030, rot ( betrieben mit 700mA) in Reihe

soweit so gut.

hab mal zum testen 3 luxeon rebel in Reihe geschaltet. alles schön auf ein aktiven kühlkörper eines alten pc.
davor ein widerstand mit 2,2 Ohm

jetzt leuchtet aber nur die erste Led

wo liegt bitte mein Fehler?

Danke für eure Hilfe!
Benutzeravatar
Sailor
Moderator
Beiträge: 9427
Registriert: Di, 28.11.06, 22:16
Wohnort: Saarland, Deutschland und die Welt

Di, 15.02.11, 11:17

Bei den beiden, die nicht leuchten, ist wohl Plus und Minus vertauscht.
jo04
Mini-User
Beiträge: 8
Registriert: Mo, 03.01.11, 13:44

Di, 15.02.11, 11:21

Plus und Minus sollte passen ...
Benutzeravatar
Sailor
Moderator
Beiträge: 9427
Registriert: Di, 28.11.06, 22:16
Wohnort: Saarland, Deutschland und die Welt

Di, 15.02.11, 11:29

Kannst Du die Spannungen messen?

Ich habe den Widerstand nicht nachgerechnet. :oops:
jo04
Mini-User
Beiträge: 8
Registriert: Mo, 03.01.11, 13:44

Di, 15.02.11, 13:03

hab jetzt einfach, auch auf das Risiko, dass die anderen evtl auch schaden nehmen die restlichen cluster getestet.
Siehe da,
alle anderen funktionieren.

komisch was mit dem ersten los ist.
werde sie nochmal zerlegen und neu zusammen löten.

duchgemessen hab ich die reihe.
aber kamen nur komische ergebnisse raus die hint und vorn net sein können.

hab eh das gefühl dass die erste led die ging einen schaden genommen hat.

naja evtl kann man die anderen 2 noch retten.


trotzdem danke!


Mfg

Jo
Antworten