LED mit Fade-In und Out Effekt

Hier werden Fragen zu LED-Grundlagen beantwortet...

Moderator: T.Hoffmann

Dracotin
User
User
Beiträge: 12
Registriert: Mi, 21.03.12, 17:25

Fr, 23.03.12, 20:42

Alles klar. Vielen dank :)
suzuggl
Mini-User
Beiträge: 3
Registriert: Mi, 14.11.12, 11:43

Mi, 14.11.12, 14:34

Hallo Gemeinde, ich möchte mich hier mal dranhängen. Ich möchte eine Schaltung realisieren, die mir eine beliebige, gerne von Euch auszuwählende warmweiße LED ansteuert wie folgt:
Einschalten, d.h. 12V vorhanden, Fade-In von 2 sec
Dimmen auf 50% Helligkeit über zusätzlichen Schaltkontakt
Ausschalten, Fade-Out von 2 sec.

Kann ich die hier besprochenen Schaltung verändern?
Anwendung: Tagfahrlicht/Standlicht Kfz

Danke.
Borax
Star-Admin
Star-Admin
Beiträge: 12243
Registriert: Mo, 10.09.07, 16:28

Mi, 14.11.12, 16:56

Anwendung: Tagfahrlicht/Standlicht Kfz

Hier ist (leider) von der StVO kein Selbstbau/Änderung erlaubt. Prinzipiell würde es vielleicht gehen, aber für diese Anwendung wäre mir die Schaltung zu sensibel.
suzuggl
Mini-User
Beiträge: 3
Registriert: Mi, 14.11.12, 11:43

Di, 20.11.12, 09:29

OK, ich würde diese Art Schaltung gerne auch im Eingangsbereich bei mir einsetzen, zusammen mit einem Bewegungsmelder.
Bitte macht mir einen Vorschlag.
Borax
Star-Admin
Star-Admin
Beiträge: 12243
Registriert: Mo, 10.09.07, 16:28

Di, 20.11.12, 09:39

gerne auch im Eingangsbereich bei mir einsetzen
Mit welchen LEDs?
Diese Schaltung ist rein analog und daher muss sie exakt auf die LEDs und die Betriebsspannung abgestimmt werden. Ich habe zwar inzwischen auch eine andere Schaltung mit PWM Steuerung entwickelt an der prinzipiell beliebige LEDs angeschlossen werden können (wegen PWM ist diese Schaltung lastunabhängig) aber sie ist auch wesentlich komplizierter (Quad OP LM324, ca. 10 Widerstände, Kondensator + Mosfet).
suzuggl
Mini-User
Beiträge: 3
Registriert: Mi, 14.11.12, 11:43

Di, 20.11.12, 13:51

Vielleicht 2 x
Nichia NCSL119T mit je 350mA an 3,4V.

Es genügt mir eigentlich, es analog zu lösen. PWM ist natürlich auch die elegantere Lösung. Hast Du einen Schaltplan und eine Stückliste?

Versorgungsspannung 12V
Borax
Star-Admin
Star-Admin
Beiträge: 12243
Registriert: Mo, 10.09.07, 16:28

Di, 20.11.12, 14:05

Hast Du einen Schaltplan und eine Stückliste?
Später. Ich habe die (von mir aufgebaute und getestete) Schaltung gerade nicht zur Hand.
Als Bewegungsmelder könntest Du den von Pollin nehmen: http://www.pollin.de/shop/dt/NDg0ODY0OT ... elder.html
Siehe auch diesen Thread: viewtopic.php?f=34&t=12432&p=144670
Da stehen auch schon so einige Anmerkungen bzgl. 'Fade-Verhalten' (Totzeit, Erholungszeit, Ruhestrom)...
Beispielschaltung (mit 3 LEDs - nur 2 sind bei 12V Betriebsspannung 'schade um den Strom'):
LED_Fader12V_4.png
LED_Fader12V_4.png (5.34 KiB) 11664 mal betrachtet
Wie oben schon gesagt, diese Schaltung ist rein analog. Die angegebenen Widerstände sind nur als Richtwerte zu verstehen. Kann durchaus sein, dass man die um +/- 20% ändern muss, um ein gutes Ergebnis zu bekommen. Wie man den Schalter S1 über den Bewegungsmelder ansteuert hängt vom Bewegungsmelder (respektive dessen Ausgang) ab.
Borax
Star-Admin
Star-Admin
Beiträge: 12243
Registriert: Mo, 10.09.07, 16:28

Di, 20.11.12, 23:01

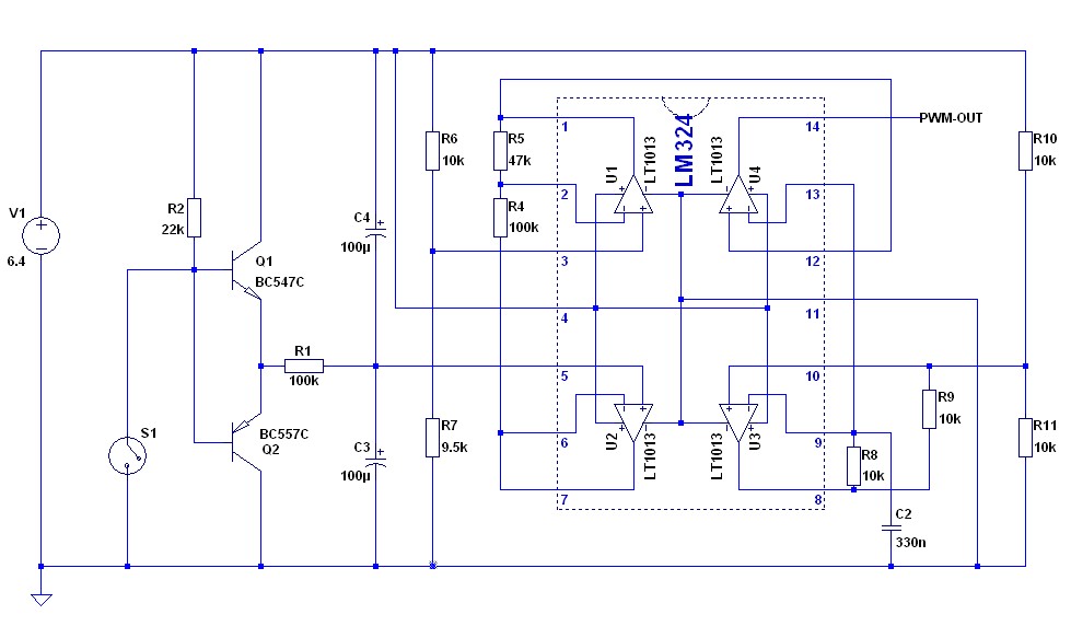
Hier noch der erwähnte Schaltplan für den PWM Fader:
LM324_PWM-Fader.jpg
Nicht über die Betriebsspannung wundern (Nokia Handy Netzteil). Sollte aber mit 12V genauso laufen. An den PWM Ausgang kann eine KSQ mit PWM Eingang angeschlossen werden. Oder eine einfache 2-Transistor-KSQ. Bei meinem Testaufbau hatte ich nur ein Oszi angeschlossen um den PWM Verlauf zu verfolgen. Wenn man R1 auf 1MOhm vergrößert und die Kondensatoren auf 1000µF dann dauert das rauf/runter faden je etwa 45 Minuten. Kann somit auch als Sonnenaufgang verwendet werden.
Antworten