Verständnis - Erweiterungsfragen zu Schrankbeleuchtung How²

Hier werden Fragen zu LED-Grundlagen beantwortet...

Moderator: T.Hoffmann

Benutzeravatar
Crossfire
Hyper-User
Hyper-User
Beiträge: 1059
Registriert: Di, 30.10.07, 11:44
Wohnort: Filderstadt
Kontaktdaten:

Fr, 02.05.08, 22:40

unten steht dateianhang hochladen und da dann halt einfach ein bild!

wie willst du blaue und grüne leds in 5er reihen an 12V machen??


der mittlere kontakt ist der schleifer (meistens) und die anderen musst du nur eins belegen dann kommt es halt drauf an, an welchen konakt du dein kabel lötest wie rum du drehst damit die ohm zahl hoch geht und wie runter! kannst du mit deinem multimeter nach messen wenn du ohm einstellst (immer den nächst größeren wert)

natürlich kannst du auch ienfach eine holzplatte nehmen!


warum wilslt du ne crimpzange???
maxpd
Mega-User
Mega-User
Beiträge: 148
Registriert: Sa, 26.04.08, 17:36

Sa, 03.05.08, 08:53

ja, mach ich ja, aber dann steht da nur das graue kästchen mit den dateianhängen, aber nix zum anklicken... soo, der mag kein TIFF, jpeg funktioniert :-)
Schaltplan.jpg
wollte nie blaue in 5er reihe schalten, ich habe ja drunter geschrieben das 3 zum verbauen und 2 als ersatz oder reserve sind :-)

wie das mit dem messen funktioniert werden wir dann mal sehen :-)

ok, dann ist dafür wohl anderes Material kostengünstiger, obwohl die Platte mit 70 cent, sehr billig ist, sind halt nur die 5€ Porto die immer alles so teuer machen.

ich wollte ne Zange um die Telefonkabel blank zu bekommen. Mit Schere und Messer tut man sich so schwer. Bessere Idee?

Hey, ich will auch Sterne :-(
Benutzeravatar
Crossfire
Hyper-User
Hyper-User
Beiträge: 1059
Registriert: Di, 30.10.07, 11:44
Wohnort: Filderstadt
Kontaktdaten:

Sa, 03.05.08, 11:47

ja der schaltplan stimmt so weit =)

achso ich hab gedacht du willst alle 5 blaue verbauen sorry

eine crimpzange ist doch sowas wo man solche stecker mit kabel dauerhaft verbindet oder?? also durch so zusammen drücken... du brauchst entweder einen seidenschneider (mag ich nicht so arg zum abisolieren) oder eine abisolierzange!
(http://www.pollin.de Best.Nr. 500 009 die zange ist ganz gut tut sich nur bei den ganz dünnen kabeln schwer...)

das mit dem messen ist sehr einfach ;) du hältst eine messleitung (wie nennt man die??) ans mittlere und das andere ans linke, dann drehst du am poti und schaust wie die Ohm zahl ist wenn die auf dem höchsten wert ist und du drehst nach rechts unds runter geht aber du willst das wenn du nach rechts drehst das es dann nach oben geht musst du halt beim mittleren und beim rechten deine kabel anschließen! wenn sich die ohm zahl aber nicht verändert dann ist der mittlere nicht der schleifer! das musst du dann halt ausprobieren...
weißt du wie ichs mein??

Felix

PS: sterne bekommt man eig wenn man hilft oder ein projekt vorstellt ;) aber hast ein paar xD
Benutzeravatar
Sailor
Moderator
Beiträge: 9427
Registriert: Di, 28.11.06, 22:16
Wohnort: Saarland, Deutschland und die Welt

Sa, 03.05.08, 13:30

Am Poti muss der Mittenkontakt mit mit der unteren Leitung verbunden werden, sonst kannst Du nicht regeln. Außerdem ist die Eingangsspannung eine Gleichspannung und somit nicht sinusförmig. Den 4,7 Kiloohm (4.700 Ohm) Widerstand wollte ich später parallel zum Poti löten, damit der Regelweg vergrößert wird. Der kann auch bis 10 Kiloohm groß sein, wenn Du beide Werte mitbestellst, kannst Du den Unterschied im Regelweg selbst testen.

Aber Du kannst ihn auch ausrechnen ...
maxpd
Mega-User
Mega-User
Beiträge: 148
Registriert: Sa, 26.04.08, 17:36

Sa, 03.05.08, 14:14

bei pollin kostet die Zange 1 euro. Bei reichelt kostet die billigste 10, machne 70.. toll :-D
dafür ist dort die lötstation teurer.

Das mit dem Messen les ich mir genau durch sobald ich alles habe, dazu gibt es ja auch noch andere Threats.

Sterne :-) Ich dachte die Sterne, die neben jedem Beitrag stehen werden auch dazu gezählt :-(
also neuer Threat = 15 +

@ sailor: meinst du jetzt verschiedene Widerstandwerte mitbestellen? Muss ich dann nicht dazu auch noch passende Potis mitbestellen? Ich werde verwirrt :-)

Was heisst Poti mit unterer Leitung? Meinst du ein Pin mit + ein Pin mit - und den letzten Pin mit dem Widerstand der zu den LEDs führt verbinden?
maxpd
Mega-User
Mega-User
Beiträge: 148
Registriert: Sa, 26.04.08, 17:36

Sa, 03.05.08, 14:25

wenn ich auf Pollin umsattel und mir dort alles bestelle muss ich mit einer viel geringeren Auswahl klarkommen :-(

Aber trotzdem das passende gefunden, denke ich mal.

Poti1
Poti2

Also bei beiden Potis 10kOhm. Der eine hat sogar integrierten Druckschalter, was angesichts der Tatsache das ich einen Schalter für alle Leds insgesamt habe, ja unnötig ist.

Gibt es auch irgendwo aufsätze für solche Potis damit man einen Griff hat und nicht nur den Metallstab?

Dann das Telefonkabel mit der Nummer: 540 056
Und das Multimeter mit der Nummer: 830 194
Bei dem Multimeter steht dabei, dass es als Funktion Diodentester hat. Brauch ich dann das Gerät von Lumitronix nicht mehr? Mit dem ich die Leds teste.

was auch wieder viel billiger als bei Reichelt ist?!!?
Benutzeravatar
Crossfire
Hyper-User
Hyper-User
Beiträge: 1059
Registriert: Di, 30.10.07, 11:44
Wohnort: Filderstadt
Kontaktdaten:

Sa, 03.05.08, 23:02

dioden sind was andeens als leds

rate mal warum ich pollin bevorzuge? leider hat er nicht so viel auswahl... aber kostet auch weniger wenn du bei pollin und reichelt bestellst als wenn du die zange bei reichelt bestellst ;)
maxpd
Mega-User
Mega-User
Beiträge: 148
Registriert: Sa, 26.04.08, 17:36

So, 04.05.08, 10:45

Ok, wenn jetzt auch noch die letzten Fragen beantwortet sind die oben stehen und ich alles nötige an Wissen zusammen habe, dann bestell ich mal.

Aber an Sailor waren da noch offene Fragen.
Benutzeravatar
Sailor
Moderator
Beiträge: 9427
Registriert: Di, 28.11.06, 22:16
Wohnort: Saarland, Deutschland und die Welt

So, 04.05.08, 11:37

Bestell Dir dieses Poti mit, der Regelweg ist dann besser und Du benötigst nicht den von mir angesprochenen weiteren Widerstand.

Ein Poti wird für diese Anwendungsart grundsätzlich so angeschlossen:
Poti.png
Poti.png (1.74 KiB) 18043 mal betrachtet
Das hat den Vorteil, dass auch bei einer Unterbrechung im Schleiferbereich ein definierter Widerstand im Kreis vorhanden ist. Bei vielen Schaltungen ist das wichtig!

Nur für eine Regelung als Spannungsteiler gibt es noch eine andere Schaltung (z.B. oben Plus, unten Minus und am Schleifer die eingestellte Spannung). Für Dich ist der Anschluss wie Oben gezeigt maßgeblich.
maxpd
Mega-User
Mega-User
Beiträge: 148
Registriert: Sa, 26.04.08, 17:36

Mo, 05.05.08, 09:09

Also nehm ich 4 von diesen Potis. 3 gegen die regulären 3 ersetzen und den 4. ersetz ich gegen den An/Aus Schalter ausm Shop. Mit dem hier kann ich ja auch an aus schalten und zudem einfach nur alle 3 gleichzeitig dimmen :-)

nur was da der Unterschied zwischenen denen die ich verlinkt habe ist, weiss ich nicht, ausser dass diese hier logarithmisch und nicht linear sind.

Und ich kann mir vorstellen, wie du das mit dem Regelweg meinst, aber den Gedankengang wie sich Widerstände darauf auswirken habe ich nicht verstanden.

Wäre damit alles geklärt, sodass meine Bestellung rauskann, oder muss an der Einkaufsliste ausser den Potis noch was geändert werden?
Benutzeravatar
Sailor
Moderator
Beiträge: 9427
Registriert: Di, 28.11.06, 22:16
Wohnort: Saarland, Deutschland und die Welt

Mo, 05.05.08, 09:35

Drehknöpfe für die Potis nicht vergessen (6 mm Achse).
Benutzeravatar
dieter_w
Mega-User
Mega-User
Beiträge: 398
Registriert: So, 18.02.07, 11:15

Mo, 05.05.08, 09:42

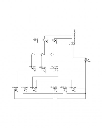
ACHTUNG: Die LEDs D2 und D6 sind falsch angeschlossen, bitte umpolen!

Ich bin mir nicht sicher, ob du mit der Potisteuerung glücklich wirst.
Kannst es gerne versuchen, aber mit ner einfachen PWM geht das günstiger zu lösen.
maxpd
Mega-User
Mega-User
Beiträge: 148
Registriert: Sa, 26.04.08, 17:36

Mo, 05.05.08, 16:32

auf pollin funktioniert die suche einfach nicht, da findet ma nix :-P

mir hatte man von einem Controller abgeraten, vielleicht kannst du mir ja noch was beibringen :-)

Was wären die Vorteile bei einem PWM und wo liegen deiner Meinung nach die Nachteile in den Potis?

Dachte es ist egal wie man LED's anschliesst..
Benutzeravatar
dieter_w
Mega-User
Mega-User
Beiträge: 398
Registriert: So, 18.02.07, 11:15

Mo, 05.05.08, 17:03

Die Schaltung mit den Potis ist - sorry! - schlichtweg Müll.
Du kriegst keine LED wirklich bis auf Null runtergedimmt. Und wenn du das Poti immer größer im Wert machst, dann ist der Leuchtbereich der LEDs auf einen ganz kleinen Drehwinkel begrenzt.
Mit einer PWM-Schaltung kannst du jede Farbe exakt von 0 bis 100% steuern.
Das ist ja allein dann schon notwendig, wenn du nur rot, nur grün oder nur blau darstellen möchtest, dann müssen die anderen Farben komplett aus sein.

Ich werd demnächst wahrscheinlich eine Dreifarb-PWM für Testzwecke aufbauen, da kannst du die Schaltung dann gerne bekommen.

Ist meine Meinung, kannst es aber auch gerne anders machen.
(Bitte denk dran, die LEDs D2 und D6 umzupolen, sonst geht bei diesen zwei Farben garnix!)
maxpd
Mega-User
Mega-User
Beiträge: 148
Registriert: Sa, 26.04.08, 17:36

Mo, 05.05.08, 17:08

OK, dachte bei den Potis ist ein integrierter ein/aus Schalter drin. Schafft der es nicht auf 0?
Kleiner Winkel ok, das ist blöd.

Wie soll die PWM aussehen?. Die Forensuche funktioniert gar nicht, bzw finde ich da nichts.

Kann mir darunter nichts vorstellen, ein Touchscreen vielleicht? :lol:

Wie würde so eine komplette PWM mit allem drum und dran preislich aussehen? Und aufwandsmässig? Weil wie gesagt :Anfänger.

Was bedeutet "demnächst" :wink:
Benutzeravatar
dieter_w
Mega-User
Mega-User
Beiträge: 398
Registriert: So, 18.02.07, 11:15

Mo, 05.05.08, 17:22

Poti mit Schalter? Kannste gerne machen. Mein Geschmack ist's nicht.

Die PWM wird drei mal die unten abgebildete Schaltung enthalten. Paar Bauelemente werde ich noch einsparen.
Das wird eine Leiterplatte, vielleicht 100mm x 100mm plus/minus paar Millimeter. Die Potis sind gleich eingelötet.

Als Netzteil ist das hier:
http://www.leds.de/p154/Zubehoer/Strom_ ... A_12V.html
bestens geeignet.

Preislich? Schwer zu sagen, insgesamt vielleicht so 15,- EUR die Bauteile? So als Richtwert.

Wann das wird? Kein Plan, vielleicht in einer Woche, in zwei Wochen, oder in drei Wochen?

Platine fällt eh' an, die kannste gleich mit nutzen. Ob ich eine oder zwei belichte ist wurscht.

Löten kannst du?
Dateianhänge
pwm-schaltung2.png
Zuletzt geändert von dieter_w am Mo, 05.05.08, 17:28, insgesamt 1-mal geändert.
maxpd
Mega-User
Mega-User
Beiträge: 148
Registriert: Sa, 26.04.08, 17:36

Mo, 05.05.08, 17:27

Ich bin grad heiss was zu bauen, daher :-) und es sollte als testversuch dienen, aber wenn ein PWM besser ist, dann machen wir doch sowas :-)

Aber ich habe halt keine Ahnung was der am Schluss kann, bzw, wie man den steuert.

Ja, Poti mit Schalter. Sailor hatte mir die Variante empfohlen, danach könnte man immernoch austauschen sagte er :-)

Löten, naja, ich habe mal etwas gelötet mit so na riessen Lötpistole ausm Aldi oder Lidl. Aber das war nur 1 oder 2 mal, jeweils nur ein Kabel :-)
Benutzeravatar
dieter_w
Mega-User
Mega-User
Beiträge: 398
Registriert: So, 18.02.07, 11:15

Mo, 05.05.08, 17:34

maxpd hat geschrieben:Ich bin grad heiss was zu bauen, daher :-) und es sollte als testversuch dienen,
Mach' als "Testversuch" die Poti-Schaltung. Und wenn du damit happy bist, ist's o.k.
aber wenn ein PWM besser ist, dann machen wir doch sowas :-)
Wie gesagt - ist meine Meinung. Die muss nicht richtig sein.
Aber ich habe halt keine Ahnung was der am Schluss kann, bzw, wie man den steuert.
Die kann Farben mischen, wie die Poti-Schaltung eben auch. Nur eben ändert sich die LED-Helligkeit vollkommen linear mit dem Poti-Drehwinkel. Das wirst du bei der "Poti-Schaltung" nicht erleben.
Löten, naja, ich habe mal etwas gelötet mit so na riessen Lötpistole ausm Aldi oder Lidl. Aber das war nur 1 oder 2 mal, jeweils nur ein Kabel :-)
Die vergiss ab diesem Punkt hier ganz schnell ... :?
maxpd
Mega-User
Mega-User
Beiträge: 148
Registriert: Sa, 26.04.08, 17:36

Mo, 05.05.08, 17:39

Daher bestell ich nen Anfänger Lötkölben für 15€ mit.

Ja ok, wenn du selbst auch Potis nutzt, nur deren Wirkung verbesserst, dann probier ichs erst so.
Ansonsten kann man die Potis wieder auslöten und dann mit deiner PWM verbessern. Wobei das ziemlich kompliziert aussieht :-D

Da ich eh noch keine Ahnung habe, werde ich mal schauen wie das Ergebnis aussieht und dann aus den Fehlern lernen.
Benutzeravatar
dieter_w
Mega-User
Mega-User
Beiträge: 398
Registriert: So, 18.02.07, 11:15

Mo, 05.05.08, 17:52

Ja, aber die Potis haben sicherlich andere Widerstandswerte. Das wird so nix.

Die Schaltung sieht für dich kompliziert aus, das ist leicht möglich.
Aber im Idealfall ist die Platine bereits fertig und du brauchst die Bauelemente nur noch nach Plan einlöten. Vielleicht hast du einen Bekannten, der dir dabei helfen kann?

Ach ja, wenn du Lötzinn kaufst, versuch' unedingtnoch altes Lötzinn zu bekommen, das noch aus einer Blei-Zinn-Legierung besteht.
Das ist im Industrieeinsatz zwar seit längerem nicht mehr erlaubt, aber im Bastelsektor darf damit noch gehandelt werden.
Mit dem jetzt üblichen Zinnlot wirst du nicht glücklich als Anfänger!
Das ist der einzige Tipp, wo ich dir wärmstens empfehle, diesen zu befolgen.
(Pollin, Best.Nr. 840 001 oder Best.Nr. 840 005)
maxpd
Mega-User
Mega-User
Beiträge: 148
Registriert: Sa, 26.04.08, 17:36

Mo, 05.05.08, 18:21

Danke für den Tipp.

Na dann vielleicht doch warten :-(

Ich hätte auch gerne alles über ne PC Software gesteuert, aber das wäre dann wahrscheinlich noch fünfmal schwieriger.
Benutzeravatar
dieter_w
Mega-User
Mega-User
Beiträge: 398
Registriert: So, 18.02.07, 11:15

Mo, 05.05.08, 20:57

maxpd hat geschrieben:Na dann vielleicht doch warten :-(
Das musst du entscheiden.
Ich hätte auch gerne alles über ne PC Software gesteuert, aber das wäre dann wahrscheinlich noch fünfmal schwieriger.
Nun man langsam ...

Das kannste später immer noch machen.
maxpd
Mega-User
Mega-User
Beiträge: 148
Registriert: Sa, 26.04.08, 17:36

Mo, 05.05.08, 21:02

Das kannste später immer noch machen.
das scheint in der Elektrotechnik Gang ung Gebe zu sein, denn das habe ich schon öfters gehört.
Dann werde ich mich dem mal anpassen :-)

Dann kann man deine Anleitung wenn sie fertig und ausgereift ist auch noch später dazubauen :-)

alles klaro
Benutzeravatar
dieter_w
Mega-User
Mega-User
Beiträge: 398
Registriert: So, 18.02.07, 11:15

Mo, 05.05.08, 21:10

maxpd hat geschrieben:
Dann kann man deine Anleitung wenn sie fertig und ausgereift ist auch noch später dazubauen :-)
Sorry, aber das hab' ich jetzt nicht ganz verstanden ...
Von mir gibt es keine Anleitung zur PC-Steuerung.
Das wird eine PWM, wo die einzelnen Farben indirekt per Poti gesteuert werden.
maxpd
Mega-User
Mega-User
Beiträge: 148
Registriert: Sa, 26.04.08, 17:36

Mo, 05.05.08, 21:13

Klar, war auch auf deine PWM bezogen.
Antworten