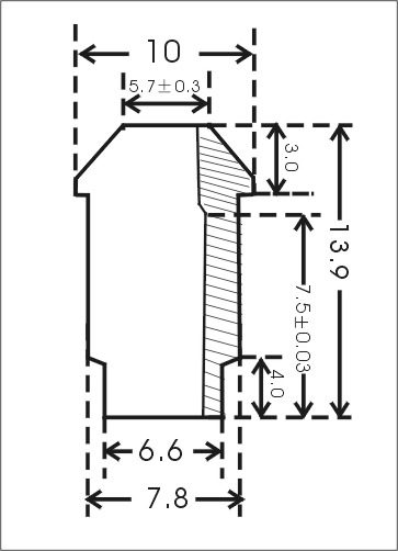
Bonjour,pouvez-vous m'envoyer les dimensions ou le plan technique des vis led, merci.Cordialement.
-------------------------------------------------------------------------------------------------------------------------------------------------
Cette question de Optim'Home se rapporte à Vis LED chromée blanche chaude, IP67, 12V et a été suspendue automatiquement par FAQ-Bot.
