LED Fiberglasleuchte modifiziert

Unterbodenbeleuchtung, Pimp my room, usw.

Moderator: T.Hoffmann

Antworten
ustoni
Auserwählter
Auserwählter
Beiträge: 2140
Registriert: Sa, 04.06.11, 12:39
Wohnort: Mechernich

Mi, 21.09.11, 08:51

Hier mal eine mit wenig Aufwand gefertigte Effektleuchte.
Ausgangspunkt ist eine LED-Fiberglasleuchte, wie sie bei ebay für knapp 5 € oder auch beim Lidl - wenn sie gerade mal im Angebot ist - noch günstiger erhältlich ist:
Originalpackung.jpg
Original enthält die Leuchte drei farbige LEDs, die einen langsamen Farbwechsel erzeugen. Betrieben wird die Leuchte mit 3 Mignonbatterien. Im Original sieht das dann so aus:
Original.jpg
Wie man sieht, ist der Effekt nich gerade berauschend. Das Fiberglasbündel ist zu keinem Zeitpunkt vollständig ausgeleuchtet, über die Lichtstärke braucht man gar nicht zu reden und außerdem wird das Ganze auch noch mit Batterien betrieben. Also: auf der Unterseite zwei Schrauben lösen, dann kann man das ganze Innenleben entsorgen.

Für die Modifizierung habe ich folgendes Material verwendet:

6 x Nichia 5mm Power LED weiß 28lm 120° , ArtNr.15031
3 x 3mm LED rot 11000mcd 12° 2.0V, ArtNr.13602
4 x Widerstand, 82 Ohm, ArtNr.80001
2 x Widerstand, 130 Ohm, ArtNr.80002
1 x Kippschalter, ArtNr.95003
1 x Universal-Schaltnetzgerät 800mA, 12V, ArtNr.95012
1 x DC-Einbaubuchse, Bürklin Nr. 40F1330

Der ganze Spaß kostet damit inklusive Leuchte knapp 23 €. Hinzu kommt noch ein Stück Lochrasterplatine und etwas Farbe.

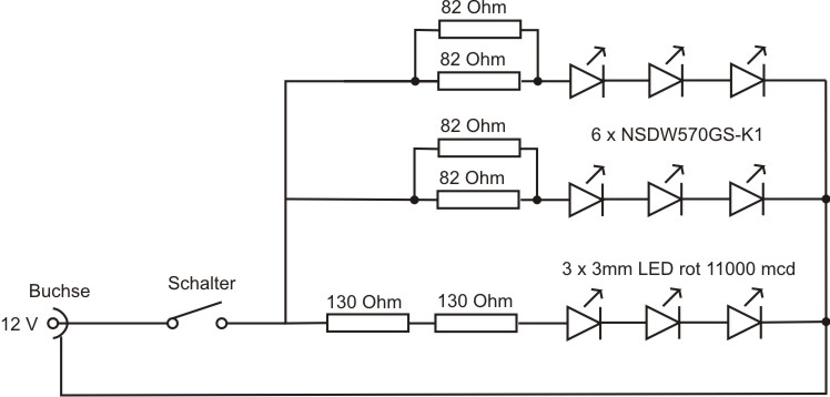
Die LEDs habe ich zu 3 Reihenschaltungen mit je 3 LEDs verschaltet:
Schaltplan.jpg
Statt der 2 x 130 Ohm kann man natürlich auch einen 270 Ohm Widerstand nehmen, die Widerstände hatte ich gerade zur Hand.
In den Sockel habe ich auf einer Seite - ca. 2 cm vom unteren Rand - ein 5,6 mm Loch für den Schalter gebohrt, gegenüber ein 10,5 mm Loch für die Buchse. Weiterhin habe ich 4 Löcher mit 2,5 mm Durchmesser in der Nähe der Buchsenöffnung und 8 weitere auf der Oberseite gebohrt. Ohne diese 2,5 mm Löcher würde im Dauerbetrieb ein Wärmestau entstehen.
Anschließend habe ich den Sockel angeschliffen, mit Haftgrund grundiert, 2 Schichten schwarzen Graniteffekt-Lack aufgetragen und zum Schluss noch eine Schicht Diamanteffekt-Lack aufgetragen.

Der fertig bestückte Sockel sieht jetzt so aus:
Sockel.jpg
Die Anordnung der LEDs von oben gesehen:
Anordnung LEDs.jpg
Das Ergebnis:
Modifiziert.jpg
Nochmal aus einem anderen Blickwinkel:
Modifiziert 2.jpg
Die Lichtstärke reicht für einen gemütlichen Fernseh- oder Videoabend vollkommen aus. Aber auch tagsüber sieht die Leuchte ganz nett aus. Die gemessene Leistungsaufnahme beträgt 3 Watt, bei 24 Stunden Dauerbetrieb würden damit jährliche Betriebskosten von etwa 6,5 € entstehen.
O.Mueller
Moderator
Beiträge: 4089
Registriert: Do, 23.02.06, 15:08
Wohnort: Südbaden
Kontaktdaten:

Mi, 14.12.11, 12:19

Das Ergebnis kann sich wirklich sehen lassen. Vor allem die geänderte Sockelfarbe war dringend notwendig !
Strumboe
Ultra-User
Ultra-User
Beiträge: 622
Registriert: Mi, 25.08.10, 11:19
Wohnort: Quickborn

Mi, 14.12.11, 12:22

Yep.

Da hat man dann doch wirklich richtig Spaß mit "Pimp Up my Lamp"". Auch von mir 5 Sternchen.

Gruß
johnson
Ultra-User
Ultra-User
Beiträge: 980
Registriert: Mi, 24.02.10, 14:10
Wohnort: Bayern

Mi, 14.12.11, 12:43

Ist echt gut gelungen. 5*
Aber ne Frage hätte ich noch.
Hätte man den Kippschalter nicht auch hinten montieren können, oder ist da zu wenig Platz (innen) :?:
Denke mal, würde besser aussehen. :wink:
ustoni
Auserwählter
Auserwählter
Beiträge: 2140
Registriert: Sa, 04.06.11, 12:39
Wohnort: Mechernich

Mi, 14.12.11, 12:55

Natürlich hätte man den Schalter auch hinten anbringen können, Platz ist da mehr als genug. Ich habe von diesem Lampentyp inzwischen noch einige andere Versionen angefertigt und dabei auch mit anderen LEDs gearbeitet. Zur Zeit bin ich z.B. dabei eine Version mit einer Samsung 3535, weiss, zu bauen. Da kommt dann ein Kabelschalter dran. Ich werde am Wochenende mal ein paar Fotos davon posten, sobald ich sie fertig habe.

Welchen Schalter man wo verwendet ist einfach Geschmackssache. Ich kann so einen Umbau nur empfehlen. Kostet wenig und ist ein geringer Aufwand. Das Einzige, was dabei etwas Zeit kostet, sind die Trockenzeiten der Lackschichten.
chri25
User
User
Beiträge: 34
Registriert: Di, 29.11.11, 08:19

Mi, 14.12.11, 14:49

Der Umbau sieht wirklich klasse aus, und er regt auch zum Nachbau an.

Zum Fernsehen sicher ein angenehmes Licht.

Bin auf die nächsten Varianten gespannt.

mfg Christian
ustoni
Auserwählter
Auserwählter
Beiträge: 2140
Registriert: Sa, 04.06.11, 12:39
Wohnort: Mechernich

Sa, 17.12.11, 11:03

Hier wie angekündigt die Version mit High Power LED:

Das Prinzip bleibt das Gleiche wie oben. Lackierung: Haftgrund, 2 x Graniteffektspray weiss. Diamant-Effekt-Lack.

LED: Samsung 3535 weiss, ArtNr.61752
Steckernetzteil: Konstantstromquelle 700mA, IP20, ArtNr.95091
Kühlkörper: Kühlkörper rund 50mm, ArtNr.60021

Sicht von oben auf die fertig montierte LED:
LED.jpg
LED.jpg (146.21 KiB) 8060 mal betrachtet
Zur Kühlung sind einige Löcher (3 mm) erforderlich. Wichtig: auch der Kühlkörper muss mehrfach durchbohrt werden! Sicht von unten:
Innen.jpg
Die komplette Leuchte, ausgeschaltet:
Lampe aus.jpg
Und so leuchtet sie:
Lampe an.jpg
Leistungsaufnahme LED: 2,3 W
Leistungsaufnahme Lampe: 3,3 W

Der Kühlkörper erreicht im Dauerbetrieb knapp 50 Grad.

Nachtrag 17.12.11, 13:12 Uhr:
Hier noch ein Foto bei weniger Umgebungslicht (dem schlechten Wetter seis gedankt):
Lampe an 2.jpg
Antworten