Kleine Bastelei: flexibler & effizienter Multifluter

Anleitungen für "hausgemachte" LED Projekte

Moderator: T.Hoffmann

Antworten
Benutzeravatar
stoske
Hyper-User
Hyper-User
Beiträge: 1024
Registriert: Mi, 02.03.11, 16:38
Wohnort: Wuppertal

So, 27.11.11, 23:19

Hi,

was ich mal zeigen wollte...
552fn9uh.jpg
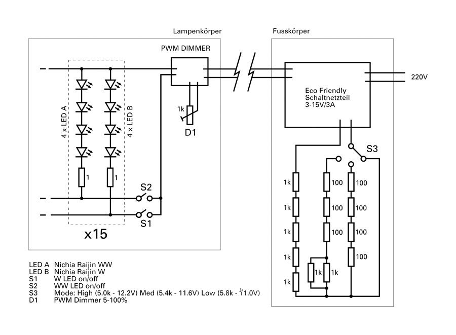
Je vier Nichia Raijin weiß oder warmweiß liegen in Reihe mit einem 1 Ohm Widerstand. 30 solcher Reihen
ergeben eine Matrix von 120 LED. Über die beiden Schalter kann man weiße und warmweiß LED separat
einschalten, oder zusammen laufen lassen. Dahinter folgt ein PWM Dimmer mit Drehpoti mit dem man die
LED auf max. 5% dimmen kann (Nachtlicht).

Das Netzteil ist "Eco Friendly" und besonders effektiv, es kann normalerweise zwischen 3 und 15 Volt in sieben
Stufen umgeschaltet werden. Ich habe den Umschalter, der nur zwischen verschiedenen Widerständen umschaltet,
zuerst gegen ein passendes Poti ersetzt um die Spannung fliessend einstellen zu können.

Dann habe ich die LED-Matrix in die Situation "Hochsommer" versetzt (ca. 30 Grad) und die Spannung des
Netzteils so eingestellt, dass die LED dauerhaft nur mit rund 65 mA belastet werden. Bei Raumtemperatur
liegen sie dann bei rund 60 mA. Dann habe ich noch zwei weitere Stufen einstellt, bei denen ich die Belastung
immer ungefähr halbierte. Diese drei Widerstands-Werte habe ich dann über einen Drehschalter in drei feste
Schaltstufen umgesetzt.

Im Fuss, der noch zu bauenden Lampe, kann man dann über den Drehschalter drei feste Dimmstufen einstellen
(High, Med, Low), die den Anstieg der Effizienz nutzbar macht. Halbiert man damit also die Helligkeit auf die Hälfte,
dann steigt die Effizienz der LED, weil sie mit geringerem Strom betrieben werden.

Im späteren Lampenkopf befindet sich dann der Dimmer und die beiden Schalter, mit denen man zwischen
Kaltweiß, Warmweiß und "Neutralweiß" umschalten kann, oder die Lampe ganz ausschaltet. Dazwischen sind
drei Gelenkstangen geplant, die es erlauben die Lampe als Deckenfluter zu nutzen, aber auch mal eben als
Arbeits- oder Tischleuchte. Hier der Funktionsplan:
zb53qm37.jpg
Das ganze ist ziemlich effizient geworden und mehr als ausreichend hell, provisorisch befestigt ersetzt es zur
Zeit einen Deckenfluter. Hier noch die Eckdaten:
jwet3p2x.jpg
jwet3p2x.jpg (54.91 KiB) 10271 mal betrachtet
Gekostet hat mich das Ganze bis jetzt rund 150 Euro, abzüglich Bastelspaß :)
Benutzeravatar
Achim H
Star-Admin
Star-Admin
Beiträge: 13067
Registriert: Mi, 14.11.07, 02:14
Wohnort: Herdecke (NRW)
Kontaktdaten:

Mo, 28.11.11, 00:30

Beschwere Dich mal bei Deinem Enegieversorger. Andere Leutchen haben schon seit Jahren 230V in der Steckdose (seit 1987 teilweise auf 230V angehoben, seit 2009 in ganz Europa auf 230V ±10% angehoben) und Du krebst noch immer mit 220V herum.
Benutzeravatar
alexStyles
Auserwählter
Auserwählter
Beiträge: 2333
Registriert: So, 20.08.06, 16:51
Wohnort: Düsseldorf
Kontaktdaten:

Mo, 28.11.11, 00:36

Sieht soweit gut aus. Wenn keine großen Farbabweichungen auftreten wäre es ja in Ordnung.
(Bitte uppe die Bilder per Foren Upload....dann bleiben Sie auch erhalten.)

Bilder der fertigen Lampe wären noch super.
Benutzeravatar
unoptanium
Mega-User
Mega-User
Beiträge: 475
Registriert: Di, 07.10.08, 19:00
Wohnort: Berlin

Mo, 28.11.11, 05:38

Guten Morgen.

Also bei der Packungsdichte bin ich mal auf Temperaturmessungen gespannt.
Das mit der Effizienz ist ein Argument für diese Superflux Bauform.

Aber werden die LEDs nicht zu warm, um noch so effizient zu sein?
Ich würde mir allein wegen der Leistungsangabe schon Sorgen um die Lebensdauer
der LEDs machen. Es ist ja top Markenqualität, die werden nicht so schnell
anfangen zu blinken. Aber extrem schnell altern können die wohl schon, wenn es allzu
warm wird auf der kleinen Platine.

Auf Fotos der Lampe im Einsatz bin ich auch gespannt, ist ja ein wahres Lichtmonster.


Gruß, unoptanium
Benutzeravatar
Sailor
Moderator
Beiträge: 9427
Registriert: Di, 28.11.06, 22:16
Wohnort: Saarland, Deutschland und die Welt

Mo, 28.11.11, 05:47

Schön, wieder die klassische Superflux-Matrix zu sehen. 5 ***** dafür, auch wenn ich die Bilder hier auf den Server geholt habe. So sind sie besser zu erkennen und gehen nicht so schnell verloren.

In die Liste der HowTo´s übernommen in der Hoffnung, dass noch etwas vom Endprodukt zu sehen ist. :wink:
unoptanium hat geschrieben:Aber werden die LEDs nicht zu warm, um noch so effizient zu sein?
Eine 6 x 6 Packung läuft bei mir im Winter morgens etwa 3 Stunden und abends etwa8 Stunden täglich. Man spürt etwas von der Energie, warm würde ich die Oberfläche der LED´s aber nicht bezeichnen.
Benutzeravatar
stoske
Hyper-User
Hyper-User
Beiträge: 1024
Registriert: Mi, 02.03.11, 16:38
Wohnort: Wuppertal

Mo, 28.11.11, 11:05

@Achim H: Da bin ich gedanklich wohl Mitte der 80er hängengeblieben :)

@alexStyles: Die Gleichmäßigkeit ist sehr gut, Bilder der fertigen Lampe dauern noch.

@unoptanium: Die Temperatur ist quasi belanglos, selbst bei auf 30 Grad erhöhter Umgebungs-
temperatur werden kaum 50 Grad erreicht. Bei normaler Temperatur noch weniger. Weitere Fotos
kommen später noch. Die gemessenen Werte zur Leistung und Effizienz sind auch schon während des
"schlechten" Zustandes (bei ca. 30 Grad) gemacht, im Normalfall werden sie also noch etwas besser
sein.

@Sailor: Danke für das Umstellen der Bilder, du bist mir zuvorgekommen. Das Endprodukt gibt es
in jedem Fall noch zu sehen, aber so weit bin ich leider noch nicht.

Ein wichtiger Hinweis fehlt aber noch: Obwohl es den Anschein macht, ist das nicht so einfach
nachbaubar, denn die Werte der Widerstände ergeben sich erst durch die Messung. Selbst bei
gleichen LED und gleichem Netzteil können die Angaben nicht einfach übernommen werden.
Benutzeravatar
stoske
Hyper-User
Hyper-User
Beiträge: 1024
Registriert: Mi, 02.03.11, 16:38
Wohnort: Wuppertal

Mi, 21.12.11, 19:53

Kleines Update:
screen.jpg
So im "Groben" stelle ich mir das vor. Einfache Scharniere am Kopf und auf 1,10 Meter Höhe erlauben
ein Drehen um je 110 Grad, was ausreicht um aus dem Deckenfluter "mal eben" eine Wandlampe oder
eine Tischlampe zu machen.
led1.jpg
Aus 3 mm glattem Holz (Abfall) habe ich mir ein passendes Gehäuse gebastelt. In den oberen Teil kommen
die LED und alle andere Teile, nur der untere Teil wird später an das erste Scharnier befestigt. Der obere
Teil wird dann einfach aufgeschraubt. Da in der Mitte dieses Gehäuses keine zwei weiteren Schrauben
passten, dienen hier kleine Magnete als Halter. Die Gewinde für die Schrauben sind einfach mit 2K-Kleber
auf das Holz geklebt. Das Gehäuse habe ich dann dick und strukturiert weiß lackiert.
led2.jpg
Hier ist alles in das Oberteil eingebaut. Die Achse des Potis wird später natürlich noch gekürzt und mit einem
schönen Drehknopf versehen.
led3.jpg
Der fertige Lampenkopf. Die Schrauben werden später noch durch "schönere" Flachkopfschrauben ersetzt.

Schöne Weihnachten!
Benutzeravatar
dBase
Mega-User
Mega-User
Beiträge: 204
Registriert: Sa, 07.02.09, 14:14

Mi, 21.12.11, 22:35

... kommt gut.
Weil Du von Effizienz geschrieben hast: Pass auf, dass die Zuleitung vom Fuss zur Leuchte dick genug ausfällt, sodass Du da nicht zuviel in der Leitung verlierst.
Bei 30*60mA sind's immerhin 1.8A, das macht bei 0.75mm2 und 1.6m Länge (siehe http://www.leds.de/Leitungswiderstand) etwa 0.5V, die mit ~1W im Kabel abfallen würden.
Antworten